Reduced flicker, smoother dimming, smaller package sizes, lower power dissipation levels, higher accuracies, and lower bill of material (BOM) costs are all targets LED driver manufacturers and users aim to hit in their quest to broaden market adaptability for LEDs in applications that include lamps, fixtures, troves, and retrofit situations.
To achieve this goal, all are experimenting with variations of the traditional AC-DC conversion topology, followed by driving and controlling LEDs with flyback feedback circuitry. This article will look at the performance requirements for low-, mid- and high-level LEDs in terms of power-factor correction (PFC), power dissipation, dimming range, output luminosity and constant-current demands, and will conclude by offering some suggestions on parallel vs. serial arrangements.
The selection of the type of LED driver design depends on the choice of LEDs to be driven. Mid-power LEDs (generally ones with input currents of roughly 30 to 150 mA, luminosities of 30 to 110 lumens, and efficacies up to 130 lm/W) are being pushed by some LED makers. However, this can lead to lower output light levels, higher drive currents, greater power dissipation, and lower light quality. It also affects power factor correction (PFC) and can lead to unsatisfactory input constant-current levels.
Some high-power LED manufacturers, however, argue that using more high-power LEDs to get more light output can be beneficial. This approach provides up to a 60% reduction in heatsink costs and requires 80% fewer LEDs, resulting in less pc-board space, smaller beam angles, and less optics, leading to lower system costs. Ultimately, lower costs at acceptable performance levels will be the deciding factor.
Some LED driver manufacturers are helping designers by adding value to their products through the addition of other functions. Allegro Microsystems, for example, combined sensors with the driver. The manufacturer of Hall-effect sensors for cars and other applications offers the A1569 LED driver with an integrated Hall-effect switch and regulator that allows operation with supply voltages of 7 to 24 VDC. It is targeted at interior and auxiliary automotive lighting applications such as glove boxes, center consoles, vanity mirrors, trunks/boots, truck beds, etc., in addition to consumer electronics, white goods, boats RVs and motorcycles. It comes in two versions: the A1569K is automotive grade (AEC-Q100) that operates over a wide temperature range of -40˚C to 125˚C, while A1569E is more for industrial and consumer applications, with an operating temperature range of -40˚C to 85˚C. Both are RoHS compliant and come in a thermally enhanced SOIC-8 surface-mount package (designator: "LJ").
The LED drive current is set by an external resistor; the LED is then activated by the built-in Hall-effect switch and features an adjustable fade-in/fade-out effect. Omni-polar operation (either north or south pole) and high magnetic sensitivity make the A1569 tolerant of large air gaps and mechanical misalignment. System assembly is easier, as the magnet can be oriented with either pole facing the device. Chopper stabilization provides low switch-point drift over the operating temperature range. The driver can also be activated via an external input for direct control of the LED.
The A1569 is a buck-boost charge-pump driver. It features thermal-shutdown and under-voltage lockout capabilities, single or multiple-channel outputs (up to 16), and output currents from 20 mA up to 3 A per channel. Multiple intensity control methods, including pulse-width modulation (PWM) control with high resolution per channel, allow for easy use in series and parallel LED configurations (Figure 1).

Figure 1: The LED drive current on the A1569 LED driver from Allegro Microsystems is set by an external resistor. It is activated by the built-in Hall-effect switch that features adjustable fade-in/fade out capability using an optional external capacitor CFADE. (Source: Allegro Microsystems)
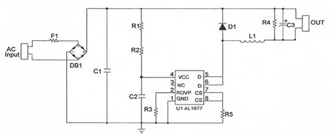
Some LED driver companies opt for a simple approach that leads to a lower overall bill of materials cost. An example of an extremely low BOM is the Diodes Inc.'s AL1677 universal AC-input (85 to 115 V) high efficiency (greater than 90%) and high-accuracy LED driver converter available in an SO-8 package (Figure 2).

Figure 2: Less PC-board space and a lower bill of materials (BOM) are the features of the AL1677 universal high-efficiency and accuracy LED driver from Diodes Inc. that comes in an 8-pin small-outline package. (Source: Diodes Inc.)
Its topology provides accurate constant-current line and load regulation, operating in the boundary conduction mode (BCM), to assist EMI/EMC qualification and testing that meet the latest regulatory laws. Current-sense tolerance is within ±3% and the operating current is a low 170 µA.
The AL1677 system replaces the auxiliary winding and external high-voltage MOSFET (it has an internal 50 V MOSFET) with a few external components like a diode bridge, an inductor, a couple of capacitors, a diode, and five resistors to create a low BOM solution (Figure 3).

Figure 3: In a typical application, the AL1677 from Diodes Inc. lowers the BOM by removing the auxiliary winding and high-voltage MOSFETs normally used, while yet achieving high efficiency of more than 90% (Source: Diodes Inc.)
The AL1677 has comprehensive protection features to improve the system safety and reliability, like under-voltage lockout (UVLO), leading-edge blanking (LEB), output and short protection, as well as over-current protection. A thermal fold-back function reduces the output current when the driver's temperature is higher than the setting value.
Another Choice?
Instead of using a driver, microcontroller units (MCUs) are being combined with sensors and LEDs to offer more intelligent LED functions by precisely controlling the LED's current for a number of applications like indoor illumination, appliances, and cars. This combination of digital and analog functions gives the user dimming control to the desired user level and is also said to offer lower power consumption than using just a driver and an LED.
It is possible to reduce the cost of using LED drivers powered from the AC line thanks to recent developments in LED light engines (LEs) that operate directly from the AC line. They convert the AC line voltage to DC. They've been shown to offer improved flicker performance and higher output light efficacy as well as high power factor ratings.
This so-called AC-LED technology uses current-controlled resistors as well as capacitors. However, the jury is out on this since there may be drawbacks in that the OEMs (luminaire, fixture, trove and retrofit companies) must work more closely with the LE maker in obtaining more precisely targeted design and total costs.
Critics argue that OEM lighting manufacturers need design latitude in terms of fixture size, shape, mounting-hole locations, color temperature, and light output which LEs may not always deliver. These needs may be compromised unless a very close relationship is established between the LE designer and the OEM at the outset.
Conclusion
For now, using a flyback technology seems to be best for driving low- and mid-power LEDs, while line and load control (LLC) provides the best efficiency levels. Using PWM conversion is the most common approach for driving present day LEDs.
With respect to LED circuit topologies, placing them in series rather than in parallel is the preferred method for low-cost design considerations. This is usually done by using a resistor in series with the LED. Parallel driving in a series of branches can lead to the possibility of a mismatch with an LED's forward voltage as current flows through the different branches. The forward voltage of each individual LED or LEDs in a branch with the lowest total forward voltage will draw the most current, leading to increased temperature in the p-n junctions of each mismatched LED and potential failure(s).
For an LED to function correctly, the driver power source must give the correct voltage to the LED. Too low a voltage can cause undesirable dimming, and too high a voltage can cause LED overheating and possible damage. It is recommended by lighting experts that the driver's power consumption be at least 10% higher than that of the LED itself, for proper LED operation.
There's no doubt that greater silicon integration levels for LEDs, drivers and other elements such as sensors and other control elements will occur. However when that may occur is subject to market demands, costs, and IC technology advancements.











