作者:Franco Contadini,现场应用首席工程师
摘要
智能变送器可以对增益和偏移进行归一化处理,通过将模拟信号转换为数字信号把传感器线性化,使用微控制器中的算术算法处理信号,然后转换回模拟信号,并将结果作为标准电流沿环路传输。智能变送器还添加了数字通信功能,与4-20 mA信号共用双绞线。由此产生的通信通道允许控制和诊断信号随传感器数据一起传输。集成AFE、微控制器、HART®和4-20 mA变送器技术的SoC支持实现小尺寸的4-20 mA智能变送器。
简介
在工业过程监控应用中,4-20 mA电流环路是一种用于发送温度和压力等传感器信息的常用技术。当信息必须长距离传输到远程位置时,电流环路特别有用,因为信号对噪声相对不敏感,并且可以从远程供电电压中获取电力。本文将简要介绍4-20 mA系统、其发展历程和相关芯片组,该芯片组通过有效减少外部元件数量来缩小整体解决方案的尺寸并提高可靠性。
4-20 mA传感器概述与发展历程
在简单的4-20 mA系统中(图1),传感器的输出电压先转换为成比例的电流,其中4 mA表示传感器的零电平输出,20 mA表示满量程输出。远端接收器将4-20 mA电流转换回电压,然后由计算机或显示模块进一步处理。

图1.简单的4-20 mA系统
为了满足行业需求,工程师开发出了智能变送器(图2)。该器件采用微处理器和数据转换器,能够对信号进行远程调理。智能变送器可以对增益和偏移进行归一化处理,通过将模拟信号转换为数字信号对传感器进行线性化,使用微控制器中的算术算法处理信号,将信号转换回模拟信号,并将结果作为标准电流沿环路传输。

图2.智能变送器
仪表经过校准并正常工作时,其输出信号应保持在4 mA至20 mA之间,但有时候,过程条件会偏离正常运行条件。在这种情况下,符合标准的变送器最多可输出20.5 mA。此输出信号超出范围,位于饱和区域。与此类似但较小的饱和区域位于测量范围的底部。
智能测量器件可以检测内部故障,例如传感器或转换器故障。发生这种情况时,符合标准的仪表的微处理器会将输出信号设置为3.6 mA或21.0 mA,具体取决于用户如何设置故障安全模式。
故障信息的信号电平(图3)按照NAMUR NE43建议进行了标准化1。

图3.NAMUR NE43建议
因此,为变送器电子元器件供电的电流限制在3.5 mA左右,为该应用选择器件时必须认真考虑这一点。
另一项改进是添加了数字通信功能,它与4-20 mA信号共用双绞线。这种组合让控制和诊断信号可以随传感器数据一起传输。
通信标准是HART协议,它采用频移键控(FSK),其中位1和位0分别由1200 Hz和2200 Hz的频率表示。这些频率的正弦波叠加在传感器的直流模拟信号上,从而同时提供模拟和数字通信(图4)。FSK信号的平均值始终为零,因此4-20 mA模拟信号不受影响。

图4.同时进行模拟和数字通信
HART命令集(图5)为所有现场设备统一提供一致的通信,其中包括三类命令:通用命令、常规命令和器件特定命令。所有采用HART协议的器件都必须能识别和支持通用命令,例如读取主变量和单位。常规命令为通过许多器件实现的功能,例如校准、自检和多变量读取。器件特定命令代表每个现场器件所独有的功能。

图5.HART传感器提供的信息示例
每个HART器件都有一个38位地址,由制造商ID码、器件类型代码和器件唯一标识符组成。
超低功耗4-20 mA传感器变送器
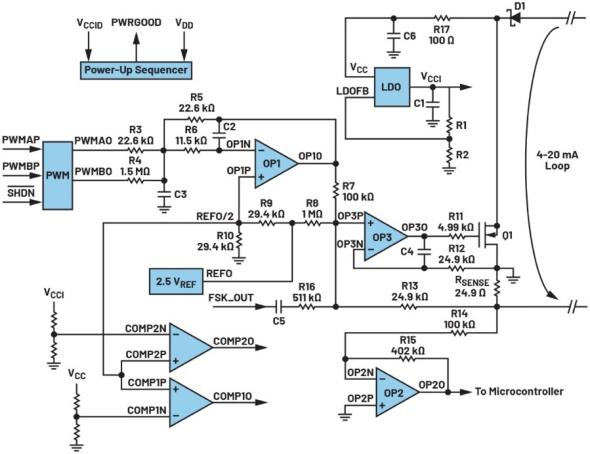
MAX12900是一款包含10个构建模块的集成变送器(图6)。
从左边开始,传感器接收微控制器的数据,形成粗调(PWMAP)和精调(PWMBP)两种PWM信号。这些信号经过缓冲和求和处理后,通过低通滤波器(OP1模块)转换为相应的电压电平表示。在图6的示例中,粗调增益设置为1 (R5/R3),而精调增益设置为1/66 (R5/R4)。OP3与精密基准电压和外部MOSFET (Q1)结合,实现精密电压控制电流源。在此应用示例中,第二个通用放大器(OP2)用于测量电流环路,并向微控制器提供反馈。两个比较器用于监控电源电压和内部LDO电压。电源时序控制器确保系统正确启动,并在LDO输出达到最终值的90%时产生电源良好信号,其输出值由分压器设置。
集成AFE和HART调制解调器的超低功耗Arm Cortex-M4F
MAX32675C(图7)是一款高集成度混合信号、超低功耗微控制器,适用于工业应用。它基于超低功耗Arm® Cortex®-M4,带有浮点单元、一组丰富的数字外设和一个模拟前端(AFE)。
AFE集成了低功耗HART调制解调器、两个12通道Σ-Δ模数转换器(ADC)、可编程增益放大器(PGA)以及12位数模转换器(DAC)。

图6.集成变送器

图7.高集成度混合信号微控制器
集成AFE
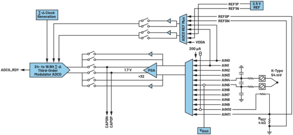
MAX32675C提供两个Σ-Δ ADC,它们共享多路复用的12个模拟输入,这些输入可配置为差分或单端。每个ADC前面都有一个PGA,PGA具有8个可用增益,范围为1到128。PGA输出可由外部配置,支持外部滤波。有多个基准输入可用,以提高灵活性。集成的50 ppm基准电压可编程为1.024 V、1.5 V、2.048 V和2.5 V。传感器可使用16级可编程电流源或固定电压源(VDD/2)进行偏置(见图8)。

图8.集成AFE
ADC特性
ADC可以按需自动校准其内部失调和增益误差以及系统失调和增益误差,并将校准值存储在专用寄存器中。PGA有8个独立的增益校准寄存器。
自校准程序不包括外部影响,例如驱动输入引脚的源信号,这些影响会改变系统的失调和增益。
系统校准通过向选定的输入引脚提供零电平信号或满量程信号,并启动系统零电平或系统增益校准命令,来使能系统零电平和系统满量程校准。
作为自动生成系统校准值的替代方案,可以将值直接写入内部校准寄存器。
依据公式1,校准值会被应用于存储在ADC_DATA寄存器中的转换结果:

其中:
ADC_DATA是ADC数据结果目标寄存器。
Conversion是应用校准结果之前的ADC转换结果。
ADC_SELF_GAIN [1:128]是所选增益的内部增益校正值。
ADC_SELF_OFF是内部失调校正值。ADC_SYS_GAIN是系统增益校正值。
ADC_SYS_OFF是系统失调校正值。
可配置数字滤波器支持选择陷波频率和数据速率。
同步50 Hz/60 Hz抑制有限脉冲响应(FIR)滤波器在16 SPS时提供对50 Hz和60 Hz远超过90 dB的抑制,并显著抑制其谐波。输出速率更快时(40 SPS),50 Hz和60 Hz FIR滤波器设置针对这些频率的衰减水平会降低。
sinc4设置支持四阶SINC滤波器,该滤波器能够以高达1989 SPS(24位精度)的连续数据速率运行,或以15360 SPS(16位精度)的连续数据速率运行。
时序控制器是一项强大的功能,可以将一系列命令编程到序列缓冲器寄存器中(图9)。可以将序列的完成配置为产生中断。
有8个寄存器用于存储ADC转换输出,以供时序控制器使用。

图9.时序控制器使用示例

图10.AFE配置为热电偶测量
还有8个下限/上限比较阈值寄存器与这8个转换寄存器相关联。比较结果存储在状态寄存器中。
AFE配置为热电偶
测量
AFE可以配置为利用热电偶测量温度(图10)。热电偶电压利用精密基准电压来测量,同时必须使用单独的传感器来测量冷端的温度。这可以通过电阻温度检测器(RTD)之类的器件来测量。
对于热电偶测量,根据所用的热电偶类型将PGA增益设置为适当的值。K型热电偶产生的最大电压为54 mV,使用32倍的PGA增益可产生约1.7 V输出。内部电压发生器将热电偶偏置至VDD/2 (AIN5)。
采用RTD进行冷端温度测量时,电流源IDAC0设置为在AIN10上提供220 μA。电流将流过RTD和基准电阻RREF,在RREF上产生800 mV的电压降,用作测量的基准电压。由于流过RTD和RREF的电流相同,因此转换数据将是RTD电阻与REF的比率。
HART调制解调器
该器件集成了1200 Hz/2200 Hz FSK信号的调制和解调功能。由于集成了信号处理功能,调制解调器(图11)功耗非常低,只需要少量外部元件。输入信号由ADC采样,随后由数字滤波器/解调器处理。调制器提供纯净的信号,频率在1200 Hz到2200 Hz之间切换,且相位保持连续。SPI接口用于配置外设寄存器,通信则采用UART。

图11.集成HART调制解调器

图12.智能变送器实现
智能变送器实现
借助MAX12900和MAX32675C的组合,仅需少量外部元件就能设计智能变送器(图12),从而缩小整体解决方案的尺寸。MAX32675C采用8 mm × 8 mm封装,而MAX12900采用5 mm × 5 mm封装。
结论
MAX12900和MAX32675C的组合能够给4-20 mA智能变送器带来三重好处,包括缩小系统尺寸;让系统支持多种类型传感器,提升灵活性;以及有效改善整体系统可靠性。多个基准输入和双ADC增加了系统冗余。比较器和备用运算放大器可以监控电源电压和输出电流等关键参数,从而简化SIL实现。
参考文献
1 NAMUR—User Association of Automation Technology in Process Industries。
关于ADI公司
Analog Devices, Inc. (NASDAQ: ADI)是全球领先的半导体公司,致力于在现实世界与数字世界之间架起桥梁,以实现智能边缘领域的突破性创新。ADI提供结合模拟、数字、AI和软件技术的解决方案,推动自动化与机器人、汽车、能源与数据中心、医疗健康等领域的持续发展,应对气候变化挑战,并建立人与世界万物的可靠互联。ADI公司2025财年收入超过110亿美元,助力创新者不断超越一切可能。更多信息,请访问www.analog.com/cn。
作者简介
Franco Contadini 拥有超过35年的电子行业从业经验。在从事电路板和ASIC设计工作10年之后,他成为现场应用工程师,为工业、电信和医疗客户提供支持,主要负责电源和电池管理、信号链、加密系统和微控制器等相关业务。Franco撰写了多篇关于信号链和电源的应用笔记和技术文章。在意大利热那亚国际信息学院学习期间,他主修电子学。











