从正电压电源产生负电压:市场需求和解决方案
作者:Erik Lamp,高级产品应用工程师;
Randyco Prasetyo,首席产品应用工程师
摘要
对于物联网(IoT)设备、工业传感器、仪表、精密设备和医疗设备而言,同时需要正电压和负电压是很常见的情况。通常,正负电压必须是对称的,并且由单个电源提供。本文将阐释市场趋势和技术要求,并对各种解决方案进行对比分析,旨在让销售团队具备有效推广产品所需的深刻见解。
术语定义
转换器:一种电源管理集成电路,其内部可能集成了开关,也可能没有集成开关。
稳压器:一种集成了开关的转换器。
控制器:一种使用外部开关的转换器。
市场
在众多电子设计中,电源部分常常需要提供一个或多个负电压,且通常与相应的对称正电压共同存在。一些典型的应用示例如下:
- 电动汽车充电器和牵引逆变器的栅极驱动器;例如,用于驱动氮化镓(GaN)场效应晶体管(FET)和隔离栅极双极晶体管(IGBT)。
- 用于工业和医疗应用的高性能模数转换器(ADC)、数模转换器(DAC)以及轨到轨运算放大器(运放)。
- 消费产品的LCD显示屏。
- 驱动(雪崩)光电二极管时。
- X射线等医疗应用。
下文详细介绍了此类设计的两个典型方框图。
栅极驱动器
对于大功率开关电源和电机驱动器而言,通常需要一个负驱动电压,原因如下:
- 系统的印刷电路板(PCB)布局可能并非紧密布置且耦合紧密,其电路接地端通常会与来自系统各处的噪声相耦合,并且可能会在接地电平附近波动。
- 诸如IGBT、碳化硅(SiC)或GaN FET等主要功率器件,除非它们都封装在一个模块内,否则通常与栅极控制电路相距可达数厘米之远。因此,来自栅极驱动器的信号在到达功率器件时可能会发生失真,需要额外的安全裕度。
- GaN FET等先进功率器件通常具有较低的导通阈值,这使得它们对栅极电压振荡更为敏感。一些高压GaN FET可能具有较高的栅漏电容(CGD)或较大的工艺偏差范围,这可能会导致米勒效应引发的导通现象。在这种情况下,建议最终客户施加一个负栅极电压,以确保器件保持关断状态。对于某些类型的IGBT,需要施加一个负电压才能使其完全关断。
其中一个例子是使用隔离式驱动器ADuM4120。在这类应用中,功率器件由正电压(如V1)和负电压(如V2)驱动,如图1所示。

图1.双极性电源的设置示例。
轨到轨运算放大器
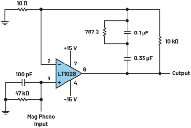
对于各种信号调理应用,当输出需要实现接近电源的宽范围变化,输入需要围绕基准电压源摆动,或是对精度有着极高要求时,通常会使用轨到轨运算放大器。光电前置放大器系统的一个典型示例如图2所示。这种设计需要一个正15 V电压和一个负15 V电压。

图2.超低噪声1M TIA光电二极管放大器的典型应用电路。
要求
从主电源产生正电压的集成电路拓扑通常已广为人知,包括低压差(LDO)稳压器、降压型、升压型、压型-升降型等。然而,以往的文献中并未对负电压生成方案的选择与权衡进行深入探讨。下面来看一些相关要求和设计挑战。
隔离
有时,正负电压需要与电源隔离,这主要是出于安全方面的考虑,或者是因为不存在公共接地。例如,在电动汽车动力系统中,12 V控制总线主要由12 V辅助电池供电。为了控制高压电池,必须进行隔离,这样一来,任何低压故障都不会导致安全隐患。通常,这样的12 V电压会在经过电气隔离后转换为±5 V或±15 V,以便为牵引逆变器或充电器中的多个信号链和驱动集成电路供电。其他一些工业逆变器,如光伏逆变器或电机驱动器,可能也需要进行隔离。
小尺寸
对于某些应用,如医疗病人监护仪,小型化是一个关键设计目标。这类器件需要通过多个高精度转换器读取并放大各种传感器信号。因此,非常需要一种能产生正负电压为这些转换器供电的微型解决方案。
效率
对于任何新设计而言,提高效率往往都是目标之一。例如,在运算放大器应用中,一个普遍的趋势是使用更低的轨电压,前提是输出端没有明显的失真,而且如果产生这些轨电压所消耗的功率更少,效率也就更高。
时序和对称性
对于像医用X射线这样的特殊应用,正负电压可能并不需要很高的精度,但它们必须是对称的,且绝对值的差异要极小。因此,最好对正负电压都进行精确的调节和时序控制。
解决方案
解决方案按照复杂程度和总体性能的顺序列出,同时也列出它们的优缺点以便进行比较。
齐纳二极管
一种不使用集成电路来产生正负电压的简单方法是使用齐纳二极管,如图3所示。在这种解决方案中,V3源的输出由Dz和Rz进行分压。如果V3为9 V,Dz是一个5 V齐纳二极管,那么栅极将由+5 V和-4 V的电压驱动。由于不需要额外的集成电路,这种方法成本较低。然而,这种解决方案效率极低,并且不适用于那些需要几十毫安电流以及输出电压需精确调节的应用场景。因此,这种拓扑结构并不常用。

图3.负电压齐纳二极管轨的示例。
电荷泵
使用电荷泵是一种将正输入电压进行反相的便捷方法,因为不需要磁性元件。市面上有许多能实现此功能的电荷泵集成电路,并且在不同情况下各有优势。
对于低功耗需求,ADI公司提供了多种稳压和非稳压电荷泵,例如图4中的LTC1983。虽然这种解决方案非常简单且外形小巧,但缺点在于效率方面,并且可能会产生较高的电磁干扰(EMI)。这类器件在负载电流方面存在限制,通常用于所需电流小于100 mA的应用。

图4.100 mA、-3 V输出的DC-DC转换器典型应用电路。
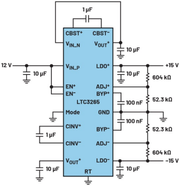
另外,考虑到需要低噪声/低电磁干扰(EMI)以避免对其他敏感电路产生干扰(尤其是对于医疗设备、传感和通信应用而言),ADI公司提供了诸如LTC3265之类的产品,在双电荷泵的每个输出端都集成了低噪声LDO稳压器(见图5)。虽然输出电流限制在50 mA,但这种解决方案对电磁干扰更为友好,并且仅用一个集成电路就集成了正输出轨和负输出轨。由于输出噪声极低,在驱动低功耗运算放大器和数据转换器的精密仪器仪表应用中,非常有用。

图5.单12 V输入产生低噪声±15 V输出的典型应用电路。
在既需要高负载电流的正电压轨(用于系统供电),又需要较小负载电流的负电压轨(用于偏置或基准电压源)的应用中,一个分立的负电压电荷泵几乎可以应用于任何降压型或升压型稳压器,且无需额外的集成电路。“使用具有有源放电功能的MAX17291升压转换器集成电路从正输入电压产生负输出电压”这篇文章中展示了一个示例电路,使用MAX17291搭配外部电路来构成电荷泵。其缺点在于电荷泵的负载调整和动态负载响应能力。
反相转换器
在已知输入/输出组合且无需精确稳压的场景中,电荷泵相对更为实用,而相关的噪声干扰则可通过额外的滤波措施来处理。对于那些输入或输出电压范围较宽且对稳压要求严格的应用,建议采用基于电感的开关模式拓扑结构。
有几种这样的拓扑结构可以处理正电压到负电压的转换,它们通常都被归类为反相拓扑结构,但这种归类方式可能会让工程师产生混淆。虽然它们通常都能完成相同的功率转换任务,但在设计上需要进行权衡取舍。以下是三种典型的拓扑结构:前两种较为相似;然而,使用降压型集成电路尽管并非专门为产生负电压而设计,但它能提供更多的选择。
- 使用降压型集成电路的反相降压-升压转换器
- 独立式反相降压-升压转换器
- 双电感器(CÜK)反相降压-升压转换器
拓扑结构 (1):使用降压型集成电路的反相降压-升压转换器
当典型的同步降压转换器的输出侧与电路接地进行切换时,就会产生一个反相降压-升压(IBB)转换器,如图6所示。这种方法很受欢迎,因为市面上有许多可供选择的同步降压稳压器或控制器。对于噪声敏感型应用,ADI的Silent Switcher®单片降压稳压器,例如采用Silent Switcher 3技术的LT8624S,可配置为IBB以产生具有出色的宽带和EMI噪声性能的负电压轨。图6显示了将LT8624S用作IBB的转换器的一个示例电路,详见“针对噪声敏感型应用的快速瞬变负电压轨”这篇文章。为了进行进一步的滤波处理,可以在输出端添加一个低噪声的负输入LDO稳压器。如果在使用这种拓扑结构时需要更高的功率,ADI公司有多种同步降压控制器可供选择,并且可以搭配外部FET使用。
这里的不足之处在于,这种集成电路所参考的是降压转换器的接地,而非系统接地(系统接地是输出的正极侧)。如果需要微控制器来执行诸如使能、同步之类的功能,或者仅仅是接收PGOOD信号,那么可能就需要一个外部电平转换器电路,这可能会不太方便。关于这种额外电平转换器电路的示例,可以参阅“产生负电压——为什么需要在降压-升压电路中进行电平转换”这篇文章,如图6所示。如果需要PMBus® /I2C通信,则电平转换器可能无法发挥作用,并且可能需要外部数字隔离器IC。
如果使用的是无需外部传感或控制的转换器,那么将降压型IC用作IBB会更受青睐,因为这样会有更丰富的选择。不管具备何种电压和电流额定值,所有降压型负载点转换器都可以通过这种方式进行配置,但大多数都需要外部电平转换器以便进行外部控制。

图6.使用LT8624S降压型IC的IBB转换器。
拓扑结构 (2):独立式反相降压-升压转换器
当应用中不希望使用外部电平转换器时,有两种解决方案:使用异步IBB,或者将电平转换器集成到降压型IC中。例如:
- 异步IBB:可以通过使用PMOS作为主开关,并采用二极管来替代同步开关,从而设计出异步IBB。这样一来,IC就可以参考系统接地,而无需电平转换器。在这种情况下,输出负载的正极侧连接到输入接地。这里的IC选项可以是如图7所示的LTC3863。它的效率通常比使用降压型IC要低,因为PMOS和二极管所产生的损耗,通常要比基于NMOS的同步转换器更大。

图7.异步IBB转换器。
- 集成了电平转换器的降压型IBB:把降压型IC用作IBB时,无需使用外部电平转换器,而是可以将每个输入和输出信号各自对应的电平转换器集成到IC中。这对于设计师来说十分方便。例如,MAX17577/MAX17578和MAX17579/MAX17580都是基于降压的IBB转换器,它们在EN和RESET引脚集成了电平转换器。
如果需要高功率和高效率,那么推荐使用LTC3896。它是一款更为精密的高性能同步开关控制器,并且集成了电平转换器。尽管它采用38引线TSSOP封装,是相对较大的一款IC,但它的能源效率非常高,而且两个开关均支持使用NMOS。对于功率需要大于100 W的场景,建议使用这款器件。
拓扑结构 (3):双电感器(CÜK)反相降压-升压转换器
当需要考虑开关噪声问题时,CÜK转换器能够产生负输出电压,且其造成的噪声比IBB转换器要小。这种拓扑结构如图8所示,它包含两个电感器和一个耦合电容。这种转换器的优点在于其结构简单,仅需一个低端开关即可将输入电压反相,并且该开关可以是NMOS,因此效率很高。例如,LT8330仅需8个引脚,而且设计起来并不困难。此IC是ADI的稳压器之一,它集成了两个误差放大器,因而能够检测正输出电压或负输出电压。类似的稳压器,例如LT8331、LT8333、LT8334、LT8570和LT8580,提供了不同的额定参数和特性,以满足各种常见的应用需求。

图8.简化的反相转换器。
虽然这种拓扑结构确实需要两个电感器,但若像图8所示那样将两个电感器进行耦合,输出纹波会显著降低,还可能减小输出电容的尺寸。此外,由于输入侧和输出侧各有一个电感器,因此电流是连续的,并且整个电路的噪声也要小于其他拓扑结构。如果需要更大的功率,采用LT3758等带有外部低端FET的控制器IC可能是一个不错的选择。
反激式转换器
如果出于隔离目的而需要变压器(比如在反激式转换器中),那么只需在输出侧增加另一个绕组,就能非常容易地产生正负输出电压。在这个变压器上,通过设置多个绕向不同的绕组,并配合使用隔离二极管,就能够产生正电压或负电压,如图9所示。例如,LT8306无需使用光耦合器来进行反馈,从而节省了物料清单成本。
尽管这种方式很方便,但所产生的负电压是未经过稳压的。如果需要稳压,建议在输出端添加另一个负输入LDO稳压器。

图9.带有多个输出绕组的典型反激式转换器。
特殊双多拓扑结构转换器
考虑到大多数需要负输出电压的应用同时也需要与之互补的正输出电压,ADI公司提供了多种解决方案。这些方案采用了先前提到的拓扑结构,并且能在一个集成电路内提供两个或更多的正负电压。
一些例子如下:
- 双42 VIN、3 A升压/反相稳压器LT8582;
- 双50 VIN、2 A多拓扑结构稳压器LT8471;
- 双5.5 VIN、2 A/1.2 A升压/反相稳压器ADP5076;
- 3通道60 V隔离式微功率管理单元ADP1034

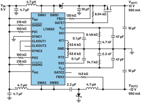
图10.5 V至±12 V升压和反相转换器的典型应用电路。
电源模块解决方案
对于许多希望解决方案尺寸超小,或者想要现成的完全集成式电源解决方案的工程师来说,可以考虑使用微型电源模块。
例如,LTM4655是一款40 VIN、双4 A反相μModule®稳压器,具有两个完全独立的输出通道,每个通道都可配置为正输出或负输出,并且其低电磁干扰性能已符合EN550222 B类标准,可以节省大量的设计和故障排除工作。
LTM8049是另一个不错的选择,其输入电压最高可达20 V,两个输出端的输出电压最高可达+24 V,最低可至–24 V。
结论
在系统中增加负电压轨并不方便,因此集成电路供应商将“无需负电压”作为一大优势进行推广。例如,GaNFET制造商正在说服客户不要使用负栅极驱动,而运算放大器制造商则推荐性能更好的单电源运算放大器。然而,在许多高端应用中,对负电压的需求仍然存在。
表1列出了本文提及的一些解决方案的对比情况,以供参考。ADI公司制造了数千种适用的集成电路,这些产品具有不同的拓扑结构和不同的额定参数,因此所推荐的限制条件和一般特性可能带有主观性,并且因各个产品型号的不同而有所差异。如果您是一名设计工程师,在阅读本文时,除了在analog.com上进行搜索之外,还请随时联系当地的ADI代表,咨询最适合您设计需求的产品。
表1.产生负电压的各种拓扑结构
| 拓扑结构 | IC通道 | 隔离 | 此拓扑结构的推荐负载电流 | 效率 | 稳压 | 解决方案成本 | 噪声 | 示例IC |
| 齐纳二极管 | 0 | 否 | <10 mA | 低 | 否 | 低 | 中 | N/A |
| 电荷泵 | 1 | 否 | <100 mA | 低 | 否 | 低 | 高 | LTC1983 |
| 电荷泵+ LDO稳压器 | 2 | 否 | <100 mA | 低 | 否 | 中 | 低 | LTC3265 |
| 反相降压-升压 | 1 | 否 | 0.5 A至2 A | 中 | 是 | 中 | 低至中 | LTC3863、MAX17579 |
| 1 | 否 | 2 A至10 A+ | 高 | 是 | 中至高 | 低至中 | LTC3896 | |
| 使用降压型IC的反相降压-升压转换器 | 1 | 否 | 0.1 A至10 A+ | 高 | 是 | 低至中 | 低至中 | LT8624S |
| 双电感器反相(CÜK)转换器 | 1 | 否 | 0.1 A至10 A+ | 高 | 是 | 中至高 | 低 | LT8330/LT8331/LT8333/LT8334、LT8570、LT8580 |
| 反激式 | 1或2 | 是 | 0.1 A至10 A+ | 中 | 否(2个绕组以上) | 中至高 | 中至高 | LT8306 |
| 多拓扑结构转换器 | 2个或以上 | 否 | 0.1 A至3 A | 高 | 是 | 中至高 | 低至中 | LT8582、LT8471 |
| 电源模块 | 1或2 | 否 | 0.1 A至10 A+ | 高 | 是 | 高 | 低至中 | LTM4655、LTM8049 |
参考文献
Ryan Schnell,“用双极性方法驱动单极性栅极驱动器”,《模拟对话》,第52卷第10期,2018年10月。
“使用具有有源放电功能的MAX17291升压转换器集成电路从正输入电压产生负输出电压”,ADI公司。
Frederik Dostal,“产生负电压——为什么需要在降压-升压电路中进行电平转换”,《模拟对话》,第57卷第2期,2023年5月。
内部电源开关升压稳压器,ADI公司。
Steven Keeping,“Using an Inverting Regulator for Buck/Boost DC-to-DC Voltage Conversion”,DigiKey,2015年8月。
Thomas Schaeffner,“The Best Way to Generate a Negative Voltage for your System”,Newelectronics,2018年1月。
Frederik Dostal,“The Art of Generating Negative Voltages”,Power Systems Design,2016年1月。
作者简介
Erik Lamp是ADI公司工业和多市场部门的产品应用工程师,主要负责电源产品。他于2020年获得圣何塞州立大学电气工程学士学位,此后一直就职于ADI公司。
Randyco Prasetyo是ADI公司的高级应用工程师。他在印度尼西亚的萨蒂亚瓦查纳基督教大学获得了电气工程学士学位。在卫星电信行业深耕了十年后,他与妻子和两个孩子一起迁居美国,并在加州州立理工大学继续深造,同时担任研究生助教和烟雾检测技术员。在此过程中,该校的Taufik教授引领他踏入电力电子领域。他于2011年加入凌力尔特(现在已成为ADI的一部分)。如今,他主要负责为ADI公司的升压型和隔离式电源转换器产品线提供支持。











