作者:Jan Michael Gonzales,产品应用资深工程师
Ralph Clarenz Matocinos,产品应用助理工程师
Christian Cruz,产品应用资深工程师
摘要
本文是一份详尽的指南,旨在说明如何为处理器、微控制器和高功率信号链选择合适的电源拓扑。本文强调了高效可靠的功率转换在信号链中的重要作用,并着重说明了此类结构紧凑但功能强大的电源器件在不同电子应用中的重要性。无论是在消费电子应用还是工业自动化环境中,处理器和微控制器等器件都是主要处理单元,需要稳定且精确调节的电源才能实现出色性能。本指南同时还强调,选择合适的电源架构对于确保系统无缝高效运行具有重要意义。
简介
本文将深入探讨低压差(LDO)稳压器、降压、升压、降压-升压和单输入多输出(SIMO)等电源拓扑在实际使用中需要考虑哪些因素,并评估其应用、重要性、优点和缺点。评估旨在通过提供实用的见解,帮助工程师在设计过程中做出明智的决策。
内核电压稳定的重要性
在深入研究电源拓扑的细节之前,必须了解维持处理器和微控制器内核电压稳定的重要性。
- 性能:稳定的内核电压可确保器件性能一致且可靠,防止发生意外崩溃、故障或不稳定行为。
- 电源效率:实现良好调节的内核电压可充分降低电力损耗,从而提升系统的整体能效。
- 使用寿命长:电压波动会导致器件过早磨损,缩短其使用寿命。
- 电磁兼容性(EMC):稳定的内核电压有助于减少电磁干扰(EMI),从而满足EMC标准要求,这对于医疗设备和航空航天系统等敏感应用至关重要。
- 抗扰度:适当的电压调节可以保护器件免受外部电噪声的影响,增强其在高噪声环境中的可靠性。

图1.线性稳压器ADP7142可提供1.8 V输出轨。
常见电源拓扑
微处理器和微控制器常用的电源拓扑包括线性稳压器和开关模式电源(SMPS)。降压、升压、降压-升压转换器和SIMO转换器都属于SMPS。每种拓扑都有其优点和缺点。下面深入探讨这些拓扑,以便全面了解这些拓扑。
线性稳压器
线性稳压器是简单易用、高性价比的解决方案,适合低功耗应用。无论输入电压如何变化,它都能提供恒定的输出电压,多余的电压以热量的形式耗散。然而,由于功耗原因,其在大电流应用中效率低下。图1显示了一个线性稳压器。
使用LDO稳压器进行设计时,有很多因素需要考虑。表1列出了其优点和缺点。
表1.LDO的优点和缺点
| 优点 | 缺点 |
| 即使输入电压接近所需电平,LDO稳压器也能保持稳定的输出电压,从而确保在低输入功率下实现可靠的性能。 | 当输入和输出电压相差很大时,LDO稳压器的效率非常低,多余的功率会转化为热量。在这种情况下,开关稳压器可能是更节能的选择。 |
| 凭借非常低的输出噪声,LDO稳压器在需要提供干净、稳定电压的应用中,例如精密模拟电路和敏感的微控制器中,表现出色。 | 与开关稳压器相比,LDO稳压器的电流处理能力较低,因此不适合高功率应用或有大电流需求的应用。 |
| 与开关稳压器等替代方案相比,LDO稳压器设计更简单,需要的外部元件更少,因此能够节省PCB空间并降低复杂性。 | LDO稳压器往往会因功率耗散而产生热量,尤其是在高功率情况下。适当的热管理对于防止过热至关重要。 |
| LDO稳压器能够快速响应负载变化,因此非常适合微控制器和数字处理器等动态应用。 | LDO稳压器要求输入电压高于所需输出电压,这使其在电池供电设备中的应用受限,因为电池电压往往接近所需输出电压。 |
| 超低静态电流版本的LDO稳压器可提升电池供电设备的效率,有效降低待机功耗。 | 虽然LDO稳压器在许多场景中都具有高性价比,但与开关稳压器相比,它们可能不是大电流或高效率应用最经济实惠的选择。 |
| LLDO稳压器具有出色的输出电压精度,非常适合需要精确电压调节能力的应用。 | 如果输入电压明显高于所需输出电压,LDO稳压器可能需要额外的元件(如散热器或复杂的保护电路)才能有效运行。 |
开关模式电源(SMPS)
SMPS由于其高效率而成为微处理器和微控制器常用的拓扑结构。SMPS通过快速开关功率器件(通常是晶体管),将输入电压转换为所需的输出电压。它能实现精确的电压调节,充分降低功耗。图2展示了降压、升压和降压-升压拓扑。

图2.降压、升压和降压-升压拓扑是三种基本SMPS拓扑1
使用SMPS时,应考虑多方面因素,包括其优点和缺点。表2概述了这些重要方面。
表2.SMPS的优点和缺点
| 优点 | 缺点 |
| SMPS效率非常高,作为热量浪费的功率比线性稳压器少,因而是节能设备和电池供电应用的理想解决方案。 | SMPS的设计和实现比线性稳压器更复杂,需要额外的元件和先进的控制电路。这种复杂性会增加开发成本,并带来可靠性挑战。 |
| SMPS能够处理宽输入电压范围,非常适合需要处理波动或不稳定电源的应用。 | SMPS会产生EMI,可能影响附近的元件。因此,需要采取额外的滤波和屏蔽措施来缓解潜在的问题。 |
| SMPS结构紧凑、重量轻,在尺寸和重量方面均优于线性电源,这使其成为存在严格约束的应用的优选方案。 | 某些SMPS设计的输出电压纹波可能比线性稳压器高,这对要求超低噪声水平的应用构成了挑战。 |
| 即使输入变化不定,SMPS也能提供稳定的输出电压,这对于实现电子设备的可靠供电具有重要意义。 | 尽管SMPS效率很高,但由于需要额外的元件和控制电路,因此制造和设计成本较高。 |
| SMPS具有快速瞬态响应特性,是需要快速调整以适应负载变化的应用的优选方案。 | SMPS并非万能解决方案,尤其不适合担心电噪声或干扰,或需要干净直流输出的应用场景。 |
| 多功能性是SMPS的一项重要优势,它可以根据各种输出电压和电流要求进行定制,从而满足不同的应用需求。 | 某些SMPS设计的最大电流处理能力存在限制。对于高功率应用,可能需要较大、较复杂的SMPS系统。 |
| 由于产生的热量极少,SMPS在需要优先考虑有效散热的应用中具有优势。 |
SMPS的类型
降压转换器
降压转换器是一种特定类型的SMPS,可将输入电压降至较低的输出电压。它广泛用于为微控制器和低功耗微处理器供电。降压转换器的工作原理是开关器件(通常为晶体管),将能量储存在电感和电容中,然后以受控方式将其传送到输出端。图3展示了系统级解决方案中使用的降压转换器,它能高效地将高压轨转换为3.3 V。

图3. LT8631 微功耗降压转换器解决方案。
选择降压转换器作为电源拓扑时,必须权衡其优缺点。表3总结了这些关键考虑因素。
表3.降压转换器的优点和缺点
| 优点 | 缺点 |
| 降压转换器以高效地将较高的输入电压转换为较低的输出电压而著称。与线性稳压器相比,它以热量形式浪费的能量更少。 | 降压转换器需要复杂的控制电路才能正常工作,这会增加设计复杂性,并可能出现可靠性问题。 |
| 由于效率高,降压转换器产生的热量较少,这对于注重热管理的应用至关重要。 | 降压转换器的开关动作会产生EMI,因此可能需要额外的滤波和屏蔽措施。 |
| 降压转换器通常比线性稳压器更小更轻,适合对尺寸和重量有限制的应用。 | 与线性稳压器相比,某些降压转换器设计可能具有更高的输出电压纹波。对于要求超低噪声水平的应用来说,这可能是一个问题。 |
| 降压转换器支持非常宽的输入电压范围,能够与可变或不稳定的电源配合使用。 | 降压转换器只能降低输入电压,不适合要求输出电压高于输入电压的应用。 |
| 降压转换器具有快速瞬态响应特性,适合需要快速调整以适应负载条件变化的应用。 | 某些降压转换器设计的最大电流处理能力存在限制。高功率应用可能需要更复杂的降压转换器配置。 |
| 即使输入电压波动,降压转换器也能提供稳定且调节良好的输出电压。 | 为降压转换器设计和选择元件时可能面临一些挑战,需要仔细考虑电感选择、开关频率、控制环路设计等因素。 |
| 降压转换器常用于能效至关重要的电池供电设备。它能有效降低功率损耗,从而有助于延长电池续航时间。 |
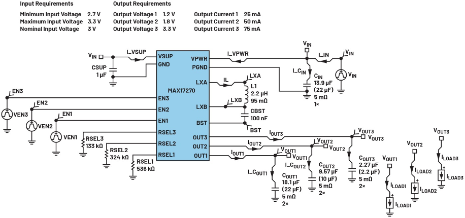
SIMO转换器
SIMO是一种创新的电源管理技术,可通过单个电感提供多个稳压输出。2传统电源管理电路通常需要为每个输出配备单独的电感,因此元件数量较多,占用电路板空间较大,且能量损耗也较高。SIMO简化了设计,让多个输出通道共享单个电感,从而提高了效率并减小了整体尺寸。图4展示了用于为多个输出轨供电的SIMO设计。
采用SIMO转换器作为电源拓扑时,必须考虑多种因素。表4简要列出了这种方案的优点和缺点。
表4.SIMO转换器的优点和缺点
| 优点 | 缺点 |
| SIMO技术通过让多个输出共享单个电感来提高电源效率,减少能量损失——这对于电池供电设备而言是一大福音。 | 与传统电源解决方案相比,SIMO实现方案在控制和调节方面更为复杂。为了实现多输出的稳定性和可靠性,需要精心设计和控制电路。 |
| SIMO仅使用一个电感来实现多个输出,从而缩小了PCB尺寸,这对于紧凑且空间有限的应用而言是一个很大的优势。 | 由于共享单个电感,SIMO支持的输出通道数量通常有限,因此不太适合需要较多电压电平的应用。 |
| 由于元件更少且电路更简单,SIMO可节省制造成本、降低故障风险并提高器件可靠性。 | 由于共享电感需要适应不同的输出电压要求,因此SIMO设计可能难以敏捷响应快速负载变化。 |
| SIMO设计的效率更高,产生的热量更少,因此工作温度较低,器件寿命得以延长,无需复杂的热管理。 | 工程师在SIMO设计中,需要仔细权衡输出通道数量、效率和元件数量。对于特定应用而言,这种权衡可能是一个挑战。 |
| 利用SIMO技术可以打造紧凑且节能的电源解决方案,因此它非常适合可穿戴设备、物联网设备和智能手机。 | 要让现有设备适应SIMO技术,可能涉及大量的重新设计和重新开发工作,这给无缝集成带来了潜在障碍。 |

图4. MAX17270 SIMO转换器配置为提供三个输出轨。

图5.升压转换器LT8336的输出电压为24 V。
升压转换器
升压转换器是一种将输入电压提升至更高输出电压的电源拓扑。升压转换器在微控制器和微处理器中不太常见,但在需要较高内核电压的应用中可找到其身影。在图5中,升压转换器用于提供高压精密放大器的24 V输出轨。
选择升压转换器作为电源拓扑时,必须考虑若干因素。表5清楚概述了这种方案的优点和缺点。
表5.升压转换器的优点和缺点
| 优点 | 缺点 |
| 高压应用的理想之选:升压转换器非常适合要求输出电压高于输入电压的应用。 | 效率低于降压转换器:由于需要提升电压,升压转换器的效率通常低于降压转换器。 |
| 高效提升输入电压:升压转换器可以高效地将输入电压提高到所需的输出电压水平。 | 不建议用于能效优先的电池供电设备:对于注重能效的电池供电设备而言,升压转换器可能并非最佳选择,因为它会消耗更多电力,可能会更快耗尽电池电量。 |
降压-升压转换器
降压-升压转换器兼具降压转换器和升压转换器的功能,可以降低或升高输入电压以提供稳定的输出电压。这种灵活性使其成为电压需求多变的应用场景的理想选择。例如,在图6中,降压-升压转换器用于调节电池堆的输出电压,该电池堆的输入电压可能变化不定。当电池堆处于放电模式时,输入电压大约为4.5 V至5 V,而当电池堆处于充电模式时,电芯电压可能会降至1.5 V至2.7 V。因此,这类应用需要降压-升压转换器。
采用降压-升压转换器作为电源架构时,必须考虑若干因素。表6简要总结了这种方案的优点和缺点。

图6.降压-升压转换器LTC3114-1配置为提供3.3 V输出电压。

图7.LT8631降压转换器性能,由LTpowerCAD® 程序生成。
表6.降压-升压转换器的优点和缺点
| 优点 | 缺点 |
| 灵活支持不同的输入和输出电压:降压-升压转换器支持更宽的输入和输出电压范围,适用于电源要求多样的应用。 | 相较于更简单的转换器,其复杂度适中:降压-升压转换器比降压或升压转换器等较简单的转换器拓扑更复杂。这种复杂性导致设计时可能需要考虑更多因素,并谨慎选择元件。 |
| 非常适合由单电源(如电池)供电的设备:电池供电设备的输入电压可能存在很大变化;无论电池的电量水平如何,降压-升压转换器都能高效地提供稳定的输出电压。 | |
| 采用单电源供电:降压-升压转换器可采用单电源供电,因此适合仅有一个电源可用的应用。 |
选择拓扑时需考虑的因素
能否为微处理器或微控制器正确选择电源拓扑,取决于多种因素。以下是一些重要考虑因素:
- 电源效率:确定设备的电源要求,选择高效的拓扑以尽可能减少能耗和发热。
- 输入电压范围:考虑在设备工作环境中可能存在的输入电压范围。确保所选的拓扑能够适应此类变化。
- 输出电压:确定微处理器或微控制器所需的内核电压。某些拓扑结构(如降压-升压转换器)在这方面更加灵活。
- 尺寸和重量限制:如果应用有空间或重量限制,应选择能够提供紧凑型、轻量级解决方案的拓扑。
- 成本:评估项目的成本约束。对于低功耗应用,线性稳压器可能是高性价比选择,但对于更高功率要求,SMPS解决方案可能更具成本效益。
- EMC考量:如果应用需要符合EMC标准,应确保所选拓扑可以通过适当的布局和滤波来满足这些要求。
- 瞬态响应:考虑电源的瞬态响应。微处理器和微控制器往往会经历负载突变,具有快速稳定响应的拓扑对于防止电压下降或过冲至关重要。
- 可靠性:评估应用的可靠性要求。某些拓扑(如线性稳压器)具有较少的元件,在某些场景中可能更可靠。
- 环境条件:考虑设备的工作环境。对于电池供电的应用,能效至关重要,而对于工业应用,稳健性和抗扰度可能更为关键。
实用的实施技巧
选择合适的电源拓扑后,借助以下一些实用技巧可成功实施:
- 元件选择:选择高质量的元件,包括电感、电容和晶体管,以确保系统稳定可靠地运行。
- 布局和布线:仔细规划PCB上电源电路的布局和布线。尽量减小环路面积,并使用适当的接地技术,以降低噪声并改善EMC性能。
- 滤波:根据需要添加输入和输出滤波器,以抑制EMI并确保输出电压干净稳定。
- 保护:实施过压、欠压和过流保护机制,以保护微处理器或微控制器免受损坏。
- 测试和特性表征:在各种工作条件下对电源电路进行全面测试和特性表征,确保其符合所需的性能规格。
- 散热管理:如果设计涉及功耗,应考虑添加散热器或散热管理解决方案以防止过热。
结语
为微处理器或微控制器选择正确的电源拓扑,是设计过程中的重要一步。每种拓扑都有各自的优点和缺点,选择何种拓扑应根据应用的具体要求决定。为了做出明智的选择以确保设备可靠高效地运行,应考虑电源效率、输入电压范围和输出电压稳定性等因素。
但必须注意的是,实施阶段同样重要。正确的元件选择、谨慎的布局布线和全面的测试,对于充分发挥所选电源拓扑的潜力至关重要。重视这些细节能够让微处理器和微控制器获得高效的供电,从而在各种应用中实现出色的性能。
参考文献
1 “An Introduction to Switch-Mode Power Supplies ”。Maxim Engineering Journal,第61卷,2007年9月。
2 Cary Delano和Gaurav Mital。“SIMO Switching Regulators:Extending Battery Life for Hearables and Wearables ”。Maxim Integrated(现已并入ADI公司),2017年11月。
关于ADI公司
Analog Devices, Inc. (NASDAQ: ADI)是全球领先的半导体公司,致力于在现实世界与数字世界之间架起桥梁,以实现智能边缘领域的突破性创新。ADI提供结合模拟、数字和软件技术的解决方案,推动数字化工厂、汽车和数字医疗等领域的持续发展,应对气候变化挑战,并建立人与世界万物的可靠互联。ADI公司2024财年收入超过90亿美元,全球员工约2.4万人。ADI助力创新者不断超越一切可能。更多信息,请访问www.analog.com/cn。
作者简介
Jan Michael Gonzales是ADI菲律宾公司的产品应用资深工程师。Jan拥有菲律宾马尼拉马普阿大学的电子工程学士学位和电力电子研究生学位。在电力电子领域,包括AC-DC和DC-DC电源转换方面,拥有超过13年的工程经验。Jan于2020年加入ADI公司,目前从事工业应用电源解决方案的精密技术研发工作。
Ralph Clarenz Matociños毕业于菲律宾马尼拉Pamantasan ng Lungsod ng Maynila (PLM),获电子工程学士学位。他在电力电子领域,包括电池管理系统开发和DC-DC电源转换方面,拥有一年多的工程经验和专业知识。 Christian Cruz是ADI菲律宾公司的产品应用资深工程师。他拥有菲律宾马尼拉东方大学的电子工程学士学位。他在电力电子和电源控制固件设计领域,包括电源管理解决方案开发及AC-DC和DC-DC电源转换方面,拥有14年的工程经验。Christian于2020年加入ADI公司,目前从事云计算和系统通信应用的电源管理研发工作。











