2025年3月13日,致力于亚太地区市场的国际领先半导体元器件分销商---大联大控股宣布,其旗下诠鼎推出基于英诺赛科(Innoscience)InnoGaN INN650TA030C、INN650TA050C、INN100EQ016A以及INS1001DE芯片的2KW 48V双向AC/DC储能电源方案。

图示1-大联大诠鼎基于英诺赛科产品的2KW 48V双向AC/DC储能电源方案的展示板图
在实现“双碳”目标的大背景下,风能、光伏等绿色能源形式正逐步成为推动可持续发展的核心动力。然而,自然界的能源供给存在固有的不稳定性,这要求新能源系统在存储与利用过程中必须依赖高效的储能解决方案,以有效平衡供需波动,降低不确定性影响。氮化镓作为半导体领域的明星材料,凭借其超高频、超低损耗的卓越性能,显著提升了能源转换效率与利用水平,在储能技术领域展现出重要价值。针对这一趋势,大联大诠鼎基于英诺赛科InnoGaN INN650TA030C、INN650TA050C、INN100EQ016A以及INS1001DE芯片推出2KW 48V双向AC/DC储能电源方案,可以降低系统损耗。

图示2-大联大诠鼎基于英诺赛科产品的2KW 48V双向AC/DC储能电源方案的场景应用图
储能系统采用氮化镓,一方面可以提升效率,降低损耗,实现无风散热,节省风扇,从而提升系统可靠性和寿命;另一方面还能提升开关频率,减小感性和容性等无源器件尺寸来构建更小、更轻的产品。
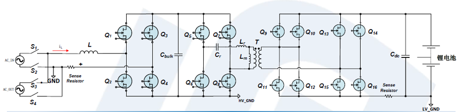
本方案采用All GaN器件,包括前端AC/DC无桥图腾柱PFC和后端DC/DC隔离全桥LLC转换器,支持单双向工作模式。在无桥PFC部分,本方案采用4颗英诺赛科旗下INN650TA030C芯片、LLC原边高压侧搭载4颗INN650TA050C、副边低压侧配备8颗INN100EQ016A、高压管驱动器搭配自研的INS1001DE,与传统IGBT/Si方案相比,本方案可以提供更快的开关速度、更小的开关损耗,从而保持更小的系统体积和更高的效率。

图示3-大联大诠鼎基于英诺赛科产品的2KW 48V双向AC/DC储能电源方案的方块图
此次推出的All GaN器件2KW 48V双向AC/DC储能电源方案,不仅是大联大对当前市场需求的精准回应,更是公司对绿色、高效、智能能源体系的前瞻布局。未来,大联大将秉持开放合作的理念,携手更多志同道合的伙伴,共同加速新能源产业的革新步伐,为实现全球碳中和的宏伟目标注入强劲动能。
核心技术优势:
- 整流和逆变峰值效率96.1%,相较IGBT/Si方案,系统损耗减少40%;
- PFC工作频率65KHz、LLC谐振频率200KHz、相较IGBT/Si方案,系统功率密度提升1倍。
方案规格:
- 整流:输入电压范围为180Vac~264Vac,输出48V/41.6A,满载最大功率2000W,峰值效率高达96.1%@50%负载;
- 逆变:输入电压范围为45Vdc~55Vdc,输出220Vac/9.1A,最大稳态工作功率2000W,峰值效率高达96%@50%负载;
- PCBA尺寸:248mm×120mm×45mm;
- 开关频率:
- PFC:65KHz;
- LLC:200KHZ;
- 高功率密度:2.447W/inch³;
- 保护功能齐全:输入过压保护/欠压保护/输入过流保护/输出短路及过流过压保护/过温保护。
本篇新闻主要来源自大大通:
基于InnoGaN INN650TA030C & INN650TA050C 设计的2KW 48V双向ACDC储能电源方案
如有任何疑问,请登陆【大大通】进行提问,超过七百位技术专家在线实时为您解答。欢迎关注大联大官方微博(@大联大)及大联大微信平台:(公众账号中搜索“大联大”或微信号wpg_holdings加关注)。
关于大联大控股:大联大控股是致力于亚太地区市场的国际领先半导体元器件分销商,成立于2005,今年喜迎20周年,总部位于台北,旗下拥有世平、品佳、诠鼎及友尚,员工人数约5,000人,代理产品供应商超过250家,全球69个服务据点,2024年营业额达新台币8,805.5亿元。大联大开创产业控股平台,专注于国际化营运规模与在地化弹性,长期深耕亚太市场,以「产业首选 ‧ 通路标竿」为愿景,全面推行「团队、诚信、专业、效能」之核心价值观,连续24年蝉联「全球分销商卓越表现奖」肯定,同时持续致力于强化ESG永续发展,连续3年荣获国际肯定,MSCI ESG评级A级殊荣。面临新制造趋势,大联大致力转型成数据驱动(Data-Driven)企业,建置在线数字平台─「大大网」,并倡导智能物流服务(LaaS, Logistics as a Service)模式,协助客户共同面对智能制造的挑战。大联大从善念出发、以科技建立信任,并以「共创伙伴价值 ‧ 成就未来」为企业宗旨,期望与产业「拉邦结派」共建大竞合之生态系。











