作者:安森美产品线经理 Wonhwa Lee

如今所有东西都存储在云端,但云究竟在哪里?
答案是数据中心。我们对图片、视频和其他内容的无尽需求,正推动着数据中心行业蓬勃发展。
国际能源署 (IEA) 指出,[1]人工智能 (AI) 行业的迅猛发展正导致数据中心电力需求激增。预计在 2022 年到 2025 年的三年间,数据中心的耗电量将翻一番以上。 这不仅增加了运营成本,还给早已不堪重负的老旧电力基础设施带来了巨大的压力,亟需大规模的投资升级。
随着数据中心耗电量急剧增加,行业更迫切地需要能够高效转换电力的功率半导体。这种需求的增长一方面是为了降低运营成本,另一方面是为了减少温室气体排放,以实现净零排放的目标。此外,业界也在不断追求成本更低、尺寸更小的电源系统。
散热是数据中心面临的另一个重大挑战。据估计,当今大多数数据中心散热系统的电力消耗占比超过 40%。[2]实际上,对于电源效率,浪费的能源主要以热量形式散失,而这些热能又需要通过数据中心的空调系统排放出去。因此,电源转换效率越高,产生的热量就越少,相应地,在散热方面的电费支出也就越低。
数据中心的 AC-DC 转换要求
让我们更详细地了解数据中心电源系统的需求,以及器件供应商应对这些挑战的做法。数据中心内的功率密度正加速攀升,电源供应器 (PSU) 供应商致力于提高标准 1U 机架的功率能力(图 1)。大约十年前,每个机架的平均功率密度约为 4 至 5 kW,但当今的超大规模云计算公司(例如亚马逊、微软或 Facebook)通常要求每个机架的功率密度达到 20 至 30 kW。一些专业系统的要求甚至更高,要求每个机架的功率密度达到 100kW 以上。[3]

| Grid power | 电网电源 |
| GPU power | GPU 电源 |
| Utility Grid | 公用电网 |
| Transformer | 变压器 |
| Diesel Generator | 柴油发电机 |
| Rack | 机架 |
| Tray | 托盘 |
| Power Supply | 电源 |
| Intermediate Converter | 中间转换器 |
| GPU Power Converter | GPU 电源转换器 |
| Core Power | 内核电源 |
图 1:数据中心的电力输送 - 从电网到 GPU
由于电源存放空间以及用于散热和管理电源转换热损耗的空间有限,高功率密度要求电源采用紧凑的小尺寸设计,并同时具备高能效特性。
然而,挑战不仅在于提高整体能效,电源还必须满足数据中心行业的特定需求。例如,所有 AI 数据中心 PSU 都应满足严格的 Open Rack V3 (ORV3) 基本规范。
最近,服务器机架提供商推出了一种新型 AC-DC PSU,其标称输入范围为 200 至 277 VAC,输出为 50 VDC,符合 ORV3 标准。该标准要求在 30% 至 100% 负载条件下峰值效率达到 97.5% 以上,在 10% 至 30% 负载条件下最低效率达到 94%。
服务器机架电源供应器的拓扑选择
功率因数校正 (PFC) 级是 PSU 中 AC-DC 转换的关键组成部分,对于实现高能效非常重要。PFC 级负责整形输入电流,以尽可能放大有用功率与总输入功率之比。为满足 IEC 61000-3-2 等法规中的电磁兼容性 (EMC) 标准,并确保符合 ENERGY STAR® 等能效规范,PFC 设计也是关键所在。
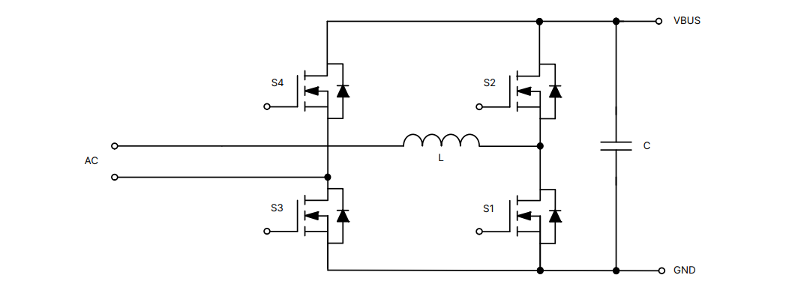
对于数据中心等许多应用,最好选用“图腾柱”PFC 拓扑来设计 PFC 级。该拓扑通常用于数据中心 3 kW 至 8 kW 系统电源中的 PFC 功能块(图 2)。图腾柱 PFC 级基于 MOSFET,通过移除体积大且损耗高的桥式整流器,提高了交流电源的能效和功率密度。

图 2:图腾柱 PFC 级
然而,为了实现超大规模数据中心公司要求的 97.5% 或更高的能效,图腾柱 PFC 需使用基于“宽禁带”半导体材料(如碳化硅 (SiC))的 MOSFET。如今,所有 PFC 级均采用 SiC MOSFET 作为快速开关桥臂,并使用硅基超级结 MOSFET 作为相位或慢速桥臂。
与硅 MOSFET 相比,SiC MOSFET 性能更优、能效也更高,且稳健可靠,在高温下表现更出色,可以在更高的开关频率下运行。
与硅基超级结 MOSFET 相比,SiC MOSFET 在输出电容中储存的能量 (EOSS) 较低,而这对于实现低负载目标至关重要,因为 PFC 级的开关损耗主要来源于 EOSS 和栅极电荷相对较高的器件。较低的 EOSS 可大大减少开关过程中的能量损失,从而提高图腾柱 PFC 快速桥臂的能效。此外,由于 SiC 器件具有出色的热导率,相当于硅基器件的三倍,因此与硅基超级结 MOSFET 相比,SiC MOSFET 具有更好的正温度系数 RDS(ON)。
下图为 650V SiC MOSFET 导通电阻与结温的关系。(图 3)(结温为 175℃ 时的导通电阻比室温时的导通电阻高 1.5 倍。)

| Drain to Source On Resistance (Normalized) | 漏源导通电阻(归一化) |
| TJ, Junction Temperature (°C) | TJ,结温 (°C) |
图 3:650V SiC MOSFET 导通电阻与结温的关系
同样,下图(图 4)为 650 V 超级结 MOSFET 的导通电阻与结温的关系。结温为 175℃ 时的导通电阻比室温下的导通电阻高 2.5 倍以上。

| RDS (ON), Drain-Source On-Resistance (Normalized) | RDS(ON),漏源导通电阻(归一化) |
| TJ, Junction Temperature (°C) | TJ,结温 (°C) |
图 4:650 V 硅基超级结 MOSFET 导通电阻与结温的关系
比较额定 RDS(ON) 类似的硅基 650 V 超级结 MOSFET 与 650 V SiC MOSFET,在结温 (Tj) 为 175℃ 时,前者的导通电阻 (RDS(ON)) 提高到约 50 mohm,而此时后者的 RDS(ON) 约为 30 mohm。在高温运行期间,650 V SiC MOSFET 的导通损耗更低。
在图腾柱 PFC 慢速桥臂功能块和 LLC 功能块中,导通损耗占总功率损耗的大部分。SiC MOSFET 在较高结温下的 RDS(ON) 较低,有助于提高系统能效。
得益于在高温下 RDS(ON) 增幅较小且 EOSS 出色,SiC MOSFET 在图腾柱 PFC 拓扑中表现突出,更有助于提高能效并减少能量损失。
新型 SiC MOSFET 技术实现出色的系统能效
安森美 (onsemi) 的 650V M3S EliteSiC MOSFET(包括 NTBL032N065M3S 和 NTBL023N065M3S)提供优越的开关性能,并大大提高了 PFC 和 LLC 级的系统能效。 M3S EliteSiC 技术性能远远超过其前代产品,其中栅极电荷降低了 50%,EOSS 降低了 44%,输出电容 (QOSS) 中存储的电荷也减少了 44%。用于 PFC 级的硬开关拓扑中时,出色的 EOSS 性能可进一步提高轻载下的系统能效。此外,较低的 QOSS 简化了 LLC 级软开关拓扑的谐振储能电感设计。
得益于出色的开关性能和能效,M3S EliteSiC MOSFET 散发的热量更少。除了有助于减小数据中心的散热要求之外,该器件还能在高工作频率的 PFC 和 DC-DC 功能块中(例如电动汽车 (EV) 的壁挂式直流充电桩中)以较低温度运行。
此外,在相同电压等级下,M3S EliteSiC MOSFET 的栅极电荷 Qg 更加优越,并能降低栅极驱动损耗。同时,出色的 Qgs 和 Qgd 也有助于降低开关导通和关断损耗。在 LLC 功能块中,当 VDS 从关断状态转换到二极管导通状态时,需要对输出电容进行充电。为了快速完成这一过程,必须使用低瞬态输出电容 (COSS(TR))。瞬态 COSS 在这里之所以非常重要,是因为它可以最大限度地减少谐振储能的循环损耗,并缩短 LLC 的死区时间,从而减少初级侧的循环损耗。低导通电阻能够尽可能地减少导通损耗,而低 EOFF 有助于进一步降低开关损耗。总体而言,提升系统能效是一大关键性能标准,这使得 SiC MOSFET 成为数据中心 PFC 和 LLC 级的优选方案。
新型 EliteSiC MOSFET 也非常适合能源基础设施应用,例如光伏 (PV) 发电机、储能系统 (ESS)、不间断电源 (UPS) 和电动汽车充电站。设计工程师可以使用 M3S EliteSiC MOSFET 来减小整体系统尺寸,进而帮助提高工作频率。从系统角度来看,与硅基 650 V 超级结 MOSFET 相比,M3S EliteSiC MOSFET 可帮助设计工程师降低系统成本。
总之,在成本、EMI、高温运行和基于相同 RDS(ON) 的开关性能方面,新型 EliteSiC MOSFET 可以与市场上的超级结 MOSFET 相媲美。相较于超级结 MOSFET,采用相同封装的 650V M3S EliteSiC MOSFET 可实现更低的 RDS(ON),有助于提高 LLC 拓扑的系统能效。与其他硅基替代器件相比,其突出优势在于开关损耗显著降低。

图 5:650V M3S EliteSiC MOSFET 的优势
| EMPOWER AI 650V M3S EliteSiC MOSFETS Significant Performance Improvement | 赋能 AI 650V M3S EliteSiC MOSFET 性能提升显著 |
| EXCELLENT Eoss TO IMPROVE PFC EFFICIENCY | 出色的 Eoss 有助于提高 PFC 能效 |
| MEET OPEN RACK V3 BASE EFFICIENCY | 满足 OPEN RACK V3 基本能效标准 |
| EXCELLENT SWITCHING PERFORMANCE | 出色的开关性能 |
| INCREASE SYSTEM POWER DENSITY | 提高系统功率密度 |
| LESS Qoss FOR EASY INDUCTANCE DESIGN | 更低的 Qoss 简化电感设计 |
结论
本文简要探讨了超大规模数据中心日益增长的电力需求对高效电源转换提出的更高标准。人工智能有望引领世界变革,为了让我们现有的电网能够满足 AI 驱动的云计算迅猛发展的需求,我们迫切需要提高能效。 采用 SiC MOSFET 可以显著提高 PFC 和 LLC 级的能效。安森美的 650 V M3S EliteSiC MOSFET 能够大幅提升超大规模数据中心的 PFC 和 LLC 级的能效。650 V M3S EliteSiC MOSFET 具有更低的栅极电荷、EOSS 和 QOSS,可以提高能效并简化 PFC 和 LLC 级中的硬开关拓扑设计,从而有助于减少电力消耗,降低运营成本。
[1] https://datacentremagazine.com/data-centres/ai-boom-will-cause-data-centre-electricity-demand-to-double
[2] https://theodi.org/news-and-events/blog/data-centres-cloud-infrastructures-and-the-tangibility-of-internet-power/
[3] https://www.sdxcentral.com/articles/analysis/data-center-rack-density-how-high-can-it-go/2023/09/











