作者:Suraj Pai,产品应用工程师
Vikash Sethia,资深应用工程师
摘要
当拉/灌电流数模转换器(IDAC)驱动负载时,通道电源电压(PVDD)和输出负载电压的差值会以电压降的形式作用于负载上。这会导致片内功耗,进而造成芯片温度过高,不仅影响可靠性,还可能降低系统整体效率。为了解决上述问题,本文介绍了一种简易的动态功率控制方法。同时,通过采用集成ADI公司最新单电感多输出(SIMO)技术的DC-DC转换器,还有助于缩小解决方案尺寸。借助动态功率控制,IDAC电源电压维持在极低水平,确保IDAC通道在任何给定输出电流和负载电压下都能正常运行,从而尽量降低片内功耗。
原理
IDAC的输出级
图1显示了IDAC的简化输出级。需要注意的是用于拉(灌)电流的输出PMOS (NMOS)驱动级。MOS级的源极连接到负载,因此负载电压决定了IDAC的工作状态。为了用精准的电流驱动负载,负载电压应足够低(对于灌电流来说应足够高),以使输出器件保持饱和状态,进而维持高输出阻抗。

图1.IDAC的输出级
热约束
因此,IDAC的输出级在提供输出电流的同时,会消耗全部的电压裕量,即电源电压与负载电压的差值。这会导致输出级产生功耗,进而使器件温度升高。片内功耗就是裕量电压与输出电流的乘积。
片内功耗会导致芯片的结温上升至建议的工作限值以上,对具有高通道密度或较高环境温度的系统而言可能是个大问题。
假设一个IDAC通道为10 Ω负载提供最大300 mA的输出电流,IDAC电源PVDD为3.5 V,相应的负载电压VOUT为3 V,如图1所示。因此,裕量电压为0.5 V,片内功耗约为0.5 V × 300 mA = 0.15 W。如果随后让IDAC通道提供低于满量程的电流,或者降低负载阻抗,则负载电压会降低,多余的裕量会作用在输出MOS级上,表现为片内散热。
器件结温与功耗的关系如公式1所示。

其中:
TJ是结温。
PDISS是片内功耗。
θJA是结热阻,通常在数据手册中提供。
TA是环境温度。
也可以从另一个角度来看待公式1:对于给定的功耗,可以确定器件所能承受的最高环境温度,如公式2所示。

对于49引脚WLCSP封装,最大结温TJ(MAX)不能超过115°C,该封装的热阻θJA为30°C/W。在上例中,单个IDAC通道的内部功耗PDISS为0.15 W,故温升为0.15 W × 30°C/W = 4.5°C。最高安全环境温度降低至110.5°C。
如果单个封装中有四个通道,每个通道的内部功耗为0.15 W,则片内总功耗为0.6 W。四个通道导致的温升为PDISS × θJA = 0.6 W × 30°C/W = 18°C。因此,最高安全环境温度进一步降低,仅有97°C。
在当今的光通信系统中,通道密度要求不断提高,97°C的TA(MAX)显然会成为终端应用中的一个问题。在单个电路板或系统中,通常使用多通道电流输出DAC来驱动光负载,例如激光二极管、硅光放大器和硅光电倍增管。此外,高密度设计可能会导致系统温度显著升高。
动态功率控制
使用动态变化的PVDD电源电压可以缓解片内功耗过大的问题,这种方法也被称为动态功率控制(DPC)。DPC力求根据任何特定的输出电流和负载电压,提供刚好能够保证IDAC通道正常工作的PVDD电源电压。
DPC有多种不同的实现方法。一种方法是利用ADC检测负载电压,再由微控制器计算所需的PVDD电压。然后,该电源电压可由另一个电压或拉/灌电流DAC设置,甚至由所用IDAC的另一个通道来设置。
DAC可以通过多种方式来改变PVDD。图2和图3分别显示了利用电压和电流输出DAC来调节开关模式稳压器的输出,该稳压器具有可编程输出和反馈(FB)节点。

图2.利用电压输出DAC改变DC-DC转换器的输出

图3.利用拉/灌电流DAC改变DC-DC转换器的输出
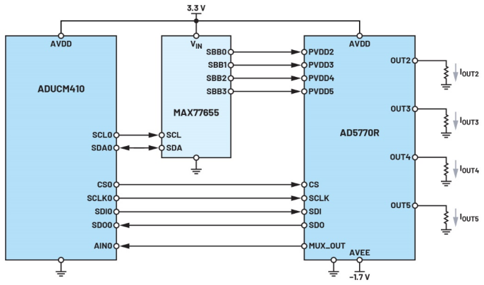
本文详细介绍了IDAC AD5770R动态功率控制的一种简单实现方案,它使用精密模拟微控制器ADuCM410作为主机,并采用了SIMO开关稳压器MAX77655。

图4.动态功率控制解决方案的实现
对于ADI公司的其他IDAC系列,可以采用ADI公司的其他开关稳压器来实现这种解决方案。MAX77655使用I2C总线控制其输出电压,因此不需要前面提到的DAC。
测试动态功率控制
图4显示了用于展示动态功率控制优势的完整系统设计。SIMO稳压器通道用于为IDAC的各个PVDD电源供电。主机微控制器用于控制稳压器输出和IDAC输出电流。IDAC内置诊断多路复用器,可提取每个通道的输出电流和负载电压。主机控制器的内置模数转换器(ADC)用于检测IDAC的多路复用输出并将其数字化。
DPC算法有多种形式,但大致可以分为两类:一类用于IDAC驱动已知阻抗的情况,另一类用于IDAC驱动未知或变化阻抗的情况。
对于已知阻抗,微控制器可以通过计算得知所需的最小电源电压,并相应地设置PVDD电源电压。
对于未知阻抗,或者更常见的是,对于阻抗随温度而变化的负载,主机控制器可以在PVDD电源电压足够高的时候,首先检测负载电压。然后,控制器可以将PVDD电源电压降至最优值,即负载电压和最小裕量电压之和。此步骤可以在每次IDAC通道数字码改变时触发,或者以固定的时间间隔触发,具体触发方式取决于最终应用的需求。
无论采用何种方法,值得注意的一个关键规格是IDAC的最小裕量电压规格。PVDD电源电压和负载电压的任何差异都会作用在IDAC输出级上,导致片内散热。
结果
出于演示目的,图5仅绘制了一个IDAC通道(IDAC5)的结果,其满量程电流范围为100 mA,用于驱动22 Ω负载。需要注意的是,该IDAC的最小(PVDD–AVEE)电源要求为2.5 V,最小裕量电压为0.275 V。主机微控制器上运行的固件代码必须遵守这些限制。

图5.片内功耗比较及PVDD电源电压
片内功耗利用PVDD电源电压和负载电压的差值来计算。我们计算了两种情况下的功耗:一种是有DPC,一种是没有DPC。在没有DPC的情况下,PVDD电源电压固定在2.5 V,AVEE = 0 V。
通过测量开关稳压器3.3 V输入端和IDAC的AVDD引脚的电流,还可以得到系统的总功耗。图6显示了在0 mA至100 mA的整个电流范围内,系统从3.3 V电源消耗的总功率。

图6.有DPC和无DPC两种情况下的系统总功耗
图7和图8显示了在PVDD和IDAC通道引脚上观察到的纹波图。IDAC由开关稳压器输出直接驱动(如图4所示),因此预计会出现一定量的纹波,具体大小取决于IDAC的交流电源抑制比(PSRR)规格。交流PSRR衡量输出电流对DAC电源交流变化的抑制能力。如果应用需要,可以优化SIMO的输出电容和/或在SIMO PMIC输出端使用滤波器,从而进一步消除纹波。这些曲线图是在SIMO输出端和IDAC电源引脚之间使用LC滤波器后获得的。建议使用低ESR的电感,因为IDAC可以提供或吸收大量电流。

图7.使用交流耦合输入的IDAC5 100 mA范围的满量程纹波图(交流耦合)

图8.使用交流耦合输入的IDAC5 100 mA范围的半量程纹波图(交流耦合)
实现方案
根据最终应用,硬件实现可以采用不同的形式。图11显示了两种方案:一种采用单极性电源,仅有MAX77655(顶部);另一种采用双极性电源,外加了DC-DC转换器ADP5073(底部)以提供负电源。这两种情况都没有显示微控制器。如图所示,两种方案都非常紧凑,尺寸分别为1.275" × 0.605"和1.502" × 0.918"。两种方案均未经过评估,仅用于演示解决方案的紧凑性。结果是使用分立电路板获得的。图9和图10显示了相关解决方案的3D渲染效果。

图9.采用单极性电源的最终解决方案的3D效果图

图10.采用双极性电源的最终解决方案的3D效果图

图11.使用SIMO PMIC作为电源解决方案的布局示例。上方:单极性电源。下方:双极性电源。
结论
总而言之,动态功率控制能够减少电流输出DAC的片内功耗,并降低总功耗,同时不会对负载运行造成不利影响。SIMO拓扑的开关稳压器是驱动AD5770R等IDAC的理想解决方案,而且在布局上非常紧凑,能效也很出色。
关于ADI公司
Analog Devices, Inc. (NASDAQ: ADI)是全球领先的半导体公司,致力于在现实世界与数字世界之间架起桥梁,以实现智能边缘领域的突破性创新。ADI提供结合模拟、数字和软件技术的解决方案,推动数字化工厂、汽车和数字医疗等领域的持续发展,应对气候变化挑战,并建立人与世界万物的可靠互联。ADI公司2024财年收入超过90亿美元,全球员工约2.4万人。ADI助力创新者不断超越一切可能。更多信息,请访问www.analog.com/cn。
作者简介
Suraj Pai于2017年获得班加罗尔R.V.工程学院电子与通信工程学士学位,之后加入ADI印度公司,在精密转换器部门担任应用工程师。
Vikash Sethia是精密转换器部门的一名资深应用工程师,工作地点位于印度班加罗尔。Vikash的工作侧重于精密数模转换器,包括集成混合信号设计和系统级封装解决方案。他于2018年加入ADI公司。2004年,他毕业于印度理工学院(Powai校区),获电气工程硕士学位。2001年,他毕业于印度古瓦哈提阿萨姆工程学院,获电子与通信工程学士学位。











