The higher efficiency of GaN is being used for low-power indicator lights in wearable and energy-harvesting designs. This article looks at how the latest LED technology can be used to provide vital feedback in ultra-low-power systems.
Gallium Nitride (GaN) turns out to be a very interesting material for energy-harvesting systems. The band gap of 3.5 eV lends itself well to building light-emitting LED devices, and the higher electron mobility and higher efficiency over silicon allow these LEDs to run at lower currents, opening them up to the ultra-low-power applications that can be powered by energy harvested from the environment. Not only is GaN an exciting material for LEDs, but there is research into how the material can also be used as a piezoelectric device to generate power itself from movement. These two trends are directing GaN into exciting new areas in wearable and medical electronics.
It has traditionally been hard to make cost-effectively in volume, as the substrates for the GaN structures have been silicon carbide (SiC) or sapphire to handle the heat that the devices can generate. Recent developments have seen low-cost silicon substrates used instead, allowing standard CMOS equipment and silicon wafers to be used, bringing the cost of GaN-based LEDs down dramatically. This opens up the possibility of using such LEDs at lower power levels on flexible substrates and in wearable designs.
The key issue for energy-harvesting applications is of course the power consumption. However, as these are high-brightness LEDs, the devices can be reduced in both size and power and still provide light for a range of wearable designs such as system monitors, and even as decoration in the material.
Pure GaN LEDs are at the UV and blue end of the spectrum and were originally used as the laser in Blu-ray systems, but can be doped with Indium and aluminum to generate green and white light. This makes use of the higher electron mobility and band gap of GaN and provides a range of colors for the LEDs.
These can be powered by energy harvested from movement via vibration or solar cells. The vibration energy from movements can be captured by piezo electric devices, such as the Mide V22B, which feed into a power management sub-system that either provides the power directly to the LEDs or, more commonly, charges a battery as a store for the energy.
Some researchers have been looking at further integration of GaN for LEDs and also using nanowires as piezo electric generators so that the material is also used to generate the power needed.
Chih-Yen Chen at the School of Materials Science and Engineering at the Georgia Institute of Technology has been leading a team of researchers from the National Tsing-Hua University in Taiwan, Beijing University in China, and the Department of Metallurgical and Materials Engineering at the University of Alabama on luminous LED modules based on n-GaN nanowires on a p-GaN substrate. It turns out that the GaN nanowire LED can be lit by the power provided by a zinc oxide (ZnO) nanowire-based nanogenerator, demonstrating a self-powered LED.

Figure 1: An array of GaN nanowires creating a nanoscale piezoelectric energy generator for self-powered LEDs.
Nanowire-based GaN LEDs are particularly interesting as a result of the higher lumens, higher efficiency, and lower power consumption than traditional lighting modules. The LED is built by e-beam lithography using nanowires 3 to 4 μm long and 5 nm in diameter. While this is not a commercial process, it shows it would be possible to have generated an effective light-emitting area of around 30,000 μm².
The team has also developed piezoelectric nanogenerators based on GaN nanowires that are providing an output power density of nearly 12.5 mW/m² with a voltage of 25 mV. If these nanowires can be woven into a material, this can be used to capture the power generated by movement as an intrinsic part of the clothing, generating plenty of power. However, using ZnO provides a 20 V output for the GaN LED.
For the energy-harvesting process, a circuit is connected in the charging loop with NGs and a rectifying diode bridge to store generated charge in a 47 μF capacitor. After a sufficient charging process, the connection is changed to the discharging loop when it was ready to light up the GaN nanowire LED. In the 10-layer ZnO integrated generator, one capacitor is fully charged to 2 V after 503 seconds, then ten charged capacitors are connected in series to work as a power supply of approximately 20 V. When the switch is connected with the discharging loop, the GaN NW LED lights up for 3 seconds.
Similar work is being done by Prof. Keon Jae Lee at the KAIST Institute in South Korea. He has demonstrated flexible GaN LEDs that have been built on bulk wafers and then transferred to a plastic substrate so they can be used in flexible and wearable applications, as well as implanted in biomedical systems (Figure 2). These could potentially use the LEDs to light up blood vessels with a sensor to detect changes, powered by energy harvested from vibrations or ion exchange using a thin-film BaTiO3 nanogenerator on a plastic substrate.

Figure 2: Using GaN nanowire LEDs on a flexible plastic substrate.
This is of course only research, but demonstrates the opportunities that GaN can provide for both LEDs and nanogenerators.
Today, the option is to mount the GaN LEDs on a board to be integrated into the wearable application, usually by sewing it into the cloth. This can then combine the power management and energy sources with the control system and any wireless links. The GaN LEDs can be used as monitoring lights, but they can also be used as more complex displays if they are mounted as an array. These can then be controlled either by a plug-in cable to download a program, or by a wireless link powered by the same energy.
With a very-low-power budget from the energy-harvesting source, reducing the power consumption of the array of LEDs is vital. The higher efficiency of the GaN LEDs allows a lower current to be used, allowing more LEDs in the array for a given power budget.
Such a board can use low-profile, low-current GaN LEDs from Lite On, ROHM, and Dialight for the array. These have current consumption as low as 2 mA for a board in a wearable design.
Power sources
Considering an energy-harvesting power source and management sub-system for a wearable application has a number of constraints. Some power converters such as Peltier devices for converting thermal energy may be too bulky, while harvesting RF energy will not provide enough power.
There is also the storage mechanism to consider, as bulky supercapacitors cannot be used. Instead, a highly-efficient power-management IC can interface the power source to a small rechargeable battery that can be part of a self-contained unit that is sewn into the clothing.
One of the key sources for power in a wearable system is vibration, which can be captured by larger-scale piezoelectric devices such as the Midé Technology V22B (Figure 3). This is a cantilever piezoelectric crystal that can be used to harvest energy from such sources of vibration as low as 26 Hz for a power system in a shoe. Midé provides a standalone characterization system that can capture data in hard-to-reach areas to allow the crystal to be matched with the application. A built-in timer allows the capture of many different types of vibration and a simple USB interface allows the user to easily characterize any vibration. This can also help make sure that the crystal is not exposed to excessive vibrations that can damage the device and shorten its useful life.

Figure 3: The V22B piezoelectric crystal for harvesting vibrational energy.
Harvesting the energy is not just about the generator. The power conversion is also critical, especially around the body. Linear Technology has integrated a low-loss full-wave bridge rectifier with a high-efficiency buck converter that is optimized for such high-output impedance energy sources. The LTC3588-2 is an ultra-low quiescent current under-voltage lockout (UVLO) mode with a 16 V rising threshold to provide efficient energy extraction from piezoelectric transducers with high open-circuit voltages.
This gathers the energy and converts it to a useable output voltage to power the LED board in the wearable system. Despite the efficiency, the LED application may require more peak power than a typical piezo crystal can produce, so the IC accumulates energy over a longer period to enable efficient use for short power bursts. The frequency of bursts allowed is directly proportional to the power coming in from the piezo and the total energy per burst.
The input and output capacitors depend on the energy needs and load requirements of the application. For 100 mA or smaller loads, storing energy at the input takes advantage of the high voltage input as the buck converter on the chip can deliver 100 mA average current efficiently to the load. The input capacitor should then be sized to store enough energy to provide output power for the length of time required, while also not dropping to the under-voltage lockout falling threshold (UVLO falling). This threshold is approximately 300 mV above the selected regulated output.
The buck converter is also optimized to work with an inductor in the range of 10 µH to 100 µH. 10 µH is adequate for space-limited applications, but 100 µH may provide greater efficiency, particularly as the ratio between input and output voltage increases. The inductor should also have a DC current rating greater than 350 mA as lower values can reduce the efficiency of the buck converter.
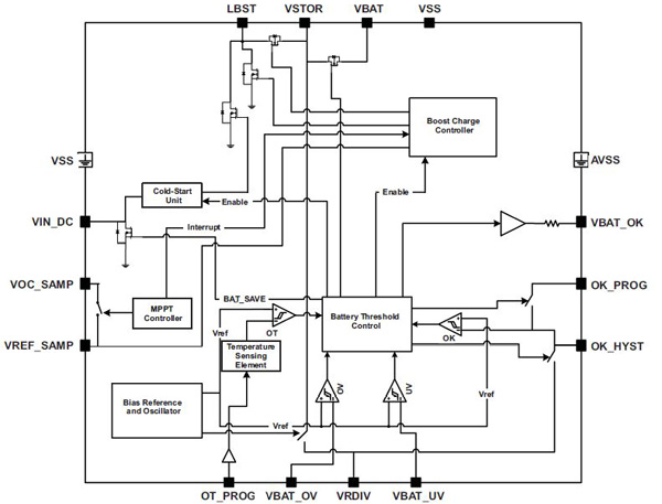
Solar energy is also an option for powering the GaN LEDs in a wearable system. The bq25504 from Texas Instruments can be used to manage the power from a solar cell in a wearable system, using a highly-efficient DC-DC boost converter/charger that requires only microwatts of power to begin operating.

Figure 4: The bq25504 boost converter for managing power between solar cells and a GaN LED array.
Once started, the boost converter/charger can effectively extract power from low-voltage output harvesters such as thermoelectric generators (TEGs) or single- or dual-cell solar panels. The boost converter can be started with VIN as low as 330 mV, and once started, can continue to harvest energy down to VIN = 80 mV.
The bq25504 also implements a programmable maximum power-point tracking sampling network to optimize the transfer of power into the device. Sampling the VIN_DC open-circuit voltage is programmed using external resistors and held with an external capacitor.
The bq25504 was designed with the flexibility to support a variety of energy-storage elements. The availability of the sources from which harvesters extract their energy can often be sporadic or time-variant. Systems will typically need some type of energy-storage element, such as a re-chargeable battery, supercapacitor, or conventional capacitor. The storage element will make certain constant power is available when needed for the systems. The storage element also allows the system to handle any peak currents that cannot directly come from the input source.
Conclusion
Research is demonstrating that GaN has tremendous potential for energy-harvest systems, both for highly-efficient LED displays and also as a piezoelectric energy generator. Today, the increasing efficiency of GaN processing and the falling costs allow designers, for the first time, to build LED arrays that can be powered by energy harvested from the environment. The power management and storage capabilities combine with proven vibrational and solar cell technology to capture, generate, and deliver that power to the LEDs.
Future systems could see large arrays of GaN nanowires act as generators, woven into the fabric of the clothing and including self-powered LED arrays deriving their power from the movement of the cloth. This will open up dramatic new applications based on GaN technology.











