自主驾驶车辆无线电链路一直在发展变化。 诸如 5.9 GHz 近程数字通信 (DSRC) 之类规范,起初作为收费站的车辆至基础设施 (V2I) 系统规范,后来转而运用于其它基础设施应用,如提供限速信息,以使摄像头无需探测道路标记。
然而,由于全球的频段分布已经发生了变化,且 V2I 基础设施尚未广泛分布,因此限制了自主操作的无线电技术的使用。 通过提供限速数据和其它有用信息,来自路边装置 (RSU) 的数据能协助自主控制系统,这些信息如附近车辆的位置、速度和行驶方向,抑或是通过其它方式看不到的位于拐角的车辆。 但这些数据并不能总由 RSU 提供,所以,车辆在无法提供这些数据的路上行驶时,必须配备摄像头等其它检测系统。 这就意味着增加开发成本和复杂性。
所以直到最近,在无线链路方面的要求才被视为自主驾驶车辆运行的一个基本要素。 尽管最初的开发重点关注自主控制系统,但近来更多的设计则认可需要采用无线链路来适应大量不同的应用。
这包括各种不同的应用,从下载最新地图数据让车辆知道确切的含义,到从其它车辆接收交通信息。 无线链路也可用于“列队行驶”,让车辆,尤其是卡车之间保持恒定车距。

图 1:通用汽车是率先使用车辆间数字近程通信链路的汽车制造商之一,从 2016 年底开始便在其凯迪拉克 CTS 上使用该技术。
虽然多家汽车制造商已采用 DSCR 技术,如通用汽车在其 2016 年底发布的凯迪拉克 CTS 上采用了该技术,但 LTE 蜂窝技术也在作为一种可能的无线连接技术处于检测阶段。
不过,LTE 网络的延迟仍是一个问题,对于 V2V 应用时尤为严重。 来自车辆的数据从 LTE 模块流向基站,再通过运营商网络流回车辆附近的相同基站。 DSRC 数据则直接在车辆间流动。

图 2:自主驾驶车辆无线链路的 DSRC 和蜂窝技术的不同用途(感谢 NXP 提供资料)。
因此,与之相反,基于 LTE 的信息娱乐子系统用于向无人驾驶车辆的乘员提供信息娱乐服务,而基于 DSCR 的 V2X 子系统则用于提供安全数据。 信息娱乐子系统按价而定,而 V2X 则要依据一定的标准将加密技术、更低的延迟和可靠性作为关键特性。
例如,沃尔沃曾使三辆卡车列队横跨欧洲,在此期间使用 802.11p 无线技术在首车与其它两辆车之间进行直接通信。 通信系统与基于雷达的自适应巡航控制系统直接连接,使相邻两车之间保持 1 秒的车距。 这样即可让这些车辆自主驾驶。
IEEE 802.11p 标准采用 5.9 GHz 频段 (5.850-5.925 GHz) 中的 75 MHz 带宽信道,而 DRSC 则使用 5.725 MHz 至 5.875 MHz 频段。 两者均使用 802.11a Wi-Fi 一半的带宽或者双倍传输时间,以使接收器能更可靠地处理由其它车辆或房屋反射的回波信号。
信道带宽 (MHz)
20
10
比特率 (Mbps)
6, 9, 12, 18, 24, 36, 48, 54
3, 4.5, 6, 9, 12, 18, 24, 27
OFDM 符号持续时间 (μs)
4
8
保护持续时间 (μs)
0.8
1.6
前导码持续时间 (μs)
20
40
副载波间隔 (kHz)
312.5
156.25
图 3:802.11a 和 802.11p 标准的不同之处(感谢 MathWorks 提供资料)。
尽管 802.11p 是 DSRC 的基本协议标准,但目前在欧洲还未实现完全兼容。 所以,为能确保在全欧洲范围内的互操作性,进行标准化是根本要求。
DSRC 技术由现有的 Wi-Fi 802.11ac 技术发展而来,具体器件如 Cypress BCM89359。 该器件是首款 Wi-Fi/智能蓝牙 2X2 MIMO 组合芯片,支持实时同步双频段 (RSDB),也是一个独立的三模智能蓝牙(4.2 版)片上系统 (SoC)。 该器件经过优化,可满足汽车行业的各种严格标准,并通过了 AECQ100 汽车环境应力要求测试,此外还支持完全生产零件批准程序。
这款 SoC 设计用于与 Apple CarPlay 和 Google Auto Link 一起使用,具有多频段同步汽车信息娱乐和车载信息系统运行功能,在 2 x 2 MIMO 架构中使用两组天线,以获得更高的链路性能。
为实现可靠链路,802.11p 无线器件还将需要一个前端。
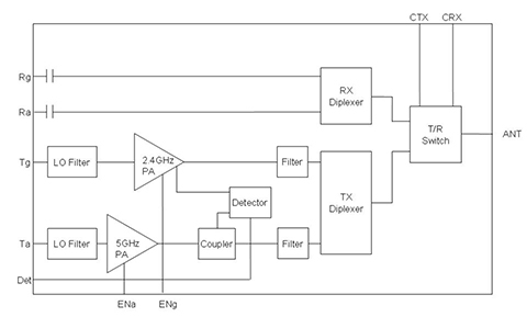
如果工程师正为某个设计项目部署 Wi-Fi 连接,则应关注一下 Skyworks 的 SE5503A,这是一款完整的 802.11a/b/g/n WLAN RF 前端模块,具备功率放大器、滤波、功率检测器、T/R 开关、多路复用器和相关匹配功能等全部功能。

图 4:Skyworks SE5503 为 5 GHz DSRC 数据链提供了所有前端元件。
SE5503A 外形超紧凑,是一个完整的、能覆盖从收发器输出到天线的 2.4GHz 和 5GHz WLAN RF 解决方案。 所有 RF 端口均匹配 50 Ω 电阻,从而简化了 PCB 布局和收发器的 RFIC 接口。 SE5503A 还包括一个用于发射器功率检测器,且每个发射链的动态范围均为 20 dB。 每个功率放大器都具有独立的数字使能控制功能,可用于发射器的开/关控制。 功率斜坡上升/下降时间小于 0.7 μs,且在每个 2.4 GHz 和 5 GHz 功率放大器的输入之前分别提供一个 3.260-3.267 GHz 的和一个 3.28-3.89 GHz 的陷波滤波器。 这些器件用来消除谐波干扰。
这一功能可用于提高接收器灵敏度和发射器性能,从而消除任何延迟问题并扩大覆盖范围。 如果车辆从很远处的另一辆车获取数据,那么在做出是否减速还是刹车等关键决定时,就需要更长的时间。 这一功能也可用于管理交通,通过使路上行驶的所有自主驾驶车辆缓慢减速,来缓解或消除走走停停的路况。
加密
为无线链路进行加密得到了越来越多的认可,但目前在实现中有多种不同的架构可选。 对无线链路进行保护可避免数据欺骗,也就是说,可以避免黑客向车辆发送虚假数据,例如让车辆确信发生了事故且必须停车的虚假数据。 LTE 系统从基站开始便已经过加密,并由接收器进行解密。
是否在 DSRC 系统实现中进行加密,对系统开发者来说是一个关键问题。 经过加密的数据包可在 DSRC 接收器中解密,或者发送至中央控制器。 在接收器端解密会占用更多的处理能力,因为要在一秒内处理数百万个数据包且仍要保持低延迟。 这样的优势在于,数据包然后可以从接收器分配至不同的位置,例如将地图更新信息直接发送至地图子系统。
也可将数据包发送至中央处理单元进行解密、评估和分配。 这样,由于加密和未加密数据在同一网络中流动,可能会在数据 I/O 中以及总线连接上产生一个瓶颈。 那么就需要增加一个优先级,但这将显著增加系统架构的复杂性。
另一种方法就是,识别出需要立即解密的高优先级别的数据包,而时效性不太重要的数据包则延迟解码。 不过,这是一个系统软件方面的问题。
结论
在自主驾驶车辆上使用 802.11p 无线标准基于业已成熟的 5 GHz Wi-Fi 和射频前端设计。 能够向附近的其它车辆和路边装置提供低延迟射频连接,让我们有大量机会来提升无人驾驶车辆的安全性。 来自其它车辆和路边网络的数据可以及时高效地提供关键数据,从而提供更多的安全数据来支持其它传感器。 LTE 可用于一些数据应用,而开发人员关注的是,在下一代 5G 无线网络中整合 LTE 和 Wi-Fi 低延迟技术,该网络将从 2020 年起在自主驾驶车辆中投入实际使用。
尽管这是一种成熟的技术,但仍在评估设计选项,尤其在安全方面。 确保所有在车辆和 RSU 之间流动的数据安全可靠是至关重要的,因为它会很大程度上影响电子控制单元的设计和开发、车载控制器和网络在功耗和性能方面的要求。 目前这些问题正在评估和解决当中,对于将在 2018 年至 2020 年时间段内发布的自主驾驶车辆相信一定会有所突破。











