作者:Andrew Radosevich,产品应用首席工程师
Matt Grobelny,产品营销经理
摘要
本系列文章由两部分组成,第一部分介绍电压输入至输出控制(VIOC)系统。这种系统通常配置为具有VIOC特性的低压差(LDO)稳压器和降压拓扑开关稳压器的组合。随后,文章针对VIOC系统设计提供了具体指导,包括LDO和开关稳压器的建议搭配清单,并说明了搭配的理由。最后,文章阐述了如何使用LDO的VIOC特性来降低LDO输出端的噪声、优化功耗、在故障期间保护系统,确保系统在启动和过载等动态条件下正常运行。第二部分在第一部分的基础上,进一步探讨了VIOC系统设计,并介绍了VIOC的工作原理和背景。
引言
在电源管理领域,低压差(LDO)稳压器对确保电子元器件获得高性能电源起着关键作用。LDO的低噪声性能至关重要,尤其是在精密模拟电路、RF系统和医疗设备等噪声敏感型应用中,LDO可提供纯净的电源,有效降低干扰,增强信号完整性。LDO与电压输入至输出控制(VIOC)功能及兼容的开关稳压器配合使用时,可形成一个始终维持最佳输入输出电压差的系统。这种设计不仅能显著降低噪声,实现高电源电压抑制比(PSRR),还能确保系统高效运行、受到保护且具备强大性能。本文深入探讨了实现VIOC的复杂细节,并阐述了VIOC的优势和实际应用。通过了解VIOC的协同作用,工程师可以优化各种电子设备的电源管理解决方案。
无论是否带有VIOC,LDO都属于电源管理产品类别。电源管理涉及使用稳压器或转换器等集成电路(IC)来为放大器、数据转换器或处理器等电子负载供电。LDO是电源管理IC的一个子类,旨在为电子负载直接供电,主要作用包括:提升负载性能,有效降低负载之间不必要的相互干扰,确保系统中的电源IC和负载按正确时序上电和关断。
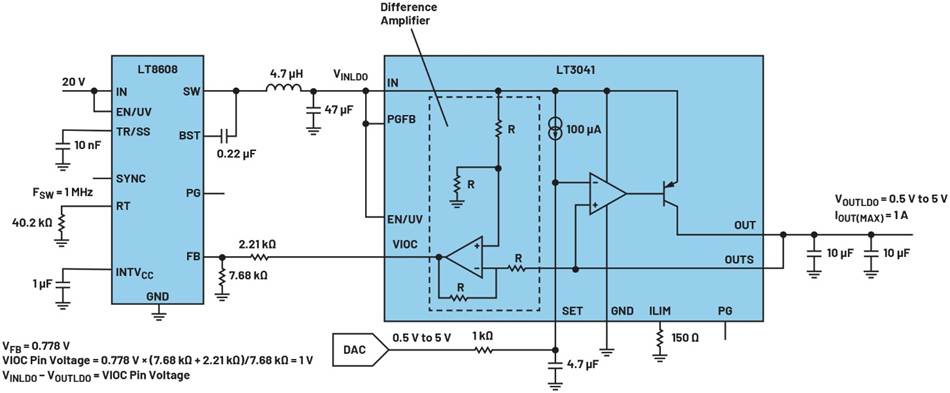
带VIOC的LDO通过内部电路提供一个外部信号来控制为LDO供电的开关稳压器的输出,从而使LDO的输入输出电压差保持恒定,如图1所示。线性稳压器本质上是晶体管电路,能够以相对较低的噪声供电,但对输入输出电压差很敏感,效率也由此决定。开关稳压器通过功率晶体管(开关)的快速切换来传输能量。开关稳压器使用功率开关及电感和二极管,高效地将输入电压转换为更适合为LDO供电的电压。

图1.此VIOC系统为LDO维持一致的输入输出电压差
使用VIOC将降压转换器与LDO相结合以增强性能
典型的VIOC电路采用降压开关稳压器来为具有VIOC特性的LDO供电。由此得到的电路是一种非常强大的配置,兼具降压稳压器的高效率特性和LDO的低噪声性能。降压稳压器又称为降压转换器,是一种开关转换器,能够高效地将输入转换为低于输入电压的稳定输出。
创建VIOC电路的第一步是选择LDO和开关稳压器。ADI公司提供多种集成VIOC功能的LDO。LT3045-1和LT3041系列及LT3073、LT3074和LT3078系列均有最新版本的VIOC特性。LT3045-1和LT3041线性稳压器的输出电流范围为500 mA至1 A,输入电压范围约为2 V至20 V,只需要一个输入电源。LT3073、LT3074和LT3078的输出电流范围为3 A至5 A,输入电压范围为0.6 V至5.5 V,需要一个额外的低电流BIAS输入电源。任何带有反馈(FB)引脚的开关稳压器都可以与这些使用VIOC的LDO组合使用,但在选择设计所用开关稳压器之前,请注意以下事项:
- 支持VIOC的LDO可与任何类型的开关稳压器拓扑配合使用,但最常与降压稳压器配合使用。
- LT3045-1和LT3041 LDO必须与FB电压为1 V或更低的开关稳压器搭配,使得LDO VIOC引脚可以在1 V电压下工作(有关详细信息,请参阅数据手册)。
- 在VIOC系统中,具有补偿引脚的开关稳压器与没有补偿引脚的开关稳压器相比,可能更容易稳定。
- 开关稳压器和LDO评估板可以方便地评估VIOC系统硬件的工作。
- 具有VIOC功能的LDO不能与Silent Switcher® 3 (SS3)开关稳压器搭配使用,因为SS3稳压器没有常规FB引脚。
- 与典型VIOC电路相比,带有集成高侧反馈电阻的µModule®稳压器无法使LDO保持恒定的输入输出电压差。
- 使用VIOC的电路需要专用电压轨作为LDO前级,而不是支持多个电压轨的前级。
- 与独立LDO设计相比,VIOC需要更多元件。VIOC电路所需的额外元件包括:为LDO供电的开关稳压器的反馈分压器中的额外电阻器,以及开关稳压器输出通常使用的额外电容。
为了简化设计过程,ADI提供了指导,说明哪些降压开关稳压器最适合搭配带有VIOC特性的特定LDO使用。表1列出了与具有VIOC的推荐LDO组合使用的合适开关稳压器,并提供了所有LDO的说明。这些搭配基于前面列出的考虑因素,因此在构建由降压稳压器和具有VIOC特性的LDO组成的VIOC电路时,请遵循上文和表1中给出的指导。表1所列LDO的数据手册中提供了许多VIOC电路参考设计。
表2提供了表1所列降压稳压器的详细说明。这些信息有助于设计人员选择不仅满足电气要求,而且符合限制条件(例如开关稳压器的输入电压范围、负载电流能力和工作电流)的稳压器。除了推荐用于VIOC的开关稳压器外,表2还列出了开关稳压器的反馈引脚电压、可用模式、评估板产品型号和补偿引脚的可用性。
VIOC的噪声最小化和高PSRR优势
如上所述,当LDO与VIOC功能及兼容的开关稳压器配合使用时,可形成一个始终维持最佳输入输出电压差的系统,从而不仅显著降低噪声,实现高PSRR,还能提升性能。
表1.推荐用于VIOC系统的LDO和开关稳压器
| LDO | LDO说明 | 推荐的开关稳压器1 | 推荐的开关稳压器2 | 推荐的开关稳压器3 |
| LT3041 | 具有VIOC控制功能的20 V、1 A、超低噪声、超高PSRR线性稳压器 | LT8608 | LTC3307A | LTC3626 |
| LT3045-1 | 具有VIOC控制功能的20 V、500 mA、超低噪声、超高PSRR线性稳压器 | LT8608 | LTC3307A | LTC3626 |
| LT3073 | 3 A、超低噪声、高PSRR、45 mV压差超快线性稳压器 | LT8609A | LTC3309A | LTC8640 |
| LT3074 | 带PMBus的5.5V、3A、超低噪声、高PSRR、45mV压差 线性稳压器 | LT8609A | LTC3309A | LTC8640 |
| LT3078 | 5.5 V、5 A、超低噪声、高PSRR、55 mV压差、超快 线性稳压器 | LTM4658 | LTC3309A | LT8642S |
表2.表1推荐的开关稳压器的说明
| 用于VIOC的开关稳压器 | 开关稳压器说明 | 反馈引脚电压(VFB) | 可编程为跳脉冲或强制连续模式 | 评估板 | 是否有补偿引脚? | 备注 |
| LT8608 | 具有2.5 μA静态电流的42 V、1.5 A同步降压稳压器 | 0.778 V | 是 | DC2458A | 否 | |
| LT8609A | 具有2.5 μA静态电流的42 V、3 A同步降压稳压器 | 0.782 V | 是 | DC2195B-A | 否 | |
| LT8640 | 具2.5 μA静态电流的42 V、5 A同步降压型Silent Switcher | 0.97 V | 是 | DC2202A | 否 | |
| LT8642S | 18V、10A同步降压型超低噪声开关稳压器2 | 0.597 V | 是 | DC2560A | 是 | 无跳脉冲模式 |
| LTC3307A | 5V、3A同步降压型Silent Switcher稳压器,提供2 mm x 2 mm LQFN封装和1.6 mm × 1.6 mm WLCSP封装 | 0.5 V | 是 | DC2990A | 否 | |
| LTC3309A | 5 V、3 A同步降压型Silent Switcher稳压器,采用2 mm x 2 mm LQFN封装 | 0.5 V | 是 | DC2745A | 否 | |
| LTC3626 | 20 V、2.5 A同步单芯片降压稳压器,具有电流和温度监测功能 | 0.6 V | 是 | DC1768A | 是 | 无跳脉冲模式 |
| LTM4658 | 低VIN、高效率10A降压型DC-DC µModule稳压器 | 0.5 V | 是 | DC2861A | 是 |
有些用户只是想改变LDO的输出电压,但不希望采用复杂的方案来调节给LDO电源供电的开关稳压器的输出电压。与图1中的电路相反,图3所示的电路没有VIOC,因此当调高或调低LDO输出时,开关稳压器的输出保持不变。图2显示,图3电路的PSRR性能在LDO输出电压较高情况下会下降,原因是在LDO输出电压增加而LDO输入不增加的情况下,开关稳压器的输出电压纹波在LDO输出端引起的噪声会增加。

图2.这些示波器截图针对的是图3中的电路,表明随着LDO输出电压提高,PSRR引起的噪声会加剧
现在考虑一下VIOC相比图2和图3所示例子的优势。图1电路所示的VIOC系统会在LDO输出发生变化时,维持LDO的输入输出电压差一致,使旨在有效抑制噪声的PSRR保持高水平。开关稳压器的输出电压会在LDO输出降低时自行调低,在LDO输出提高时自行调高。因此,当LDO的输出电压变化到三个不同电平时,开关稳压器的输出电压纹波在LDO输出端引起的噪声依然保持较低水平,如图4所示。

图3.此电路不使用VIOC
VIOC的优势:提升效率、加强保护和优化运行
除了噪声最小化、高PSRR优势之外,具有VIOC的系统还能始终保持最佳的输入输出电压差,使其工作高效、安全且性能强大。效率方面的优势是显而易见的,因为当LDO输出电压降低而LDO输入电压保持不变时(如图3电路所示),LDO的功耗会增加,效率会降低。对于图1中的VIOC系统,即使LDO输出发生变化,VIOC也能使LDO保持恒定的输入输出电压差,因此功耗保持不变。

图4.这些示波器截图针对的是图1中的电路,表明PSRR引起的噪声始终很低,原因是该电路使LDO保持恒定的输入输出电压差
此外,在不使用VIOC的系统中,某些情况和故障可能会导致LDO输入输出电压差增大到不可接受的水平。例如,如果开关稳压器输出和LDO输出都被设定为相对较高的电压,并且LDO上存在输出短路故障,则LDO输入输出电压差可能会急剧增大。LDO上的输出短路故障会导致LDO两端的输入输出电压差过高,因为没有VIOC来强制开关稳压器的输出电压降低并维持设定的LDO输入输出电压差。当LDO输出短路时,故障期间LDO的高输入输出电压差会大大增加LDO的功耗,使得LDO温度可能超过建议工作温度,从而造成可靠性降低。
当LDO输出短路时,故障期间LDO的高输入输出电压差还会阻止LDO在短路输出故障消除后正常恢复,因为许多高压LDO具有一种称为限流折返的保护特性。
限流折返是电源和稳压器中使用的一种保护技术,用于在发生过流或短路情况时降低输出电流。与在故障期间维持恒定电流的简单限流不同,折返限流会同时降低输出电压和电流,从而降低电路元件的功耗。这有助于保护电源和相连器件免于因过热和过大电流而受损。1
图5显示了LT3041 LDO的典型限流折返。注意在图5中,当输入输出电压差大于11 V时,LDO能够输出更小的电流。ADI的许多LDO数据手册都包含一个名为“过载恢复”的章节,其中解释了当LDO输出上的短路故障消除后,为什么限流折返可以阻止输出电压设定值和负载相对较高的LDO恢复到正确的输出电压。

图5.LT3041 LDO的典型限流折返
无VIOC的电路中的限流折返也会阻止高电压电路正常启动,因为当电路开启时,LDO的输出电压最初为零伏,然后逐渐上升至正常运行期间的期望输出稳定电压。如果输入电压在开启时相对较高,限流折返可能会过度限制LDO电流,并阻止LDO输出电压上升至期望的稳定电压。VIOC自动维持正确的开关稳压器输出电压,从而维持正确的LDO输入输出电压差,确保电路在故障和启动情况下都能正常工作。
结语
本系列的第一部分为理解如何使用支持VIOC的LDO与降压稳压器的组合(现代应用中最普遍的配置)来设计高效、低噪声电源系统奠定了基础。本文还探讨了推荐的LDO与开关稳压器搭配方案及其背后的依据,说明了深思熟虑的器件选择能够显著提升系统性能。本文展示了如何利用VIOC特性降低输出噪声、提高热效率,并增强启动和过载恢复期间的系统保护和性能。
本系列的第二部分将探讨这些器件如何保持恒定的输入输出电压差,并介绍可简化VIOC系统实现的实用工具。
参考文献
1 T.K.Hareendran,“Foldback Current Limiting - Little Secrets”,Codrey,2021年11月。
# # #
作者简介
Andrew Radosevich是ADI公司的高级经理。他曾担任开关稳压器和线性稳压器产品应用工程师多年,现在领导一支提供相关技术支持的团队。Andrew拥有圣何塞州立大学电力电子专业电子工程硕士学位。
Matt Grobelny自2024年起担任ADI公司LDO和单芯片升压转换器的产品营销经理。他拥有利默里克大学VLSI系统工程硕士学位和弗罗茨瓦夫科技大学光电子学工程硕士学位。Matt曾担任评估和应用工程师多年,深耕开关稳压器和光学激光驱动器领域,拥有丰富的实践经验。











