作者:Jon Wallace,高级总监
Issac Siavashani,首席工程师
Alexandr Ikriannikov,研究员
问题
随着电流摆率和效率要求不断提高,ADI专利耦合电感如何增强汽车应用中多相稳压器的性能?

回答
为了解决汽车应用中日益提高的电流需求和快速瞬变所带来的挑战,ADI专门设计了耦合电感,并获得了专利。理想情况下,为了获得高效率,需要较大电感值和较小电流纹波,但为了实现快速瞬变,又需要较小电感值。耦合电感利用出色的耦合机制,使其在稳态下表现为一个大电感,从而有效地降低电流纹波。同时,耦合电感在瞬态事件中的电感值较小,且导通较快。这有便于缩小应用尺寸,同时保持高效率,这对于支持1 V以下的负载电压至关重要。此外,其设计有助于加快响应时间,使稳压器能够在不影响性能的情况下管理剧烈的瞬态负载。通过优化电感值,这些耦合电感有助于为ADAS和其他大电流应用中的先进半导体工艺实现所需的必要电压容差、高效率和瞬态规格。
简介
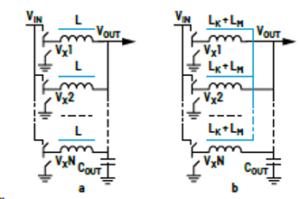
大电流、低电压应用经常采用多相降压转换器拓扑来降低电压。这种多相降压转换器可以利用传统的分立电感(DL,如图1a所示),或利用耦合电感(CL,如图1b所示)。如果是CL,绕组为磁耦合,具有消除电流纹波的优势1-6。
汽车ADAS应用面临的挑战是,如何将GPU或ASIC供电轨严格控制在0.4 V至1 V范围内,尤其是在快速瞬变条件下。负载瞬态通常会导致所有相位将开关节点VX拉高至VIN,因此每相中的电感电流以一定的摆率(式1)逐渐上升,其中VIN为输入电压,Vo为输出电压,L为电感值。卸载瞬态通常会导致所有相位拉低至GND,并且电感电流逐渐下降(式2)。已知低输出电压值VOUT<1 V,并假设输入电压典型值至少为5 V,比较式1和式2很容易看出,卸载瞬态是主要问题,这是因为使电流逐渐下降的电压非常小。

图1.多相降压转换器,采用(a)分立电感或(b)耦合电感

简单的解决办法是增加COUT中陶瓷输出电容的数量。然而,这种方法的体积过大、成本过高,有些不切实际。在汽车行业,稳压器往往配置为以相对较高的频率(FS,通常超过2 MHz)进行开关。这与云应用或工业应用中的稳压器形成对比。由于特别的电磁干扰(EMI)要求,汽车环境中需要更高的开关频率。虽然高频有助于减小稳压器中的电感值,但仍然需要进一步改善。
由式3可求出带DL的常规降压转换器各相的电流纹波,其中占空比D = VOUT/VIN,VOUT为输出电压,VIN为输入电压,L为电感值,FS为开关频率。

用漏感为LK且互感为LM的CL代替DL,则CL中的电流纹波可表示为式46。品质因数(FOM)表示为式5,其中NPH为耦合相数,ρ为耦合系数(式6),j为运行指数,仅定义占空比的适用区间(式7)。CL的参数有漏感LK和互感L M。

对于特定的CL设计,与采用分立电感L的常规降压转换器相比,式4和式5中的FOM含义可以解释为电流纹波消除所涉及的额外乘数。与具有任意电流纹波和瞬态性能的任何系统相比,业界进一步推广和扩展了FOM的定义及其含义11。建议使用归一化瞬态摆率 (期望较高) 与归一化电流纹波 (期望较低) 的比率 (式8)。对于一些采用分立电感的基准转换器,瞬态摆率和电流纹波通过相关数字进行归一化 (因此任何采用DL的系统仍会导致FOM = 1)。SRTR和ΔIL是所选设计或技术在稳态下的瞬态电流摆率和电流纹波,而SRTR_DL和ΔILDL是同样的参数,但用于基准DL设计。
由于瞬态和稳态下分立电感的电流摆率相同,式8可以简化为式9。这样一来就完全避免了实际提及DL设计,但基准测试的思想仍然存在。

请注意,对CL使用广义FOM定义(式9)将得到式5,因此新定义是向后兼容的,而且还可用于电流纹波和瞬态摆率与DL公式存在显著差异的技术(例如TLVR9)。
CL设计和考虑因素
应用指标为VIN = 5 V、VOUT = 0.8 V、FS = 2.1 MHz、NPH = 8。开始时,选择DL = 32 nH来支持快速瞬变,而每个电感占用4.2 mm × 4.2 mm × 4.2 mm。理想情况下,这些电感将用8相耦合电感(CL)代替。然而,h = 4 mm的低高度要求带来了难题,因为在这种高度限制下,8相耦合电感器会变得过于细长,难以生产,而且还会更容易受到电路板弯曲变形的影响。因此,我们为CL选择了4相构建模块,这也使得元件的放置和布局更加灵活。我们的目标是获得更快的瞬变,并且已知CL值的纹波将小于起始DL值的纹波。因此,我们采用了近期推出的Notch CL (NCL)结构来尽可能减小漏感LK7,8,10。我们设计了NCL0804,LK约为17 nH,OCL = LM + LK = 100 nH,NPH = 4,相位间距为6.9 mm/相,高度h = 4.0 mm(最大值)(图2)。

图2.开发的NCL0804-4-R17(h = 4 mm(最大值))
使用FOM图10可以有效比较不同的设计。任何DL设计都会出现FOM = 1,这是因为在稳态和瞬态下,电流摆率的比例为1:1。给定尺寸下,耦合电感的NCL结构会使LM/LK比率最大化,因此通常能够产生最高FOM9。FOM比较如图3所示;在目标输出电压附近,我们开发的NCL比DL好约4.4倍。
表1.四相构建模块不同磁元件方案的比较
| 电感 | 高度:mm/相对值 | 效率,相对值 | 电流纹波,相对值 | 瞬态,相对值 | 瞬态/纹波相对优势(公式9)11 |
| NCL0804-4 | 最大4.0/1倍 | 正常 | 1倍 | 1倍 | 4.4倍 |
| DL = 32 nH | 最大4.4/大1.1倍 | 低 | 大2.35倍 | 慢1.9倍 | 1倍 |
| DL = 100 nH | 最大6.4/大1.6倍 | 正常 | 小1.33倍 | 慢5.9倍 | 1倍 |

图3.相对于输出电压VOUT,开发的NCL = 4× 17 nH和理论NCL = 8× 17 nH的FOM与任何DL的FOM相比较
(VIN = 5 V)
相应的电流纹波比较如图4和表1所示。对电流纹波和瞬态摆率的不同取舍,让DL值的选择范围非常宽,但我们开发的NCL始终有4.4倍的优势。NCL的电流纹波比DL = 32 nH的纹波小2.35倍,同时NCL的瞬态摆率要快1.88倍。2.35×1.88约等于4.4,与预测的FOM = 4.4相匹配。使用DL = 100 nH也可以降低电流纹波,这使其电流纹波比NCL的电流纹波小1.33倍,但NCL的瞬态摆率会快5.88倍,因此NCL相对于任何DL的优势仍然是5.88/1.33,即约等于4.4倍(NCL的FOM = 4.4)。

图4.相对于输出电压VOUT,比较开发的NCL = 4 × 17 nH和理论NCL = 8 × 17 nH的电流纹波与DL = 32 nH和DL = 100 nH的电流纹波
观察图3中相同NCL的理论FOM,但考虑NPH = 8是否可制造的情况,我们看到NCL相对于DL的性能优势将从4.4倍扩大到5.8倍,而且在VOUT较低时,相对的优势差距更大。
展望未来,我们或许应该考虑NCL的不同设计。一种可能性是将相位排成两排,以保持铁氧体磁芯的长宽比较低,使其有利于制造。在这种情况下,NCL可以放在PCB的底部,直接位于GPU的陶瓷旁路上方,并且功率级围绕在NCL的周边。此方法类似于垂直供电(VPD)布置,有可能会在瞬态和纹波之间取得更好的平衡,也就是可以有效提高瞬态效率。然而,必须注意的是,这样的改动将会显著改变现有的设计和布局。未来将取决于客户的偏好,考虑是否采用这种方法。
实验结果

图5.稳压器四相构建模块,电感尺寸可为(a) DL = 100 nH(h = 6.4 mm(最大值))和(b) NCL0804-4(h = 4.0 mm(最大值))
用NCL0804-4替代DL = 32 nH电感可以提高效率,如图6所示。这种改善主要是因为电流纹波大幅降低(图4),从而导致绕组、功率级和走线中的电流有效值降低。此外这还有助于降低交流损耗,如图6所示。同时,17 nH/相的NCL(图5b)在瞬态下的电流摆率要快约1.9倍,反馈环路中的相位裕量一般也会得到改善。降低DL = 100 nH的纹波(图5a)可重新提高效率(图6),但这种DL的高度明显高于允许值(h = 4 mm),同时也比我们开发的NCL慢约5.9倍,并且会大大影响所需输出电容的数量。正如基于FOM的估计,结果证实了NCL相对于分立电感方法的不同权衡方案具有根本的性能优势。

图6.DL = 32 nH (h = 4.4 mm)、DL = 100 nH (h = 6.4 mm)和NCL = 4× 17 nH (h = 4.0 mm)的效率比较:5 V至0.8 V,四相。
结论
综上所述,我们开发了一种采用NCL结构的新型耦合电感,以优化输出电压非常低和负载瞬态指标变化剧烈的应用性能。该CL也是为了适应汽车设计的低高度要求而开发的。选择NCL结构是为了尽可能地减少泄漏。与常规分立电感方案相比,它的瞬态/纹波性能提高了4倍以上。
若分立电感(DL)方案的效率要与所开发的NCL相同,高度须为后者的1.6倍(DL = 100 nH)。然而,这种替代方案的瞬态速度会低5.9倍,从而严重影响输出电容的尺寸和成本。表1的比较结果凸显了NCL0804-4在高度、效率、电流纹波和瞬态速度方面的优势。
参考文献
1 Aaron M. Schultz和Charles R. Sullivan。“Voltage Converter with Coupled Inductive Windings, and Associated Methods”。美国专利6,362,986,2001年3月。
2 Jieli Li。Coupled Inductor Design in DC-DC Converters。硕士论文,达特茅斯学院,2002年。
3 Pit-Leong Wong、Peng Xu、P. Yang和Fred C. Lee。“Performance Improvements of Interleaving VRMs with Coupling Inductors”。《IEEE电源电子会刊》,第16卷第4期,2001年7月。
4 Yan Dong。Investigation of Multiphase Coupled-Inductor Buck Converters in Point-of-Load Applications。博士论文,弗吉尼亚理工学院暨州立大学,2009年7月。
5 Alexandr Ikriannikov和Di Yao。“Addressing Core Loss in Coupled Inductors”。Electronic Design News,2016年12月。
6 Alexandr Ikriannikov。“耦合电感的基础知识和优势”。ADI公司,2021年。
7 Alexandr Ikriannikov和Di Yao。“Switching Power Converter Assemblies Including Coupled Inductors, and Associated Methods”。美国专利11869695B2,2020年11月。
8 Alexandr Ikriannikov。“Evolution and Comparison of Magnetics for the Multiphase DC-DC Applications”。IEEE应用电源电子会议,2023年3月。
9 Amin Fard、Satya Naidu、Horthense Tamdem和Behzad Vafakhah。 “Trans-inductors Versus Discrete Inductors in Multiphase Voltage Regulators: An Analytical and Experimental Comparative Study”。IEEE应用电源电子会议,2023年3月。
10 Alexandr Ikriannikov和Di Yao。 “Converters with Multiphase Magnetics: TLVR vs CL and the Novel Optimized Structure”。PCIM Europe,2023年5月。
11 Alexandr Ikriannikov和Brad Xiao。“Generalized FOM for Multiphase Converters with Inductors”。2023年IEEE能源转换大会暨展览会,2023年10月。
关于ADI公司
Analog Devices, Inc. (NASDAQ: ADI)是全球领先的半导体公司,致力于在现实世界与数字世界之间架起桥梁,以实现智能边缘领域的突破性创新。ADI提供结合模拟、数字和软件技术的解决方案,推动数字化工厂、汽车和数字医疗等领域的持续发展,应对气候变化挑战,并建立人与世界万物的可靠互联。ADI公司2024财年收入超过90亿美元,全球员工约2.4万人。ADI助力创新者不断超越一切可能。更多信息,请访问www.analog.com/cn。
作者简介
Jon Wallace拥有普渡大学计算机和电气工程学士学位。Jon已在汽车行业工作了30年。加入ADI公司之前,Jon曾在TRW Automotive, Inc.担任软件和硬件工程师11年,负责开发安全电子设备的硬件和软件。2005年,他加入Maxim(现为ADI公司的一部分),担任汽车电源及相关产品的产品定义师。他为车辆总线通信和软件算法领域发表了25项美国专利。迄今为止,他所定义的产品已创造超过8亿美元的收入。
Issac Siavashani是ADI公司汽车业务团队的高级应用工程师。他拥有旧金山州立大学嵌入式系统和电气工程硕士学位。他于2010年加入Maxim(现为ADI公司的一部分),专注于英特尔(消费电子)多相降压管理IC的定义和开发工作。2017年,Issac加入汽车业务团队。目前,他主要负责低噪声应用的大电流多相系统和雷达PIMIC研发工作。 Alexandr Ikriannikov是ADI公司通信和云电源团队的研究员。他于2000年获得加州理工学院电气工程博士学位,期间由Slobodan Ćuk博士负责教授电力电子学知识。他开展了多个研究生项目,包括AC/DC应用的功率因数校正、适用于火星探测器的15 V至400 V DC/DC转换器等。研究生毕业后,他加入Power Ten,重新设计和优化了大功率AC/DC电源,然后在2001年加入Volterra Semiconductor,专注于低压大电流应用和耦合电感器。Volterra于2013年被Maxim Integrated收购,而Maxim Integrated现在是ADI公司的一部分。目前,Alexandr是IEEE的高级会员。他拥有70多项美国专利,还有多项专利正在申请中,此外他还曾撰写并发表了多篇电力电子技术论文。











