作者:安森美
安森美具有卓越 RDS(on)*A 性能的 SiC JFET,特别适用于需要大电流处理能力和较低开关速度的应用,如固态断路器和大电流开关系统。得益于碳化硅(SiC)优异的材料特性和 JFET 的高效结构,可实现更低的导通电阻和更佳的热性能,非常适合需要多个器件并联以高效管理大电流负载的应用场景。
SiC Combo JFET 技术概览
对于需要常关器件的应用,可以将低压硅(Si) MOSFET与常开碳化硅(SiC) JFET串联使用,以创建共源共栅(cascode)结构。在这种设置中,SiC JFET负责处理高电压,而Si MOSFET提供常关功能。这种组合充分利用了SiC JFET的高性能以及Si MOSFET易于控制的优点。
安森美 Combo JFET 将一个 SiC JFET 和一个低压Si MOSFET 集成到一个封装中,在满足小尺寸需求的同时,还具有高性能的常关特性。 此外,通过各种栅极驱动配置,该 Combo JFET 还提供了诸如与具有 5V 阈值的硅器件的栅极驱动兼容性、更高可靠性和简化速度控制等优势。
产品介绍
Combo JFET 将一个 SiC JFET 和一个低压Si MOSFET 集成到一个封装中,SiC JFET 和低压 MOSFET 的栅极均可使用。

图 1 Combo JFET 结构
由于 JFET 和低压 MOSFET 栅极均可使用,Combo JFET 具有多种优势。 这些优势包括过驱动(overdrive)时 RDS(on)降低,通过外部cascode 简化栅极驱动电路,通过 JFET 栅极电阻调节开关速度,以及通过测量栅极-源极压降来监测 JFET 结温。
安森美 SiC Combo JFET 产品系列
表 1 和图 2 显示了 Combo JFET产品和可用封装。

表 1 Combo JFET产品清单

图 2 Combo JFET封装和原理图
安森美 SiC Combo JFET器件的特性和优势
表 2 总结了 安森美 SiC Combo JFET器件的特性和优势

表 2 安森美 SiC Combo JFET的特性和优势
本节评估的静态特性包括 RDS(on)、峰值电流 (IDM)、RθJC(从结点到外壳的热阻)。 对于电路保护和多路并联应用,dv/dt 可控性至关重要。 以 750V 5mOhm TOLL 封装 (UG4SC075005L8S) 器件为例,评估其静态特性和动态特性。
静态特性
如表 3 所示,安森美先进的 SiC JFET 技术在市场上实现了卓越的电气性能和热性能。

表3 安森美 Combo JFET主要参数
安森美 Combo JFET具有低RDS(on)、高 IDM和低热阻特性。
低 RDS(on):安森美 Combo JFET器件采用 SiC JFET 技术,单位面积 RDS(on)显著降低(Rds∙A)。 该器件采用灵活、可从外部配置的cascode结构(SiC Combo-FET)来实现常关操作。在 安森美 SiC Combo JFET结构中,低电压 Si MOSFET 对总 RDS(on)的贡献不到 10%。图 1 显示了 TOLL 封装中 RDS(on)的对比。

图3 TOLL封装的RDS(on) 的对比
更高的 IDM:峰值电流对于电路保护应用至关重要,而高 IDMSiC Combo JFET正是实现这一目的的理想选择。电路保护应用因其特定的工作条件而要求稳健性和大电流穿越能力。

图4 采用 Combo JFET封装的 JFET 的 IDM
低RθJC:安森美的SiC Combo JFET采用银烧结裸片贴装技术,与大多数焊接材料相比,界面导热性能提高了六倍,从而在更小的裸片尺寸下实现相同甚至更低的结至外壳热阻(RθJC)。低RθJC有助于保持较低的结温,并确保更高的可靠性。
动态特性
通过调整 Combo JFET配置中的 JFET 栅极电阻,可实现出色的速度可控性,从而带来以下优势:
- 通过降低关断速度来减少电压过冲,可加强电路保护,尤其是短路保护。
- 易于并联,在开关损耗和动态电流平衡之间实现了出色的权衡。
功率循环
功率器件的可靠性及寿命评估对于提高系统可靠性和延长使用寿命至关重要,尤其是对于新兴的宽禁带(WBG)半导体(如SiC、GaN等)而言。功率器件的主要失效模式与热机械疲劳(TMF)有关。功率热循环测试是一种加速测试方法,被测器件(DUT)频繁地开关,使其结温以一种受控的方式循环变化。这种方法通过施加热机械应力来评估封装(接线、裸片贴装等)的可靠性。同时,它也对半导体裸片和封装元器件(接线、引线等)施加电应力,相比被动温度循环测试,能更准确地模拟实际应用中遇到的温度梯度变化。
在堆叠结构中,Si MOSFET位于SiC JFET之上,电源线连接到Si MOSFET的源极金属化层。由于硅的硬度低于碳化硅,在功率循环过程中产生的热机械应力显著减少,从而使功率循环寿命延长至原来的2倍。此外,无论是从Si MOSFET到SiC JFET,还是从SiC JFET到散热焊盘,都采用了银烧结裸片贴装(silver sinter die-attach)技术,相比现今广泛使用的焊接裸片贴装(solder die-attach,常见于SiC分立器件),进一步增强了可靠性。
栅极控制方法
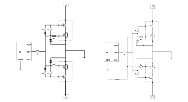
用于固态断路器的 Combo JFET有两种主要控制方法:准cascode驱动模式和直接驱动模式。

图5 Combo JFET驱动模式:准cascode驱动模式(左)和直接驱动模式(右)
对于大功率开关模式应用,除了图 3 所示的上述两种控制方法外,我们还开发并推荐使用 ClampDRIVE。 或者采用最简单的栅极控制方法,用单个 JFET 栅极电阻来调整其开关速度,详见图 4。

图6 开关模式应用中 Combo JFET的控制方法(左:恒定 JFET 栅极电阻,右:ClampDRIVE)
结语
安森美SiC Combo JFET具有极低 RDS(on)和可控开关速度,可为断路器和大功率低开关速度应用实现卓越的效率和功率密度。它还具有与硅器件相当的功率循环性能(可靠性和使用寿命),比 SiC MOSFET 高出 2 倍以上。











