作者:白玉杰,高级应用工程师
摘要
如今,汽车行业对先进显示屏的需求空前高涨,亟需能够实现更大尺寸、更高亮度、曲面设计、更高分辨率和更高对比度的解决方案。与此同时,各类新型车载显示屏也日益受到青睐。目前,TFT LCD是汽车平板显示技术的主流选择。OLED和micro-LED显示屏凭借出色的显示效果、低能耗、高柔韧性、超薄等特性,正逐渐赢得汽车制造商的关注。本文比较了这些不同的显示技术,并讨论适用于LCD显示屏的2T1C像素驱动器,以及适用于OLED和micro-LED显示屏的7T1C/2C像素驱动器。
简介
汽车应用中TFT LCD、OLED和micro-LED显示屏系列文章共有两个部分,本文为其中的第1部分。文章比较了TFT LCD、OLED和micro-LED显示屏的特性,以及不同像素驱动器的技术。此外还讨论了TFT技术和汽车显示屏的电源技术。
本系列的第1部分重点介绍汽车显示屏的基本原理,包括发展趋势、挑战和显示屏结构。为帮助理解汽车显示屏的电源技术,文章还简要介绍了像素驱动器。
本系列的第2部分将介绍汽车显示屏的电源技术。文章讨论了不同的显示技术,包括侧光式背光和直下式背光。此外还简要说明了mini-LED显示屏的局部调光技术。
汽车数字座舱趋势
近年来,车联网、电动化、自动驾驶、共享出行等汽车领域发展迅猛。为了给用户带来更好的体验,座舱的设计也随之彻底改变。人们对于尺寸更大、曲面设计、更高分辨率和更高对比度的显示屏以及新型车载显示屏的需求日益强烈。根据IHS Markit汽车显示屏市场追踪报告,2018年汽车显示面板出货量为1.615亿块,预计到2025年出货量将超过2亿块1。
为了改善座舱体验,现代汽车配备了多种类型的显示屏:仪表板、中央信息显示屏(CID)、平视显示屏(HUD)、乘客显示屏、智能电子后视镜显示屏、侧后视镜显示屏和后部娱乐显示屏。仪表板用于为驾驶员提供速度和燃油表状态等关键信息。HUD用于将关键信息投射到挡风玻璃上。后座娱乐显示屏和乘客显示屏是信息娱乐系统的一部分,供乘客观看电影或进行其他娱乐活动。数字摄像头监视系统(CMS)利用两到三个摄像头取代了外部后视镜。同时侧后视镜显示屏和电子后视镜显示屏也增强了驾驶员对周围环境的视觉感知。
根据IHS Markit汽车显示屏市场追踪报告,2018年,10英寸面板占汽车显示面板出货量的10%,预计到2025年这一比例将增长至18.4%1。近年来,12.3英寸及更大的显示面板逐渐成为仪表板显示屏的主流尺寸。
自2017年特斯拉Model 3搭载15英寸触摸屏以来,汽车显示面板就朝着尺寸更大、分辨率更高、对比度更高的方向发展,形态设计自由度也越来越高。2019年,理想ONE采用了全座舱宽度显示屏,包含两块尺寸分别为12.3英寸和16.2英寸的屏幕。2023年,宝马3系配备了采用局部调光技术的14.9英寸曲面触摸屏,屏幕从驾驶员侧方一直延伸至中控台。VISION EQXX概念车则搭载了采用局部调光技术的47.5英寸全座舱宽度屏幕。汽车显示屏的趋势总结如图1所示。

图1.座舱显示屏趋势2
宝马概念车Neue Klasse上的全挡风玻璃HUD将于2025年投入量产。这项HUD创新技术能将信息投射至整个前挡风玻璃,所有乘客都能轻松查看。挡风玻璃下边缘具有更高的光强度和对比度,可向驾驶员和乘客显示相关信息。此外还有一个自由形态中央显示屏3。
显示面板架构
图2中的TFT LCD、图3中的OLED和图4中的micro-LED代表了三种不同技术,这些技术都推动了视觉显示的革新。
TFT LCD利用夹在两层玻璃衬底之间的液晶来显示图像。下方衬底嵌入了TFT,而上方衬底用作滤色器。通过控制流过晶体管的电流可以改变电场,电场的变化又会影响液晶分子的排列方式,进而调制光穿过液晶层时的旋转状态。用不同比例的三色光照射滤色器,就能形成色彩各异的像素。

图2.TFT LCD显示屏结构
相比之下,OLED显示屏具备自发光能力,所以不需要背光。OLED的基本结构包括了氧化铟锡(ITO)玻璃衬底和其上的有机发光层。有机发光层夹在两个低功函数金属电极之间:上方阴极和下方阳极。
在阴极和阳极上施加外部电压时,电子传输层(ETL)和空穴传输层(HTL)将电子和空穴注入有机发光层,注入的数量和速度可以控制。这个过程让OLED发光。在OLED中使用不同的化学材料,可以产生红光、绿光和蓝光。因此,OLED显示屏更薄、更节能,色彩再现能力和对比度也更优越。

图3.OLED显示屏结构
Micro-LED显示屏采用微型LED阵列构成每个像素,代表了显示领域的新进展。通常,micro-LED的芯片尺寸在50 µm以内,人眼几乎看不见。得益于其微小的尺寸和先进的组装技术,红光、绿光和蓝光照明源可以集成到单个像素点中,因此micro-LED显示屏无需滤色器和液晶。
像素中的每个micro-LED都能自行发光,因此画面亮度更高、黑色更深邃且能效出色。这些技术代表了显示创新方面的重大进步,每种技术在结构和性能方面都有独特的优势。micro-LED显示屏适配于智能手机、电视到增强现实、可穿戴设备、汽车显示等各种应用。

图4.micro-LED显示屏结构
TFT LCD技术相对成熟且成本优势突出,这样因此成为了目前汽车行业占主导地位的平板显示技术。然而,OLED显示屏和micro-LED显示屏也正引起越来越多的汽车制造商注意。
OLED显示屏兼具显示效果出色、能耗低、柔韧性强、超薄等特点。micro-LED显示屏正作为新一代显示技术崭露头角,不仅支持曲面显示设计,亮度和对比度均有增强,能够为座舱内屏幕设计带来更大的灵活性。
然而,OLED显示屏存在残影问题,长时间显示静态图像后像素性能会下降,而且其使用寿命比LCD短。与此同时,micro-LED显示屏的大规模生产商业化方面存在挑战,成本居高不下。
表1详细总结了TFT LCD、OLED和micro-LED显示屏之间的差异。
表1.LCD、OLED和micro-LED显示屏的比较3
| TFT LCD | OLED | micro-LED | |
| 方法 | 背光 | 自发光 | 自发光 |
| 发光效率 | 低 | 中 | 高 |
| 对比度 | 中 | 高 | 高 |
| 响应时间 | ms | µs | ns |
| 功耗 | 高 | 中 | 低 |
| 紧凑度 | 低 | 中 | 高 |
| 寿命 | 长 | 中 | 长 |
| 视角 | 低 | 高 | 高 |
| 成本 | 低 | 中 | 高 |
现有TFT LCD显示屏可以利用mini-LED(亚毫米发光二极管)背光源和局部调光技术进行升级。mini-LED是常规LED的微缩版本,可作为通向micro-LED的技术桥梁。尺寸小于200微米的LED被归类为mini-LED,而尺寸小于100微米的LED被归类为micro-LED5。
虽然mini-LED主要用作LCD显示屏的背光源,但它能够减小LCD显示屏的厚度,提升对比度性能,助力实现高性价比解决方案。
像素驱动器
通过混合三原色(红、绿、蓝)可以合成各种颜色。经混合的三原色会形成一个像素,如图5所示。每个像素由三个子像素组成,这些子像素被统一管理并组合在一个像素中。
由于显示技术和制造工艺不同,TFT LCD、micro-LED和OLED显示屏采用不同的方法来驱动这些子像素。例如,特斯拉Model 3搭载15.4英寸TFT LCD显示屏,分辨率为1920 x 1200像素,因此总共有691万个子像素。

图5.像素
TFT LCD显示屏中子像素的等效电路(控制液晶上的电场)如图6所示。它由1T2C(一个晶体管、一个液晶电容和一个存储电容)组成。栅极驱动器提供正电压和负电压。正电压称为栅极高电平电压(VGH),用来接通TFT。负电压称为栅极低电平电压(VGL),用来关断TFT。图像信息被传输到源极驱动器,后者对液晶电容(CLC)充电。存储电容(CST)充当缓冲器,防止CLC产生漏电流。有关TFT LCD显示屏中像素驱动器的更多论述,请参见《New Driving Structure to Increase Pixel Charging Ratio for UHD TFT-LCDs With High Frame Rate》4。
TFT LCD中的残影或闪烁是由TFT的栅极节点和漏极节点之间存在的寄生电容(CGD)引起的。当画面内容发生变化,TFT由导通状态变为关断状态时,CGD和CLC||CST之间的电容分压器会导致CLC的电压下降。为了提高面板性能的一致性,我们在像素转换时间内引入公共背板电压(VCOM),并将其调整至像素电压的中间。

图6.常规像素驱动器
Micro-LED和OLED显示屏中常用像素驱动器的拓扑结构相似,但比TFT LCD显示屏中像素驱动器的拓扑结构复杂。这是因为TFT电路的制造工艺,以及需在玻璃或聚酰亚胺衬底上集成LED。这让每个像素中的LED都是单独驱动,可以单独控制其各自的亮度。
如图7所示,《Driving Technologies for OLED Display》5一文中描述了简单的像素驱动器2T1C,其中包含了两个晶体管和一个存储电容。在该像素驱动器中,LED发射的模拟信号被发送到TFT M1。随后,阈值电压(VGS)存储在电容(CST)中,用于驱动饱和区中的TFT M2,如图8所示。由于对TFT M2的驱动,正电压(VDD)和阴极电压(VSS)使LED维持恒定电流。这种2T1C像素驱动器的饱和操作驱动方法与驱动TFT的线性区域操作相比,具有延长LED寿命的优势。

图7.OLED或micro-LED的2T1C像素驱动器

图8.MOS晶体管输出特性
然而,2T1C像素驱动器也存在一些缺点,包括Mura问题和电偏置下的阈值电压偏移等。Mura问题是指显示屏亮度不均匀,其主要原因是制造过程中的差异,例如TFT层的密度、LED正向电压与阈值电压的均匀性等,这会进而导致画质问题。虽然出色的制造工艺也无法克服阈值电压漂移挑战,但业界提出了采用电压反馈方法和阈值电压偏移过补偿方法的像素电路来提高图像质量。
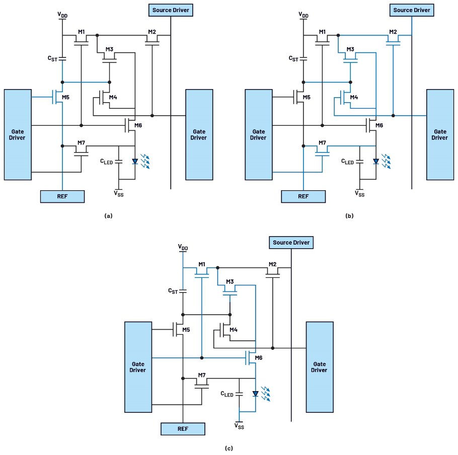
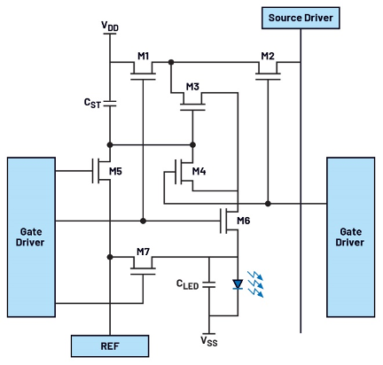
《Image Quality Enhancement in Variable-Refresh-Rate AMOLED Displays Using a Variable Initial Voltage Compensation Scheme》6中提出了7T1C方法,如图9所示。这种7T1C像素电路有三个操作阶段:初始化、补偿和发光,如图10所示。TFT M4用于驱动TFT M3的二极管连接。在补偿期间,来自源极驱动器且存储在CST中的电压维持LED发光。TFT M1、M6、M7用于阻止LED亮起。此外,《A Highly Uniform Luminance and Low-Flicker Pixel Circuit and Its Driving Methods for Variable Frame Rate AMOLED Displays》7中提出了一种7T2C像素电路。

图9.7T1C像素驱动器原理图

图10.7T1C补偿像素的驱动序列:(a)初始化,(b)补偿,和(c)发光。
目前,显示背板技术已从氢化非晶硅(a-Si:H) TFT发展到低温多晶硅(LTPS) TFF,而低温多晶硅与氧化物(LTPO) TFT有望成为消费电子产品的新一代背板技术。a-Si:H TFT的载流子迁移率较低(1 cm2/Vs),导致背板尺寸较大,功耗也较高。LTPS TFT具有优异的载流子迁移率(>50 cm2/Vs),因而被应用于OLED显示屏。LTPS TFT通常具有较高的关断电流。然而,LTPO TFT的关断电流较低。因此,业界考虑为OLED/micro-LED显示背板应用结合了LTPS和LTPO TFT二者优势的混合像素方案。
总结
随着消费者对可视性、安全性、用户体验等的期望越来越高,车载显示屏在提升座舱体验方面的重要性也日益突出。为了实现高画质、高分辨率、高对比度、自由形态、大尺寸、高性价比的汽车显示屏解决方案,目前仍有一些重大挑战需要克服。
本文讨论了TFT-LCD、OLED和micro-LED显示屏的特点。为了实现更好的显示性能,与TFT-LCD显示屏相比,OLED和micro-LED显示屏的像素驱动变得更加复杂。与此同时,OLED和micro-LED显示屏的大规模生产商业化方面存在挑战,价格较为昂贵。采用局部调光技术的mini-LED LCD显示屏是通向micro-LED和OLED显示屏的桥梁。
本系列文章的第2部分将重点介绍汽车显示屏的电源技术,包括背光驱动器、TFT偏置PMIC和局部调光功能。
参考文献
1 You Xiang Stacy Wu。“Automotive Display Market Outlook”。2019 26th International Workshop on Active-Matrix Flatpanel Displays and Devices (AM-FPD),IEEE,2019年9月。
2 Robert Prange。“Trends in Automotive Display Glass Processing”。Glastory,2024年12月。
3 “What Are Micro LED, Mini LED, and Micro OLED?Different Emerging Display Technologies Explained”。LEDinside,2021年8月。
4 Chih-Lung Lin、Jui-Hung Chang、Fu-Hsing Chen、Po-Cheng Lai、Yi-Chien Chen和Cheng-Han Ke。“New Driving Structure to Increase Pixel Charging Ratio for UHD TFT-LCDs With High Frame Rate”。IEEE Access,第10卷,2022年8月。
5 Yojiro Matsueda。“Driving Technologies for OLED Display”。Handbook of Organic Light-Emitting Diodes,Springer,2022年。
6 Li Jin Kim、Sujin Jung、Hee Jun Kim、Bong Hwan Kim、Kyung Joon Kwon、Yong Min Ha和Hyun Jae Kim。“Image Quality Enhancement in Variable-Refresh-Rate AMOLED Displays Using a Variable Initial Voltage Compensation Scheme”。Scientific Reports,第12卷,2022年4月。
7 Younsik KIM、Kyunghoon Chung、Jaemyung Lim和Oh-Kyong Kwon。“A Highly Uniform Luminance and Low-Flicker Pixel Circuit and Its Driving Methods for Variable Frame Rate AMOLED Displays”。IEEE Access,第11卷,2023年。
关于ADI公司
Analog Devices, Inc. (NASDAQ: ADI)是全球领先的半导体公司,致力于在现实世界与数字世界之间架起桥梁,以实现智能边缘领域的突破性创新。ADI提供结合模拟、数字和软件技术的解决方案,推动数字化工厂、汽车和数字医疗等领域的持续发展,应对气候变化挑战,并建立人与世界万物的可靠互联。ADI公司2024财年收入超过90亿美元,全球员工约2.4万人。ADI助力创新者不断超越一切可能。更多信息,请访问www.analog.com/cn。
作者简介
Yujie Bai是ADI公司的高级应用工程师,负责汽车电源产品的支持和应用。Yujie于2020年加入Maxim Integrated(现为ADI公司的一部分),拥有美国迈阿密大学(俄亥俄州)电气工程硕士学位。










