作者:Frank Zhang,应用工程师
Henry Chen,资深工程师
Meng Wang,资深工程师
Nandin Xu,经理
摘要
在系统级电路解决方案中,为了实现或平衡“简洁与高效”这两大目标,往往需要统筹考量硬件架构与软件算法。主动均衡正是这种系统级解决方案的典型体现。在硬件层面,设计人员需审慎选择合适的IC和元器件以实现能量转移;与此同时,主动均衡策略的设计,即主导均衡过程的关键算法,也应给予同等重视。本文深入探讨了电池管理系统(BMS)高效主动均衡设计背后的架构和算法。
引言
承续本系列已阐述的主动均衡概念,接下来将从两个维度继续讨论该主题:均衡架构和均衡算法。我们将从硬件和软件两个层面,探讨如何设计一个高效、精简、易于部署与评估的系统级主动均衡解决方案。
本文(本系列的第三部分)重点介绍均衡架构。设计方案中包括一个开关矩阵主板、两个反激电源板、一个电池管理系统(BMS)控制板、一个微控制器单元(MCU)评估板和一个isoSPI隔离通信评估板。以下章节将简要介绍每个硬件板的功能。
开关矩阵电路板
在主动均衡设计中,电荷需要在电芯之间以及电池包之间传输。正如本系列第二部分所述,更高效、更精简的均衡解决方案采用多电芯电池包,并使用两个独立的反激电路和两个变压器:一个专用于电芯之间的均衡,另一个专用于电池包之间的均衡。开关矩阵以时分复用的方式,选择性地将不同电芯连接到主动均衡电路。
该主动均衡架构中的开关矩阵是基于先前讨论的概念构建而成。它包含一个16通道电芯选择矩阵,能够精确接入目标电芯进行均衡。此外还有四个极性选择开关,用于在选定电芯连接到反激电路时调整电压极性。整体均衡架构如图1所示。

图1.主动均衡电路架构示意图
该架构使用单个反激电源级,通过在电池包内的多个电芯之间分时共享一个反激转换器来实现电芯间均衡。可选择被均衡电池包中16个电芯中的任何一个进行均衡。
反激电源级由LT8306驱动,后者是一款高集成度且高效的控制器,只需极少的外部元件,非常适合主动均衡系统中的隔离式能量转移应用。模组电压直接来源于已均衡的电池包,因此在运行期间,即使单个电芯电压出现波动,占空比变化仍能保持最小。这使得充电和放电能够接近恒流,从而带来更稳定的硬件性能,并大大简化主动均衡算法的开发和调试,如表1所示。
理论上,源自电池包中N个电芯的模组电压Vmodule可能并不完全等于N × Vcell(任何单个电芯的电压),但实际上,配置良好且运行正常的主动均衡系统能以非常高的一致性维持Vmodule ≈ N × Vcell。

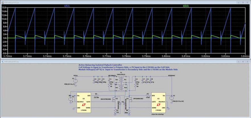
图2.基于本文所提出架构的单电芯放电的LTspice仿真
表1.电芯均衡期间的占空比变化(假设模组电压为N个电芯的电压之和,其中N = 8)
| Vcell (V) | 占空比(电芯放电) | 占空比(电芯充电) |
| 4.2 | 0.5022 | 0.5172 |
| 4.1 | 0.5023 | 0.5176 |
| 4.0 | 0.5023 | 0.5181 |
| 3.9 | 0.5024 | 0.5185 |
| 3.8 | 0.5025 | 0.5190 |
| 3.7 | 0.5025 | 0.5195 |
| 3.6 | 0.5026 | 0.5200 |
| 3.5 | 0.5027 | 0.5205 |
| 3.4 | 0.5027 | 0.5211 |
| 3.3 | 0.5028 | 0.5217 |
| 3.2 | 0.5029 | 0.5224 |
| 3.1 | 0.5030 | 0.5231 |
| 3.0 | 0.5031 | 0.5238 |
占空比(电芯放电)= (Vcell × N + VF) × NPS/(Vcell + (Vcell × N + VF) × NPS)
占空比(电芯充电)= (Vcell + VF) × NSP/(Vcell × N + (Vcell + VF) × NSP)
NPS = 1:N;NSP = N:1;VF = 0.3 V
反激电路设计和仿真
LT8306与Würth变压器(产品型号749119533)和必要的无源元件结合使用,可实现隔离式反激电源级,作为主动均衡架构的一部分,用于电芯之间的能量转移。
图2和图3展示了该架构中使用的反激电路的LTspice®原理图和相应的仿真结果。仿真清楚地表明,该电路实现了预期的电芯充放电双向均衡。
升压转换器和同步整流
在该架构中:
- 在电芯侧,LT8306由7 V稳压电源供电。假设单个锂离子电芯的最大电压为4.2 V,该架构的推荐工作范围为3.0 V至4.2 V,则7 V电源轨由ADP1612升压转换器对电芯电压进行升压来产生。该器件是一款高性价比、高效率转换器,非常适合将均衡电路中的低电芯电压升高至适当的电平,以确保LT8306在最佳范围内工作。
- 在电芯均衡充电期间,反激输出与单个电芯的电压一致。在如此低的电压和相对较高的充电电流下,使用二极管进行续流会造成显著的损耗和过热问题,而且这些问题会随着电芯电压下降而变得更加严重。但是,若将LT8306与LT8309等同步整流控制器配合使用,则可实现高效率转换路径,同时最大限度地减轻热应力,尤其是在低电压、高电流情况下。

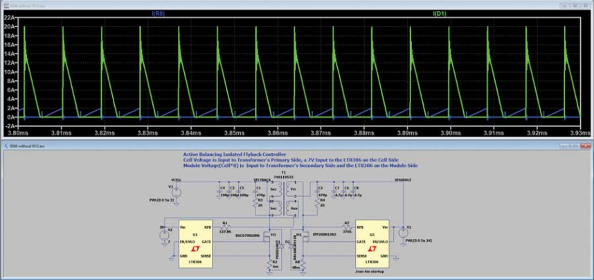
图3.基于本文所提出架构的单电芯充电的LTspice仿真
图4显示了采用ADP1612升压转换器和LT8309同步整流以实现主动均衡的反激电源级的完整LTspice仿真。
反馈设计考量因素
利用LT8306进行主动均衡的一个关键因素是其反馈网络的设计。从电芯到反激电路输入端的路径的总电阻(称为RROUTE)通常不容忽略。该电阻由以下几部分构成:电芯内阻、母线电阻、线束电阻、连接器电阻、保险丝电阻、PCB走线电阻以及六个串联MOSFET的总导通电阻RDS(ON)。
根据元件选择、线束质量和实际装配条件,RROUTE可能会有很大差异,从几十毫欧到几百毫欧不等。其精确值通常需要现场测量才能确定。当乘以平均充电电流(ICHARGE,可达数安培)时,RROUTE两端的电压降可能在几十到几百毫伏之间。对电芯充电时,次级侧LT8306以相对较高的开关频率(Fsw)工作。在这种情况下,由电芯输入端反激级的大布线电阻(RROUTE)和大输入电容器(CINPUT)形成的时间常数τ = RROUTE × CINPUT变得非常重要。如果该τ超过反激开关周期(Tsw = 1/Fsw),特别是如果它超过次级LT8306关断时间(Toff),那么当LT8306采样保持误差放大器对次级电压进行采样时,RROUTE两端的电压降尚未衰减到0 V。
因此,当τ较大时,必须将此电压降的影响纳入LT8306反馈电阻网络的计算中。虽然与总模组电压相比,此电压降相对较小,但相较于单个电芯的电压,此电压降却很大。
因此,使用LT8306设计电池充电电路时,必须将此电压降纳入反馈电阻的计算中。与数据手册中给出的公式相比,改进后的反馈电阻计算公式为:

而原式为:

RFB = 反馈电阻
VOUT = 输出电压
VF = 输出二极管正向电压
NPS = 变压器有效初级/次级匝数比
VROUTE = RROUTE两端的电压降
这种调整可确保电压调节精准且运行稳定,尤其是在电芯充电电流较高的情况下。

图4.基于本文所提出架构(同步整流)的单电芯充电的LTspice仿真
电池包间的主动均衡设计
我们还针对电池包间均衡场景进行了LTspice仿真和实验验证。由于核心操作与电芯间均衡非常相似,因此图5中仅展示了仿真原理图和关键结果。
实施基于电压的电池包间均衡策略时,务必确保电池模组之间的均衡电流路径不经过电池包的主端子(V+和V-)。这种预防措施可防止干扰电池包总电压的测量,无论是直接在V+和V-之间测量,还是通过对电芯1至电芯16的各个电芯电压求和来计算。

图5.基于本文所提出架构的电池包间均衡的LTspice仿真

图6.不同电池包间均衡连接方法对电池包电压测量的影响
图6展示了不同接线方法对电池包电压测量精度的影响,而图7显示了针对电池包间均衡的建议连接方案。

图7.电池包间均衡的建议连接方法
BMS控制板
主动电芯均衡的实现根本上依赖于BMS,更具体地说,依赖于BMS电芯监控单元提供的功能。在主动均衡架构中,电芯监控器发挥着几个重要作用,包括:
- 实时监控每个电芯的状态——跟踪电压、温度和保护限值(如过压和欠压状况)。
- 开路故障检测和诊断——确保整个系统的安全性和可靠性。
- 均衡开关控制——充当I²C主机,解译从MCU通过isoSPI接收到的均衡指令,并将其转发到I/O扩展器芯片,根据需要管理读/写操作。
- 均衡状态管理——通过I²C来处理板载EEPROM运行数据的读写操作。
- 菊花链通信——以菊花链配置高效传输数据,尽量减少MCU的需求量。
以上只是主动均衡电路中电芯监控器众多功能的一部分,但已然清楚地说明了其所发挥的关键作用。
在该架构中,ADBMS6830B用作BMS控制单元。这款高性能多电芯电池组监控器支持测量多达16个串联电芯;在全温度范围内,整个使用寿命期内的总测量误差(TME)小于2 mV。因此,它能够对已均衡电池包中的所有16个电芯进行精确、实时的电压监控。
ADBMS6830B的输入测量范围为-2 V至+5.5 V,兼容多种电池化学体系,从高电压的锂镍锰钴氧化物(NMC)电芯到低电压的LiFePO4电芯,可灵活适配不同类型的电池。此外,所有电芯均可通过两个独立的ADC进行同步和冗余采样,从而确保电压数据高度准确可靠,使均衡算法有效运行。
MCU评估板
在此架构中,MAX32670用作主要控制单元。除非另有说明,后续提及的所有MCU均指MAX32670。它是一款超低功耗、高性价比且高度可靠的32位微控制器,能够提供复杂传感器和控制任务所需的处理裕量,非常适合工业和物联网应用。
在该主动均衡架构中,控制逻辑分布在两个主要位置:
- 主机端控制——PC上运行的主动均衡GUI。
- 嵌入式控制——MCU上执行的固件。
MCU通过UART与主机GUI通信,并通过SPI与BMS对接;通常采用isoSPI模块来实现电气隔离并提升通信稳健性。MCU还利用定时器和GPIO等内部外设来管理均衡过程中的时序、状态控制和I/O功能。
目前,该架构未设计定制MCU板,而是采用MAX32670EVKIT评估板。这种方式可加快开发速度,固件和驱动程序代码可利用SDK编写和调试,然后写入到MCU的闪存中,并与主动均衡GUI一起进行验证,从而实现全功能系统验证,而无需在早期阶段使用定制MCU PCB。
isoSPI隔离通信评估板
在该架构中,DC2792B隔离通信评估板(基于LTC6820)用于实现MCU与电芯监控器之间的通信。LTC6820支持两个电气隔离器件之间通过单条双绞线缆进行双向SPI通信。
在运行过程中,它将MCU的4线SPI信号转换为2线isoSPI脉冲信号,以传输到电芯监控器,同时能够反其道而行,将从电芯监控器接收到的isoSPI信号解码回MCU使用的标准4线SPI信号。
LTC6820的隔离功能并非强制要求,但它通过在电气上隔离高压域和低压域,显著提升了系统的可靠性和安全性。这可以保护电池包、BMS控制电路和MCU硬件,同时将高压风险降至最低,从而增强系统开发人员和最终用户的安全保障。出于这些原因,强烈建议在该架构中使用LTC6820。
均衡过程中的SOC计算
该架构实现了接近恒流的充电和放电过程,有利于电芯均衡,大大简化了均衡过程中对荷电状态(SOC)的估算和监控。由于该架构在整个均衡过程中维持接近恒定的电流,因此用户通常只需要跟踪三个关键参数:均衡持续时间、均衡状态(充电或放电)和预测量的均衡电流。利用这些参数可以获得近似的SOC估计值,而无需专用库仑计数器IC。
当然,对于均衡过程中需要更高精度SOC计算的应用,使用库仑计仍然是最准确的方法。
主动均衡架构的物理演示
该架构的物理实现如图8至图11所示。这些图片展示了用于在由16电芯组成的电池包中实现主动均衡的硬件设置。

图8.主动均衡架构内的主板

图9.架构中有两个反激电路:一个专用于电芯间均衡,另一个专用于电池包间均衡

图10. 架构中的isoSPI通信板和MCU控制板

图11.在使用真实16电芯电池包(每个电芯的额定容量为40 Ah)的主动均衡实验中,该架构的物理接线和连接图
结语
本文重点介绍了一种高效、精简的主动均衡硬件架构的设计,着重阐述了如何审慎选择和整合关键IC与硬件板以开发出合适的解决方案。其中的元器件经过精心挑选,旨在创建一个简洁而有效的主动均衡系统。
在下一篇文章中,我们将深入探讨BMS高效主动均衡解决方案背后的算法设计。
作者简介
Frank Zhang是ADI公司中国技术支持中心的应用工程师。他的专业领域是电池管理系统(BMS)、精密信号链和嵌入式软件开发。他于2022年获得福州大学电子工程硕士学位,同年加入ADI公司。
Henry Chen是ADI公司广泛市场解决方案部门的一名资深应用工程师。他的专业领域是电源相关应用。他于2003年获得华中科技大学电子工程硕士学位,并于2010年加入ADI公司。
Meng Wang是ADI北京公司的一名产品应用工程师。他于2014年加入ADI,为工业测试、物联网、3D相机系统和电池管理系统提供设计技术支持。他拥有北京科技大学机械设计与理论专业的学士和硕士学位(2011年)。
Nandin Xu是ADI上海公司技术支持中心经理。他负责管理中国CAC和CIC团队。他毕业于武汉华中科技大学,并获得控制科学与控制技术硕士学位,于2013年加入ADI公司。











