电子通

×
  • 新闻动态
    • 今日关注
    • 行业投资
    • 新品推荐
    • 市场分析
  • 电子集市
    • 酷玩
    • 芯片
    • 方案
    • 培训
    • 元器件数据
    • 供应链
    • ERP
  • 展会活动
  • 料号搜索
  • 大学院校
    • 院校名录
  • 电子百科
    • 电路图
    • 技术文库
    • 电子基础知识
    • 标准产品库
  • 应用领域
    • 通信
    • 物联网
    • 消费电子
    • 汽车电子
    • 工业控制
    • 安防电子
    • 医疗电子
    • 人工智能
  • 电子技术
    • 模拟电子
    • 单片机
    • 半导体
    • FPGA
    • DSP
  • 关于我们
首页电子百科电子基础知识文章
如何选择电流互感变压器 电子基础知识

如何选择电流互感变压器

如何选择电流互感变压器   长期以来,电流互感变压器作为仪器设备...
2020年02月17日  如何选择电流互感变压器已关闭评论
阅读全文
变压器绕制、特性等一些常见问题分析
电子基础知识

变压器绕制、特性等一些常见问题分析

变压器绕制、特性等一些常见问题分析   一、变压器的制作中,线圈...
2020年02月17日  变压器绕制、特性等一些常见问题分析已关闭评论
阅读全文
可控硅基本概念 电子基础知识

可控硅基本概念

可控硅基本概念 一、可控硅的概念和结构   晶闸管又叫可控硅。自...
2020年02月17日  可控硅基本概念已关闭评论
阅读全文
如何正确选择中小型断路器 电子基础知识

如何正确选择中小型断路器

如何正确选择中小型断路器     ...
2020年02月17日  如何正确选择中小型断路器已关闭评论
阅读全文
RC阻容吸收电路
电子基础知识

RC阻容吸收电路

晶闸管两端并联阻容网络的作用 在实际晶闸管电路中,常在其两端并联...
2020年02月17日  RC阻容吸收电路已关闭评论
阅读全文
可控硅极性的判定
电子基础知识

可控硅极性的判定

单向可控硅是由三个PN结的半导体材料构成,其基本结构、符号及等效...
2020年02月17日  可控硅极性的判定已关闭评论
阅读全文
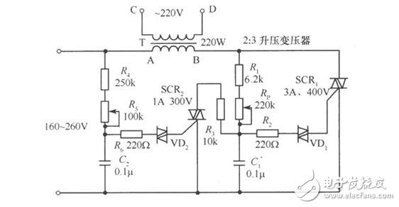
双向可控硅在交流调压电路中的使用 电子基础知识

双向可控硅在交流调压电路中的使用

  目前交流调压多采用双向可控硅,它具有体积小、重量轻、效率高和...
2020年02月17日  双向可控硅在交流调压电路中的使用已关闭评论
阅读全文
KTY3Z系列全数字三相晶闸管交流调功器
电子基础知识

KTY3Z系列全数字三相晶闸管交流调功器

KTY3Z系列全数字三相晶闸管交流调功器,为单片机控 制的全数字...
2020年02月17日  KTY3Z系列全数字三相晶闸管交流调功器已关闭评论
阅读全文
BT136参数及管脚封装定义图 电子基础知识

BT136参数及管脚封装定义图

BT136参数特性 BT136-特点编辑本段特点: 击穿电压高、...
2020年02月17日  BT136参数及管脚封装定义图已关闭评论
阅读全文
增强硅中掺铒发光强度的途径研究 电子基础知识

增强硅中掺铒发光强度的途径研究

    在微电子应用中起主导作用的Si,在光子学领域的...
2020年02月17日  增强硅中掺铒发光强度的途径研究已关闭评论
阅读全文

文章导航

第 1 页 … 第 116 页 第 117 页 第 118 页 … 第 916 页

推荐文章

  • 12026 全球芯片核心品牌 TOP50 及官方授权代理商(通过官网整理)
  • 2SCA7606工作原理
  • 3意法半导体公布2020年第三季度初步营收 和2020年第三季度财报公布及电话会议时间
  • 4聚焦“朱日和”:从这里挺进半导体产业的强国之列
  • 5如何将光强度转换为一个电学量
  • 6立创获A轮2.5亿元融资,由红杉资本、钟鼎资本联合完成
  • 77月上市的新能源汽车都在这了!
  • 8Diodes公司推出自适应LED电流纹波抑制器
  • 9日对韩出口限制 京东方或成苹果OLED面板供应商
  • 10国际半导体遭遇寒冬 中国存储方队逆势扩张

近期文章

  • 2026国民车链展,直达优质供应链企业核心决策层
  • 2026 全球芯片核心品牌 TOP50 及官方授权代理商(通过官网整理)
  • 东芝发布支持PCIe®6.0与USB4®2.0版等高速差分信号的2:1多路复用器/1:2解复用器开关
  • 大联大世平北京车展首秀,携手安森美(onsemi)等伙伴展现车载电子系统整合实力
  • 2026第二届雷达无线电产业展览会
  • 安森美公布2026年第一季度业绩
  • 智能移动电源:集成太阳能光伏、直流输入和备用锂离子电池
  • Vishay推出可达600mm检测距离的高灵敏度接近传感器
  • 博世发布全新超声波芯片组,以底层硬件创新重塑AI智能泊车体验
  • 意法半导体高速GaN驱动器为运动控制与功率转换应用增加智能保护功能

热门标签

ADI 强国之列 homekit 5G 电气光伏 测试 自动驾驶 ZigBee LED驱动方案 Atmel 裸视三维产品 Blackfin处理器 国产芯片 电源管理 国产半导体 传感器信号 朱日和 树莓派-Raspberry Pi 电路图 嵌入式

相关文章

  • 2026 全球芯片核心品牌 TOP50 及官方授权代理商(通过官网整理)
  • 意法半导体高速GaN驱动器为运动控制与功率转换应用增加智能保护功能
  • 大联大世平集团携手NXP举办线上研讨会,揭秘主动式悬架控制板及S32K3选型
  • 从皮肤到芯片:医用贴片和植入式设备中的传感器如何重新定义医疗
  • 意法半导体低电阻 MOSFET可节省电能,缩减 PCB面积,适合配电应用
Copyright © 2026 电子通  版权所有. 备案号: 京ICP备17050710号-3
  • 文章目录
  • 微信

    在线咨询