电子通

×
  • 新闻动态
    • 今日关注
    • 行业投资
    • 新品推荐
    • 市场分析
  • 电子集市
    • 酷玩
    • 芯片
    • 方案
    • 培训
    • 元器件数据
    • 供应链
    • ERP
  • 展会活动
  • 料号搜索
  • 大学院校
    • 院校名录
  • 电子百科
    • 电路图
    • 技术文库
    • 电子基础知识
    • 标准产品库
  • 应用领域
    • 通信
    • 物联网
    • 消费电子
    • 汽车电子
    • 工业控制
    • 安防电子
    • 医疗电子
    • 人工智能
  • 电子技术
    • 模拟电子
    • 单片机
    • 半导体
    • FPGA
    • DSP
  • 关于我们
首页电子百科电子基础知识文章
bourns电位器接线图 电子基础知识

bourns电位器接线图

  bourns电位器简介   bourns电位器也叫邦士电位器...
2020年02月28日  bourns电位器接线图已关闭评论
阅读全文
bourns电位器的性能指标与工作原理 电子基础知识

bourns电位器的性能指标与工作原理

  什么是bourns电位器   bourns电位器是一种可调电...
2020年02月28日  bourns电位器的性能指标与工作原理已关闭评论
阅读全文
如何选择bourns电位器_bourns电位器的使用及注意事项 电子基础知识

如何选择bourns电位器_bourns电位器的使用及注意事项

  bourns电位器,是美国的一个电子元器件品牌之一,也是全球...
2020年02月28日  如何选择bourns电位器_bourns电位器的使用及注意事项已关闭评论
阅读全文
十大bourns电位器推荐 电子基础知识

十大bourns电位器推荐

  BOURNS电位器定义   BOURNS电位器是一种玻璃釉精...
2020年02月28日  十大bourns电位器推荐已关闭评论
阅读全文
3296电位器性能参数_3296电位器封装 电子基础知识

3296电位器性能参数_3296电位器封装

  3296电位器作用   一、用作电流控制   二、用作变阻器...
2020年02月28日  3296电位器性能参数_3296电位器封装已关闭评论
阅读全文
3296w100k电位器介绍 电子基础知识

3296w100k电位器介绍

3296电位器的技术参数: 电位器性能: 阻值范围(Ohms) ...
2020年02月28日  3296w100k电位器介绍已关闭评论
阅读全文
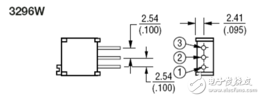
3296w电位器封装尺寸与3296w外壳介绍 电子基础知识

3296w电位器封装尺寸与3296w外壳介绍

3296w电位器 电位器性能: 阻值范围(Ohms) :10~2...
2020年02月28日  3296w电位器封装尺寸与3296w外壳介绍已关闭评论
阅读全文
电位器3266和3296区别主要在哪里_3266/3296电位器参数 电子基础知识

电位器3266和3296区别主要在哪里_3266/3296电位器参数

电位器3266 3266电位器有时也称之为3266可调电阻。32...
2020年02月28日  电位器3266和3296区别主要在哪里_3266/3296电位器参数已关闭评论
阅读全文
关于电位器安装中出现的问题及注意事项 电子基础知识

关于电位器安装中出现的问题及注意事项

关于电位器,实际可以理解成一个滑动变阻器,一般有3个管脚组成,其...
2020年02月28日  关于电位器安装中出现的问题及注意事项已关闭评论
阅读全文
解析如何正确选择电位器 电子基础知识

解析如何正确选择电位器

想必大家对电位器都有所了解,实际上,电位器按作用来看,就是一个可...
2020年02月28日  解析如何正确选择电位器已关闭评论
阅读全文

文章导航

第 1 页 … 第 67 页 第 68 页 第 69 页 … 第 915 页

推荐文章

  • 1SCA7606工作原理
  • 2意法半导体公布2020年第三季度初步营收 和2020年第三季度财报公布及电话会议时间
  • 3聚焦“朱日和”:从这里挺进半导体产业的强国之列
  • 4如何将光强度转换为一个电学量
  • 5立创获A轮2.5亿元融资,由红杉资本、钟鼎资本联合完成
  • 67月上市的新能源汽车都在这了!
  • 7Diodes公司推出自适应LED电流纹波抑制器
  • 8日对韩出口限制 京东方或成苹果OLED面板供应商
  • 9国际半导体遭遇寒冬 中国存储方队逆势扩张
  • 10屏幕采购低于承诺,外媒曝苹果向三星赔偿6.83亿美元

近期文章

  • 意法半导体高速GaN驱动器为运动控制与功率转换应用增加智能保护功能
  • 大联大世平集团携手NXP举办线上研讨会,揭秘主动式悬架控制板及S32K3选型
  • 从皮肤到芯片:医用贴片和植入式设备中的传感器如何重新定义医疗
  • 赋能电子、汽车电子、半导体、数据中心、PCB产业,Fac Tec China电子工厂设施展6月2-4日上海世博展览馆,一次看全新技术、新方案、新趋势
  • CIEI将与全球数据周与第五届长三角国际应急博览会两大顶级行业盛会联动,与全球精英共赴智能未来!
  • 派克汉尼汾发布2025可持续发展报告
  • 思特威推出全新2MP及4MP高性能智能安防应用CMOS图像传感器
  • 2026 年第一季度 DigiKey 新增近 31,000 种零件及 97 家供应商,进一步扩充了现货产品供应
  • AI+FTTR破局在即,CIOE信息通信展成产业风向观察窗口
  • 34 万㎡超大规模,5000+展商集结,一同解码半导体行业新发展

热门标签

LED驱动方案 强国之列 朱日和 电气光伏 测试 ZigBee 国产芯片 ADI Blackfin处理器 电路图 裸视三维产品 homekit 传感器信号 国产半导体 树莓派-Raspberry Pi Atmel 电源管理 嵌入式 5G 自动驾驶

相关文章

  • 意法半导体高速GaN驱动器为运动控制与功率转换应用增加智能保护功能
  • 大联大世平集团携手NXP举办线上研讨会,揭秘主动式悬架控制板及S32K3选型
  • 从皮肤到芯片:医用贴片和植入式设备中的传感器如何重新定义医疗
  • 意法半导体低电阻 MOSFET可节省电能,缩减 PCB面积,适合配电应用
  • 如何使用工业级串行数字输入来设计具有并行接口的数字输入模块
Copyright © 2026 电子通  版权所有. 备案号: 京ICP备17050710号-3
  • 文章目录
  • 微信

    在线咨询