电子通

×
  • 新闻动态
    • 今日关注
    • 行业投资
    • 新品推荐
    • 市场分析
  • 电子集市
    • 酷玩
    • 芯片
    • 方案
    • 培训
    • 元器件数据
    • 供应链
    • ERP
  • 展会活动
  • 料号搜索
  • 大学院校
    • 院校名录
  • 电子百科
    • 电路图
    • 技术文库
    • 电子基础知识
    • 标准产品库
  • 应用领域
    • 通信
    • 物联网
    • 消费电子
    • 汽车电子
    • 工业控制
    • 安防电子
    • 医疗电子
    • 人工智能
  • 电子技术
    • 模拟电子
    • 单片机
    • 半导体
    • FPGA
    • DSP
  • 关于我们
首页电子百科电子基础知识文章
合金电阻怎么识别 电子基础知识

合金电阻怎么识别

  合金电阻怎么识别   合电阻的识别方法如下:   ( 1 )...
2020年02月28日  合金电阻怎么识别已关闭评论
阅读全文
热电阻型号说明_热电阻分类 电子基础知识

热电阻型号说明_热电阻分类

  热电阻型号说明   热电阻的型号一般是根据热电阻的外形来确定...
2020年02月28日  热电阻型号说明_热电阻分类已关闭评论
阅读全文
热电阻为什么采用三线制接法 电子基础知识

热电阻为什么采用三线制接法

  热电阻为什么采用三线制接法   PT100热电阻采用三线制的...
2020年02月28日  热电阻为什么采用三线制接法已关闭评论
阅读全文
热敏电阻器作用_热敏电阻器的工作原理 电子基础知识

热敏电阻器作用_热敏电阻器的工作原理

  热敏电阻器作用   热敏电阻通常是由对温度极为敏感、热惰性很...
2020年02月28日  热敏电阻器作用_热敏电阻器的工作原理已关闭评论
阅读全文
光敏电阻有正负极吗_光敏电阻的阻值如何变化 电子基础知识

光敏电阻有正负极吗_光敏电阻的阻值如何变化

  光敏电阻有正负极吗   光敏电阻没有正负极之分。光敏电阻是随...
2020年02月28日  光敏电阻有正负极吗_光敏电阻的阻值如何变化已关闭评论
阅读全文
光敏电阻的伏安特性曲线 电子基础知识

光敏电阻的伏安特性曲线

  光敏电阻的伏安特性曲线   光电流光敏电阻在暗时电阻所流的电...
2020年02月28日  光敏电阻的伏安特性曲线已关闭评论
阅读全文
光敏电阻主要应用在什么场合 电子基础知识

光敏电阻主要应用在什么场合

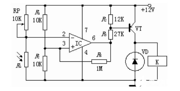
  光敏电阻主要应用在什么场合   光敏电阻器是光电传感元件之一...
2020年02月28日  光敏电阻主要应用在什么场合已关闭评论
阅读全文
光敏电阻型号命名方法 电子基础知识

光敏电阻型号命名方法

  光敏电阻型号命名方法   光敏电阻器型号命名分为三个部分,第...
2020年02月28日  光敏电阻型号命名方法已关闭评论
阅读全文
磁敏电阻有什么作用 电子基础知识

磁敏电阻有什么作用

  磁敏电阻有什么作用   磁敏电阻是一种对磁敏感、具有磁阻效应...
2020年02月28日  磁敏电阻有什么作用已关闭评论
阅读全文
水冷电阻工作方式及运用范围 电子基础知识

水冷电阻工作方式及运用范围

  什么是水冷电阻   水冷电阻是水冷制动电阻器,包括从一些kW...
2020年02月28日  水冷电阻工作方式及运用范围已关闭评论
阅读全文

文章导航

第 1 页 … 第 73 页 第 74 页 第 75 页 … 第 915 页

推荐文章

  • 1SCA7606工作原理
  • 2意法半导体公布2020年第三季度初步营收 和2020年第三季度财报公布及电话会议时间
  • 3聚焦“朱日和”:从这里挺进半导体产业的强国之列
  • 4如何将光强度转换为一个电学量
  • 5立创获A轮2.5亿元融资,由红杉资本、钟鼎资本联合完成
  • 67月上市的新能源汽车都在这了!
  • 7Diodes公司推出自适应LED电流纹波抑制器
  • 8日对韩出口限制 京东方或成苹果OLED面板供应商
  • 9国际半导体遭遇寒冬 中国存储方队逆势扩张
  • 10屏幕采购低于承诺,外媒曝苹果向三星赔偿6.83亿美元

近期文章

  • 意法半导体高速GaN驱动器为运动控制与功率转换应用增加智能保护功能
  • 大联大世平集团携手NXP举办线上研讨会,揭秘主动式悬架控制板及S32K3选型
  • 从皮肤到芯片:医用贴片和植入式设备中的传感器如何重新定义医疗
  • 赋能电子、汽车电子、半导体、数据中心、PCB产业,Fac Tec China电子工厂设施展6月2-4日上海世博展览馆,一次看全新技术、新方案、新趋势
  • CIEI将与全球数据周与第五届长三角国际应急博览会两大顶级行业盛会联动,与全球精英共赴智能未来!
  • 派克汉尼汾发布2025可持续发展报告
  • 思特威推出全新2MP及4MP高性能智能安防应用CMOS图像传感器
  • 2026 年第一季度 DigiKey 新增近 31,000 种零件及 97 家供应商,进一步扩充了现货产品供应
  • AI+FTTR破局在即,CIOE信息通信展成产业风向观察窗口
  • 34 万㎡超大规模,5000+展商集结,一同解码半导体行业新发展

热门标签

国产半导体 ZigBee LED驱动方案 5G 测试 朱日和 Atmel homekit 嵌入式 Blackfin处理器 电源管理 树莓派-Raspberry Pi 国产芯片 裸视三维产品 ADI 传感器信号 自动驾驶 电路图 强国之列 电气光伏

相关文章

  • 意法半导体高速GaN驱动器为运动控制与功率转换应用增加智能保护功能
  • 大联大世平集团携手NXP举办线上研讨会,揭秘主动式悬架控制板及S32K3选型
  • 从皮肤到芯片:医用贴片和植入式设备中的传感器如何重新定义医疗
  • 意法半导体低电阻 MOSFET可节省电能,缩减 PCB面积,适合配电应用
  • 如何使用工业级串行数字输入来设计具有并行接口的数字输入模块
Copyright © 2026 电子通  版权所有. 备案号: 京ICP备17050710号-3
  • 文章目录
  • 微信

    在线咨询