电子通

×
  • 新闻动态
    • 今日关注
    • 行业投资
    • 新品推荐
    • 市场分析
  • 电子集市
    • 酷玩
    • 芯片
    • 方案
    • 培训
    • 元器件数据
    • 供应链
    • ERP
  • 展会活动
  • 料号搜索
  • 大学院校
    • 院校名录
  • 电子百科
    • 电路图
    • 技术文库
    • 电子基础知识
    • 标准产品库
  • 应用领域
    • 通信
    • 物联网
    • 消费电子
    • 汽车电子
    • 工业控制
    • 安防电子
    • 医疗电子
    • 人工智能
  • 电子技术
    • 模拟电子
    • 单片机
    • 半导体
    • FPGA
    • DSP
  • 关于我们
首页电子百科电子基础知识文章
可控硅交流稳压器 电子基础知识

可控硅交流稳压器

可控硅交流稳压器 主要技术指标 可长期连续工作响应时间≤0.5秒...
2020年02月17日  可控硅交流稳压器已关闭评论
阅读全文
JFZ调速触发模块原理及调整维修 电子基础知识

JFZ调速触发模块原理及调整维修

JFZ调速触发模块原理及调整维修 各种应用常常需要电动机调速运行...
2020年02月17日  JFZ调速触发模块原理及调整维修已关闭评论
阅读全文
印刷设备电磁调速异步电动机(滑差电机) 电子基础知识

印刷设备电磁调速异步电动机(滑差电机)

印刷设备电磁调速异步电动机(滑差电机)   电磁调速异步电动机又...
2020年02月17日  印刷设备电磁调速异步电动机(滑差电机)已关闭评论
阅读全文
四花样彩灯控制器 电子基础知识

四花样彩灯控制器

四花样彩灯控制器 一种四花样自动切换的彩灯控制器。其电路简单、取...
2020年02月17日  四花样彩灯控制器已关闭评论
阅读全文
SXTY三相交流调压(闭环)触发板 电子基础知识

SXTY三相交流调压(闭环)触发板

SXTY三相交流调压(闭环)触发板 SXTY三相交流调压(闭环)...
2020年02月17日  SXTY三相交流调压(闭环)触发板已关闭评论
阅读全文
一种新颖的触摸式开关台灯电路 电子基础知识

一种新颖的触摸式开关台灯电路

一种新颖的触摸式开关台灯电路 最近,笔者对一种新的触摸式台灯按其...
2020年02月17日  一种新颖的触摸式开关台灯电路已关闭评论
阅读全文
富士宝豪华遥控落地扇电路剖析 电子基础知识

富士宝豪华遥控落地扇电路剖析

富士宝豪华遥控落地扇电路剖析 该系列风扇随机未附电路图,笔者根据...
2020年02月17日  富士宝豪华遥控落地扇电路剖析已关闭评论
阅读全文
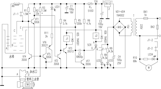
水塔自动供水保护电路 电子基础知识

水塔自动供水保护电路

水塔自动供水保护电路 一般家用小功率水泵供水电路没有保护措施,在...
2020年02月17日  水塔自动供水保护电路已关闭评论
阅读全文
红外遥控开关 电子基础知识

红外遥控开关

红外遥控开关 如图所示为红外遥控开关,由红外发射器和红外接收器构...
2020年02月17日  红外遥控开关已关闭评论
阅读全文
单片机控制宽脉冲触发可控调压电路?
电子基础知识

单片机控制宽脉冲触发可控调压电路?

单片机控制宽脉冲触发可控调压电路?   在交流调压电路中,晶闸管...
2020年02月17日  单片机控制宽脉冲触发可控调压电路?已关闭评论
阅读全文

文章导航

第 1 页 … 第 107 页 第 108 页 第 109 页 … 第 916 页

推荐文章

  • 12026 全球芯片核心品牌 TOP50 及官方授权代理商(通过官网整理)
  • 2SCA7606工作原理
  • 3意法半导体公布2020年第三季度初步营收 和2020年第三季度财报公布及电话会议时间
  • 4聚焦“朱日和”:从这里挺进半导体产业的强国之列
  • 5如何将光强度转换为一个电学量
  • 6立创获A轮2.5亿元融资,由红杉资本、钟鼎资本联合完成
  • 77月上市的新能源汽车都在这了!
  • 8Diodes公司推出自适应LED电流纹波抑制器
  • 9日对韩出口限制 京东方或成苹果OLED面板供应商
  • 10国际半导体遭遇寒冬 中国存储方队逆势扩张

近期文章

  • 2026国民车链展,直达优质供应链企业核心决策层
  • 2026 全球芯片核心品牌 TOP50 及官方授权代理商(通过官网整理)
  • 东芝发布支持PCIe®6.0与USB4®2.0版等高速差分信号的2:1多路复用器/1:2解复用器开关
  • 大联大世平北京车展首秀,携手安森美(onsemi)等伙伴展现车载电子系统整合实力
  • 2026第二届雷达无线电产业展览会
  • 安森美公布2026年第一季度业绩
  • 智能移动电源:集成太阳能光伏、直流输入和备用锂离子电池
  • Vishay推出可达600mm检测距离的高灵敏度接近传感器
  • 博世发布全新超声波芯片组,以底层硬件创新重塑AI智能泊车体验
  • 意法半导体高速GaN驱动器为运动控制与功率转换应用增加智能保护功能

热门标签

homekit 裸视三维产品 测试 电路图 Atmel 电源管理 国产芯片 强国之列 LED驱动方案 传感器信号 电气光伏 国产半导体 树莓派-Raspberry Pi 5G 嵌入式 自动驾驶 朱日和 ADI ZigBee Blackfin处理器

相关文章

  • 2026 全球芯片核心品牌 TOP50 及官方授权代理商(通过官网整理)
  • 意法半导体高速GaN驱动器为运动控制与功率转换应用增加智能保护功能
  • 大联大世平集团携手NXP举办线上研讨会,揭秘主动式悬架控制板及S32K3选型
  • 从皮肤到芯片:医用贴片和植入式设备中的传感器如何重新定义医疗
  • 意法半导体低电阻 MOSFET可节省电能,缩减 PCB面积,适合配电应用
Copyright © 2026 电子通  版权所有. 备案号: 京ICP备17050710号-3
  • 文章目录
  • 微信

    在线咨询