电子通

×
  • 新闻动态
    • 今日关注
    • 行业投资
    • 新品推荐
    • 市场分析
  • 电子集市
    • 酷玩
    • 芯片
    • 方案
    • 培训
    • 元器件数据
    • 供应链
    • ERP
  • 展会活动
  • 料号搜索
  • 大学院校
    • 院校名录
  • 电子百科
    • 电路图
    • 技术文库
    • 电子基础知识
    • 标准产品库
  • 应用领域
    • 通信
    • 物联网
    • 消费电子
    • 汽车电子
    • 工业控制
    • 安防电子
    • 医疗电子
    • 人工智能
  • 电子技术
    • 模拟电子
    • 单片机
    • 半导体
    • FPGA
    • DSP
  • 关于我们
首页电子百科电子基础知识文章
电除尘(雾)器的高压供电技术 电子基础知识

电除尘(雾)器的高压供电技术

电除尘(雾)器的高压供电技术 摘要:阐述了电除尘(雾)油器高压供...
2020年02月17日  电除尘(雾)器的高压供电技术已关闭评论
阅读全文
可调电压插座 电子基础知识

可调电压插座

可调电压插座 电路如下图,可用于调温(电烙铁)、调光(灯)、调速...
2020年02月17日  可调电压插座已关闭评论
阅读全文
可调型汽车蓄电池充电器 电子基础知识

可调型汽车蓄电池充电器

可调型汽车蓄电池充电器 这里介绍的可调型汽车蓄电池充电器,充电电...
2020年02月17日  可调型汽车蓄电池充电器已关闭评论
阅读全文
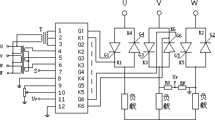
高性能晶闸管三相移相触发集成电路TC787/TC788应用 电子基础知识

高性能晶闸管三相移相触发集成电路TC787/TC788应用

高性能晶闸管三相移相触发集成电路TC787/TC788应用 TC...
2020年02月17日  高性能晶闸管三相移相触发集成电路TC787/TC788应用已关闭评论
阅读全文
双表定时控制器(一) 电子基础知识

双表定时控制器(一)

双表定时控制器(一) 本定时控制器可在24小时内对家用电器进行定...
2020年02月17日  双表定时控制器(一)已关闭评论
阅读全文
长时间计时器 电子基础知识

长时间计时器

长时间计时器 这个计时器电路可提供20min的计时延迟。它是一个...
2020年02月17日  长时间计时器已关闭评论
阅读全文
双表控制的可控硅定时器(三) 电子基础知识

双表控制的可控硅定时器(三)

双表控制的可控硅定时器(三) 本定时器由两只具有闹铃输出的电子表...
2020年02月17日  双表控制的可控硅定时器(三)已关闭评论
阅读全文
红外取暖器温度控制制作 电子基础知识

红外取暖器温度控制制作

红外取暖器温度控制制作 在严寒冬天,红外取暖器成为家庭的取暖设备...
2020年02月17日  红外取暖器温度控制制作已关闭评论
阅读全文
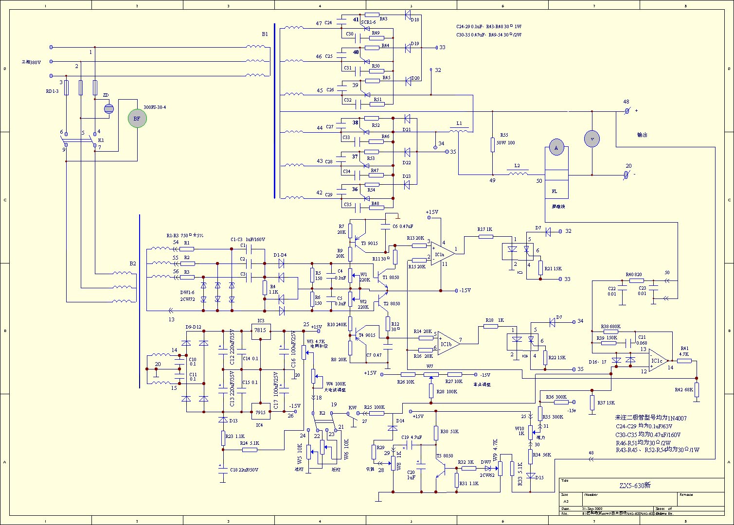
ZX5-250、400、630系列晶闸管整流弧焊机 电子基础知识

ZX5-250、400、630系列晶闸管整流弧焊机

      &...
2020年02月17日  ZX5-250、400、630系列晶闸管整流弧焊机已关闭评论
阅读全文
如何缓冲晶闸管 电子基础知识

如何缓冲晶闸管

如何缓冲晶闸管? 对电感性负载(例如电动机,螺线管等)来说,电流...
2020年02月17日  如何缓冲晶闸管已关闭评论
阅读全文

文章导航

第 1 页 … 第 106 页 第 107 页 第 108 页 … 第 916 页

推荐文章

  • 12026 全球芯片核心品牌 TOP50 及官方授权代理商(通过官网整理)
  • 2SCA7606工作原理
  • 3意法半导体公布2020年第三季度初步营收 和2020年第三季度财报公布及电话会议时间
  • 4聚焦“朱日和”:从这里挺进半导体产业的强国之列
  • 5如何将光强度转换为一个电学量
  • 6立创获A轮2.5亿元融资,由红杉资本、钟鼎资本联合完成
  • 77月上市的新能源汽车都在这了!
  • 8Diodes公司推出自适应LED电流纹波抑制器
  • 9日对韩出口限制 京东方或成苹果OLED面板供应商
  • 10国际半导体遭遇寒冬 中国存储方队逆势扩张

近期文章

  • 2026国民车链展,直达优质供应链企业核心决策层
  • 2026 全球芯片核心品牌 TOP50 及官方授权代理商(通过官网整理)
  • 东芝发布支持PCIe®6.0与USB4®2.0版等高速差分信号的2:1多路复用器/1:2解复用器开关
  • 大联大世平北京车展首秀,携手安森美(onsemi)等伙伴展现车载电子系统整合实力
  • 2026第二届雷达无线电产业展览会
  • 安森美公布2026年第一季度业绩
  • 智能移动电源:集成太阳能光伏、直流输入和备用锂离子电池
  • Vishay推出可达600mm检测距离的高灵敏度接近传感器
  • 博世发布全新超声波芯片组,以底层硬件创新重塑AI智能泊车体验
  • 意法半导体高速GaN驱动器为运动控制与功率转换应用增加智能保护功能

热门标签

国产芯片 电路图 ADI Atmel Blackfin处理器 ZigBee 传感器信号 国产半导体 强国之列 嵌入式 树莓派-Raspberry Pi 朱日和 LED驱动方案 裸视三维产品 自动驾驶 测试 电气光伏 homekit 电源管理 5G

相关文章

  • 2026 全球芯片核心品牌 TOP50 及官方授权代理商(通过官网整理)
  • 意法半导体高速GaN驱动器为运动控制与功率转换应用增加智能保护功能
  • 大联大世平集团携手NXP举办线上研讨会,揭秘主动式悬架控制板及S32K3选型
  • 从皮肤到芯片:医用贴片和植入式设备中的传感器如何重新定义医疗
  • 意法半导体低电阻 MOSFET可节省电能,缩减 PCB面积,适合配电应用
Copyright © 2026 电子通  版权所有. 备案号: 京ICP备17050710号-3
  • 文章目录
  • 微信

    在线咨询