晶闸管两端并联阻容网络的作用 在实际晶闸管电路中,常在其两端并联...
电子基础知识
水冷散热器的安装与使用
水冷散热器的安装与使用 一. 安装注意事项 1. 散热器(散热体...
电子基础知识
一种简单的可控硅好坏判断方法
一种简单的可控硅好坏判断方法
电子基础知识
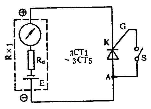
检查晶闸管的触发能力(方法之二)
检查晶闸管的触发能力(方法之二) 对于大功率晶闸管,因其通态压降...
电子基础知识
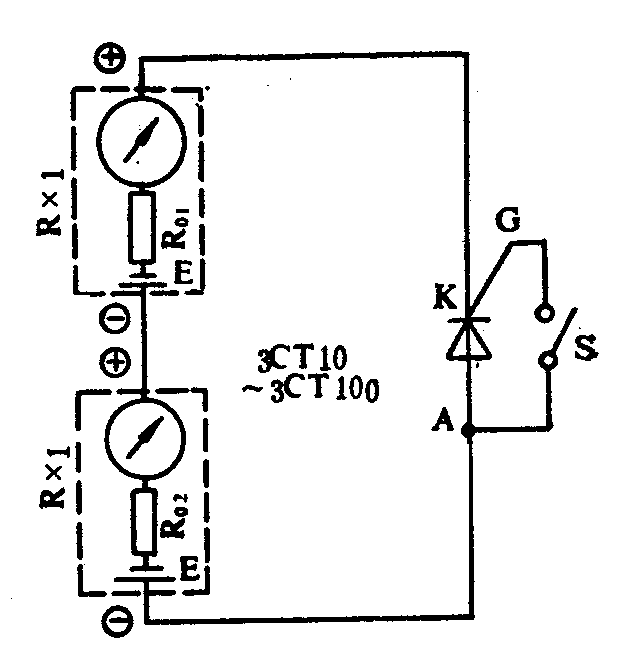
检查晶闸管的触发能力(方法之四)
检查晶闸管的触发能力(方法之四) 利用兆欧表和万用表检查晶闸管触...
电子基础知识
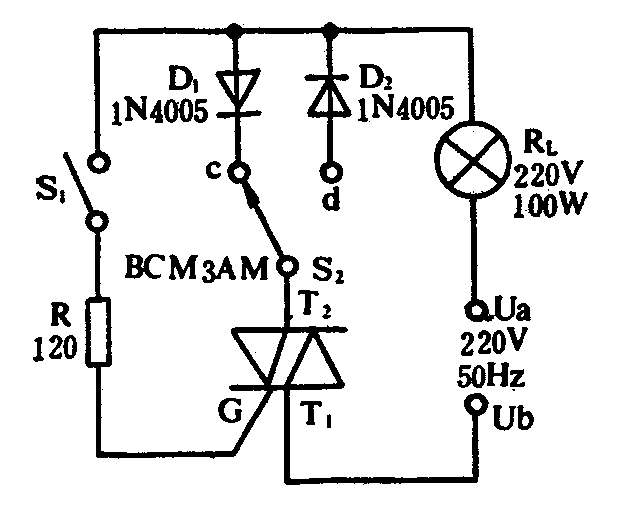
双向晶闸管(TRIAC)
双向晶闸管(TRIAC) 普通晶闸管实质上属于直流器件。要控制交...
电子基础知识
检查双向晶闸管的好坏(方法之一)
检查双向晶闸管的好坏(方法之一) 双向晶闸管作电子开关使用,能控...




