电子基础知识
电子基础知识
电子基础知识
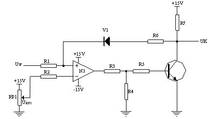
3KW可控硅直流调速系统电路
3KW可控硅直流调速系统电路
电子基础知识
SSR的分类与线路构成
SSR的分类与线路构成 型号 线路构...
电子基础知识
KJ008可控硅过零触发器
KJ008可控硅过零触发器 &nbs...
电子基础知识
晶闸管移相触发集成电路TCA785应用
晶闸管移相触发集成电路TCA785应用 TCA785是德国西门子...
中频电源的过电流和过电压的保护
中频电源的过电流和过电压的保护 ----------------...
整流晶闸管阻容吸收元件的选择
整流晶闸管阻容吸收元件的选择 -----------------...
电子基础知识
XG-500型X线机增设主可控硅损坏保护电路的新方法
XG-500型X线机增设主可控硅损坏保护电路的新方法 一、必...
电子基础知识
过流保护在可控硅整流装置中的应用
过流保护在可控硅整流装置中的应用 ---------------...



