电子通

×
  • 新闻动态
    • 今日关注
    • 行业投资
    • 新品推荐
    • 市场分析
  • 电子集市
    • 酷玩
    • 芯片
    • 方案
    • 培训
    • 元器件数据
    • 供应链
    • ERP
  • 展会活动
  • 料号搜索
  • 大学院校
    • 院校名录
  • 电子百科
    • 电路图
    • 技术文库
    • 电子基础知识
    • 标准产品库
  • 应用领域
    • 通信
    • 物联网
    • 消费电子
    • 汽车电子
    • 工业控制
    • 安防电子
    • 医疗电子
    • 人工智能
  • 电子技术
    • 模拟电子
    • 单片机
    • 半导体
    • FPGA
    • DSP
  • 关于我们
首页电子百科电子基础知识文章
功率继电器的原理_功率继电器的作用 电子基础知识

功率继电器的原理_功率继电器的作用

  功率继电器的原理   功率继电器(power relay),...
2020年02月28日  功率继电器的原理_功率继电器的作用已关闭评论
阅读全文
电子继电器的作用是什么 电子基础知识

电子继电器的作用是什么

  电子继电器的作用是什么   电子式继电器是一种电子控制器件,...
2020年02月28日  电子继电器的作用是什么已关闭评论
阅读全文
什么是极化继电器_极化继电器原理 电子基础知识

什么是极化继电器_极化继电器原理

  什么是极化继电器   极化继电器是指由极化磁场与控制电流通过...
2020年02月28日  什么是极化继电器_极化继电器原理已关闭评论
阅读全文
闪光继电器和普通继电器一样吗 电子基础知识

闪光继电器和普通继电器一样吗

  闪光继电器和普通继电器有本质区别。   一、概念不同   1...
2020年02月28日  闪光继电器和普通继电器一样吗已关闭评论
阅读全文
电磁继电器的作用及工作过程 电子基础知识

电磁继电器的作用及工作过程

  电磁继电器的作用   1、电磁继电器是电铃、电话和自动控制电...
2020年02月28日  电磁继电器的作用及工作过程已关闭评论
阅读全文
5脚继电器接线方法 电子基础知识

5脚继电器接线方法

  5脚继电器接线方法   如果是普通的电磁继电器,五脚分别是8...
2020年02月28日  5脚继电器接线方法已关闭评论
阅读全文
热继电器过载反时限动作特征 电子基础知识

热继电器过载反时限动作特征

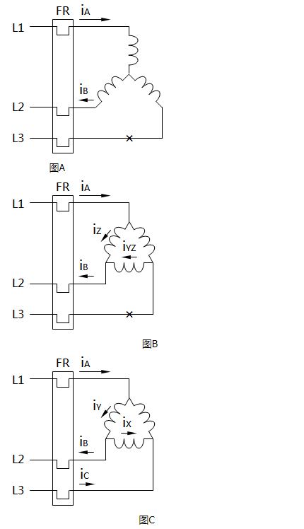
热继电器概述 电动机在实际运行中若出现过载,则电动机的转速将下降...
2020年02月28日  热继电器过载反时限动作特征已关闭评论
阅读全文
热继电器的选择原则 电子基础知识

热继电器的选择原则

热继电器是电流通过发热元件产生热量,使检测元件受热弯曲而推动机构...
2020年02月28日  热继电器的选择原则已关闭评论
阅读全文
继电器加速吸合电路与延緩动作电路 电子基础知识

继电器加速吸合电路与延緩动作电路

继电器加速吸合电路 对于直流电路里的继电器,设线圈本身的电阻为R...
2020年02月28日  继电器加速吸合电路与延緩动作电路已关闭评论
阅读全文
过流继电器工作原理_过流继电器的作用 电子基础知识

过流继电器工作原理_过流继电器的作用

  过流继电器工作原理   过流继电器是一种用于保护电动机、变压...
2020年02月28日  过流继电器工作原理_过流继电器的作用已关闭评论
阅读全文

文章导航

第 1 页 … 第 62 页 第 63 页 第 64 页 … 第 915 页

推荐文章

  • 1SCA7606工作原理
  • 2意法半导体公布2020年第三季度初步营收 和2020年第三季度财报公布及电话会议时间
  • 3聚焦“朱日和”:从这里挺进半导体产业的强国之列
  • 4如何将光强度转换为一个电学量
  • 5立创获A轮2.5亿元融资,由红杉资本、钟鼎资本联合完成
  • 67月上市的新能源汽车都在这了!
  • 7Diodes公司推出自适应LED电流纹波抑制器
  • 8日对韩出口限制 京东方或成苹果OLED面板供应商
  • 9国际半导体遭遇寒冬 中国存储方队逆势扩张
  • 10屏幕采购低于承诺,外媒曝苹果向三星赔偿6.83亿美元

近期文章

  • 意法半导体高速GaN驱动器为运动控制与功率转换应用增加智能保护功能
  • 大联大世平集团携手NXP举办线上研讨会,揭秘主动式悬架控制板及S32K3选型
  • 从皮肤到芯片:医用贴片和植入式设备中的传感器如何重新定义医疗
  • 赋能电子、汽车电子、半导体、数据中心、PCB产业,Fac Tec China电子工厂设施展6月2-4日上海世博展览馆,一次看全新技术、新方案、新趋势
  • CIEI将与全球数据周与第五届长三角国际应急博览会两大顶级行业盛会联动,与全球精英共赴智能未来!
  • 派克汉尼汾发布2025可持续发展报告
  • 思特威推出全新2MP及4MP高性能智能安防应用CMOS图像传感器
  • 2026 年第一季度 DigiKey 新增近 31,000 种零件及 97 家供应商,进一步扩充了现货产品供应
  • AI+FTTR破局在即,CIOE信息通信展成产业风向观察窗口
  • 34 万㎡超大规模,5000+展商集结,一同解码半导体行业新发展

热门标签

裸视三维产品 传感器信号 homekit 电路图 LED驱动方案 Blackfin处理器 树莓派-Raspberry Pi 自动驾驶 国产半导体 电气光伏 朱日和 ZigBee 电源管理 ADI 测试 国产芯片 5G 强国之列 Atmel 嵌入式

相关文章

  • 意法半导体高速GaN驱动器为运动控制与功率转换应用增加智能保护功能
  • 大联大世平集团携手NXP举办线上研讨会,揭秘主动式悬架控制板及S32K3选型
  • 从皮肤到芯片:医用贴片和植入式设备中的传感器如何重新定义医疗
  • 意法半导体低电阻 MOSFET可节省电能,缩减 PCB面积,适合配电应用
  • 如何使用工业级串行数字输入来设计具有并行接口的数字输入模块
Copyright © 2026 电子通  版权所有. 备案号: 京ICP备17050710号-3
  • 文章目录
  • 微信

    在线咨询