电子通

×
  • 新闻动态
    • 今日关注
    • 行业投资
    • 新品推荐
    • 市场分析
  • 电子集市
    • 酷玩
    • 芯片
    • 方案
    • 培训
    • 元器件数据
    • 供应链
    • ERP
  • 展会活动
  • 料号搜索
  • 大学院校
    • 院校名录
  • 电子百科
    • 电路图
    • 技术文库
    • 电子基础知识
    • 标准产品库
  • 应用领域
    • 通信
    • 物联网
    • 消费电子
    • 汽车电子
    • 工业控制
    • 安防电子
    • 医疗电子
    • 人工智能
  • 电子技术
    • 模拟电子
    • 单片机
    • 半导体
    • FPGA
    • DSP
  • 关于我们
首页电子百科电子基础知识文章
详述安全继电器设计及工作原理 电子基础知识

详述安全继电器设计及工作原理

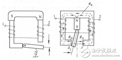
  关于安全继电器工作原理,实际上存在两个层面问题:一是未能区分...
2020年02月16日  详述安全继电器设计及工作原理已关闭评论
阅读全文
详解继电器和接触器的区别 电子基础知识

详解继电器和接触器的区别

  继电器和接触器都是电磁式开关电器,但前者属于工作在控制回路中...
2020年02月16日  详解继电器和接触器的区别已关闭评论
阅读全文
浅析继电器中有极与无极的区别 电子基础知识

浅析继电器中有极与无极的区别

  继电器是一种电控制器件。它具有控制系统(又称输入回路)和被控...
2020年02月16日  浅析继电器中有极与无极的区别已关闭评论
阅读全文
关于电磁继电器二次吸合电压技术研究 电子基础知识

关于电磁继电器二次吸合电压技术研究

  电磁继电器(本文中均指直流励磁的电磁继电器)由于其电磁机构与...
2020年02月16日  关于电磁继电器二次吸合电压技术研究已关闭评论
阅读全文
浅析继电器干式和湿式技术 电子基础知识

浅析继电器干式和湿式技术

  当使用继电器进行电流切换时,你可能会遇到两个词。一个是“干式...
2020年02月16日  浅析继电器干式和湿式技术已关闭评论
阅读全文
中间继电器如何进行型号选型 电子基础知识

中间继电器如何进行型号选型

  如何选择中间继电器,这是一个普遍的问题,可能很多人都不知道怎...
2020年02月16日  中间继电器如何进行型号选型已关闭评论
阅读全文
一文看懂时间继电器的原理和相关知识 电子基础知识

一文看懂时间继电器的原理和相关知识

  本文归纳了时间继电器的作用原理、结构、规格型号、电气符号等等...
2020年02月16日  一文看懂时间继电器的原理和相关知识已关闭评论
阅读全文
浅析热继电器常闭和常开触点 电子基础知识

浅析热继电器常闭和常开触点

  很多人都会问热继电器怎么接线?它的两组辅助触点常开触点和常闭...
2020年02月16日  浅析热继电器常闭和常开触点已关闭评论
阅读全文
Pilz的安全继电器的使用技术解读 电子基础知识

Pilz的安全继电器的使用技术解读

  有个优秀的控制系统必将会把安全放在首位,单证的有事故来临的时...
2020年02月16日  Pilz的安全继电器的使用技术解读已关闭评论
阅读全文
功放机继电器不吸合原因及处理方法 电子基础知识

功放机继电器不吸合原因及处理方法

  功放机继电器不吸合原因   功放继电器不吸合,先检查一下继电...
2020年02月16日  功放机继电器不吸合原因及处理方法已关闭评论
阅读全文

文章导航

第 1 页 … 第 705 页 第 706 页 第 707 页 … 第 915 页

推荐文章

  • 1SCA7606工作原理
  • 2意法半导体公布2020年第三季度初步营收 和2020年第三季度财报公布及电话会议时间
  • 3聚焦“朱日和”:从这里挺进半导体产业的强国之列
  • 4如何将光强度转换为一个电学量
  • 5立创获A轮2.5亿元融资,由红杉资本、钟鼎资本联合完成
  • 67月上市的新能源汽车都在这了!
  • 7Diodes公司推出自适应LED电流纹波抑制器
  • 8日对韩出口限制 京东方或成苹果OLED面板供应商
  • 9国际半导体遭遇寒冬 中国存储方队逆势扩张
  • 10屏幕采购低于承诺,外媒曝苹果向三星赔偿6.83亿美元

近期文章

  • 博世半导体亮相北京车展:以技术创新驱动智能出行
  • 安森美与蔚来扩大战略合作,加速向下一代900V电动汽车平台演进
  • 贸泽电子新品推荐:2026年第一季度引入超过9,000个新物料
  • 超低功耗微控制器模块为工程师带来新的机遇——第1部分:Eclipse项目设置
  • 地平线征程 6 系列集成 Cadence Tensilica Vision DSP,实现规模化量产,合作加速智能驾驶解决方案部署
  • 安森美与吉利汽车深化战略合作、共同提升驾驶体验
  • 星宸科技登陆2026北京车展
  • 罗克韦尔自动化携手上海气候周共筑2026气候灯塔新范式
  • 意法半导体公布2026年第一季度财报
  • Microchip推出全新插件式时钟模块

热门标签

Blackfin处理器 ADI 裸视三维产品 嵌入式 homekit LED驱动方案 树莓派-Raspberry Pi 强国之列 电气光伏 电路图 5G 测试 国产芯片 传感器信号 电源管理 国产半导体 ZigBee 朱日和 自动驾驶 Atmel

相关文章

  • 如何使用工业级串行数字输入来设计具有并行接口的数字输入模块
  • 学子专区——文氏电桥振荡器的分析与制作(第一部分):背景与理论
  • 利用对称安全认证保护研发投资
  • ADI公司LDO的电容选择指南
  • 简化设计,降低BOM成本,纳芯微推出NSI1611系列隔离电压采样芯片
Copyright © 2026 电子通  版权所有. 备案号: 京ICP备17050710号-3
  • 文章目录
  • 微信

    在线咨询