电子通

×
  • 新闻动态
    • 今日关注
    • 行业投资
    • 新品推荐
    • 市场分析
  • 电子集市
    • 酷玩
    • 芯片
    • 方案
    • 培训
    • 元器件数据
    • 供应链
    • ERP
  • 展会活动
  • 料号搜索
  • 大学院校
    • 院校名录
  • 电子百科
    • 电路图
    • 技术文库
    • 电子基础知识
    • 标准产品库
  • 应用领域
    • 通信
    • 物联网
    • 消费电子
    • 汽车电子
    • 工业控制
    • 安防电子
    • 医疗电子
    • 人工智能
  • 电子技术
    • 模拟电子
    • 单片机
    • 半导体
    • FPGA
    • DSP
  • 关于我们
首页电子百科电子基础知识文章
额
广告也精彩
双稳态继电器的工作原理详解 电子基础知识

双稳态继电器的工作原理详解

双稳态继电器有两个稳定状态的一种继电器。它有两个输入回路,按规定...
2020年02月16日  双稳态继电器的工作原理详解已关闭评论
阅读全文
时间继电器的分类、结构及选用原则 电子基础知识

时间继电器的分类、结构及选用原则

  时间继电器简介   时间继电器是指当加入(或去掉)输入的动作...
2020年02月16日  时间继电器的分类、结构及选用原则已关闭评论
阅读全文
继电器型号是如何命名的_继电器型号命名的方式 电子基础知识

继电器型号是如何命名的_继电器型号命名的方式

  继电器的定义   继电器就是当输入量(或激励量)满足某些规定...
2020年02月16日  继电器型号是如何命名的_继电器型号命名的方式已关闭评论
阅读全文
hk4100f继电器引脚图及工作原理详解 电子基础知识

hk4100f继电器引脚图及工作原理详解

  本文主要介绍的是hk4100f继电器,首先介绍了hk4100...
2020年02月16日  hk4100f继电器引脚图及工作原理详解已关闭评论
阅读全文
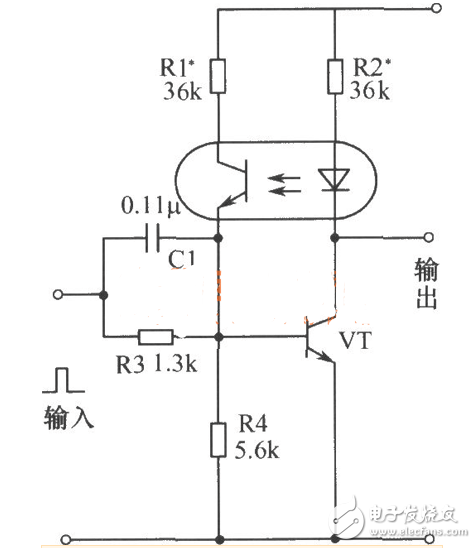
一文详解光耦继电器的应用电路 电子基础知识

一文详解光耦继电器的应用电路

  本文首先介绍了光耦继电器的优点及作用,其次介绍了光耦继电器的...
2020年02月16日  一文详解光耦继电器的应用电路已关闭评论
阅读全文
光耦继电器使用方法与参数详解 电子基础知识

光耦继电器使用方法与参数详解

  本文首先介绍了光耦继电器的专业术语及特点,其次阐述了光耦继电...
2020年02月16日  光耦继电器使用方法与参数详解已关闭评论
阅读全文
干簧管继电器工作原理及基本介绍 电子基础知识

干簧管继电器工作原理及基本介绍

  本文主要介绍的是干簧管继电器,首介绍了干簧管继电器性能特点,...
2020年02月16日  干簧管继电器工作原理及基本介绍已关闭评论
阅读全文
常用的继电器有哪几种_常用继电器型号大全 电子基础知识

常用的继电器有哪几种_常用继电器型号大全

  本文主要介绍的是常用的继电器,首先介绍了继电器的作用,其次介...
2020年02月16日  常用的继电器有哪几种_常用继电器型号大全已关闭评论
阅读全文
施耐德热继电器型号含义及电流范围 电子基础知识

施耐德热继电器型号含义及电流范围

  施耐德热继电器简介   热继电器是由流入热元件的电流产生热量...
2020年02月16日  施耐德热继电器型号含义及电流范围已关闭评论
阅读全文
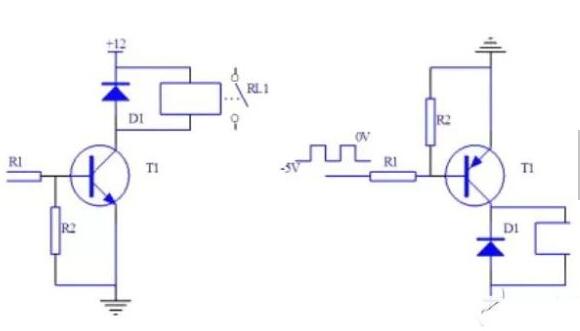
继电器原理特性与继电驱动电路设计技巧 电子基础知识

继电器原理特性与继电驱动电路设计技巧

  继电器是一种电子控制器件,它具有控制系统(又称输入回路)和被...
2020年02月16日  继电器原理特性与继电驱动电路设计技巧已关闭评论
阅读全文

文章导航

第 1 页 … 第 716 页 第 717 页 第 718 页 … 第 915 页

推荐文章

  • 1SCA7606工作原理
  • 2意法半导体公布2020年第三季度初步营收 和2020年第三季度财报公布及电话会议时间
  • 3聚焦“朱日和”:从这里挺进半导体产业的强国之列
  • 4如何将光强度转换为一个电学量
  • 5立创获A轮2.5亿元融资,由红杉资本、钟鼎资本联合完成
  • 67月上市的新能源汽车都在这了!
  • 7Diodes公司推出自适应LED电流纹波抑制器
  • 8日对韩出口限制 京东方或成苹果OLED面板供应商
  • 9国际半导体遭遇寒冬 中国存储方队逆势扩张
  • 10屏幕采购低于承诺,外媒曝苹果向三星赔偿6.83亿美元

近期文章

  • 意法半导体将举办投资者会议探讨低地球轨道(LEO)发展机遇
  • MATLAB 和 Simulink R2026a 推出全新 Agentic AI 驱动的工作流,增强工程化系统的设计与开发
  • 思特威推出首颗搭载LOFIC技术的2亿像素超高动态范围手机应用CMOS图像传感器
  • Cadence 与 NVIDIA 扩大合作,重塑 AI 与加速计算时代的工程设计格局
  • ROHM PLECS Simulator上线!实现电力电子电路的快速验证
  • 大联大世平集团首度亮相北京国际汽车展
  • 桥降压升压电路中的交替控制与带宽优化
  • 效率飞跃:博世发布第三代碳化硅芯片
  • 聚焦具身智能与AI硬件,CES Asia 2026成技术首发与商业化核心平台
  • Microchip重新定义可编程逻辑,实现更简便且更智能的全集成设计

热门标签

Atmel 国产半导体 嵌入式 传感器信号 ADI 自动驾驶 树莓派-Raspberry Pi LED驱动方案 homekit 电源管理 电气光伏 国产芯片 5G 裸视三维产品 强国之列 电路图 朱日和 ZigBee 测试 Blackfin处理器

相关文章

  • 如何使用工业级串行数字输入来设计具有并行接口的数字输入模块
  • 学子专区——文氏电桥振荡器的分析与制作(第一部分):背景与理论
  • 利用对称安全认证保护研发投资
  • ADI公司LDO的电容选择指南
  • 简化设计,降低BOM成本,纳芯微推出NSI1611系列隔离电压采样芯片
Copyright © 2026 电子通  版权所有. 备案号: 京ICP备17050710号-3
  • 文章目录
  • 微信

    在线咨询