电子通

×
  • 新闻动态
    • 今日关注
    • 行业投资
    • 新品推荐
    • 市场分析
  • 电子集市
    • 酷玩
    • 芯片
    • 方案
    • 培训
    • 元器件数据
    • 供应链
    • ERP
  • 展会活动
  • 料号搜索
  • 大学院校
    • 院校名录
  • 电子百科
    • 电路图
    • 技术文库
    • 电子基础知识
    • 标准产品库
  • 应用领域
    • 通信
    • 物联网
    • 消费电子
    • 汽车电子
    • 工业控制
    • 安防电子
    • 医疗电子
    • 人工智能
  • 电子技术
    • 模拟电子
    • 单片机
    • 半导体
    • FPGA
    • DSP
  • 关于我们
首页电子百科电子基础知识文章
额
广告也精彩
继电器PLC和晶体管PLC区别 电子基础知识

继电器PLC和晶体管PLC区别

在很多自动化设备中,电路最终都需要对一些执行部件(如电机、电磁铁...
2020年02月16日  继电器PLC和晶体管PLC区别已关闭评论
阅读全文
场效应管时间继电器是怎样工作的? 电子基础知识

场效应管时间继电器是怎样工作的?

场效应管时间继电器是怎样工作的? 场效应管具有极高的输入阻抗,导...
2020年02月16日  场效应管时间继电器是怎样工作的?已关闭评论
阅读全文
电路板式继电器 电子基础知识

电路板式继电器

电路板式继电器是一种迷你化电子控制器件,其中电路板 使电路迷你化...
2020年02月16日  电路板式继电器已关闭评论
阅读全文
继电器电路故障 电子基础知识

继电器电路故障

继电器在使用过程中不可避免的发生各种各样的故障。这时,只有了解各...
2020年02月16日  继电器电路故障已关闭评论
阅读全文
继电器的作用及触点故障处理方法  电子基础知识

继电器的作用及触点故障处理方法 

继电器的作用及触点故障处理方法  继电器作为控制元件,能够产生吸...
2020年02月16日  继电器的作用及触点故障处理方法 已关闭评论
阅读全文
继电器的识别与检测 电子基础知识

继电器的识别与检测

继电器是一种常用的控制器件,它可以用较小的电流来控制较大的电流,...
2020年02月16日  继电器的识别与检测已关闭评论
阅读全文
继电器触点的认识和理解 电子基础知识

继电器触点的认识和理解

继电器的触点就是处于常开或者常闭的状态,也就是简单的理解为开关常...
2020年02月16日  继电器触点的认识和理解已关闭评论
阅读全文
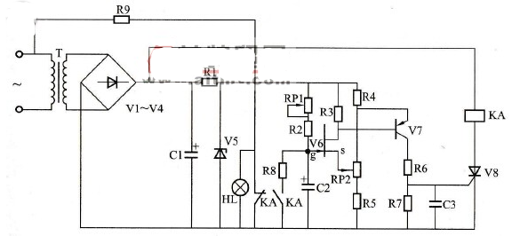
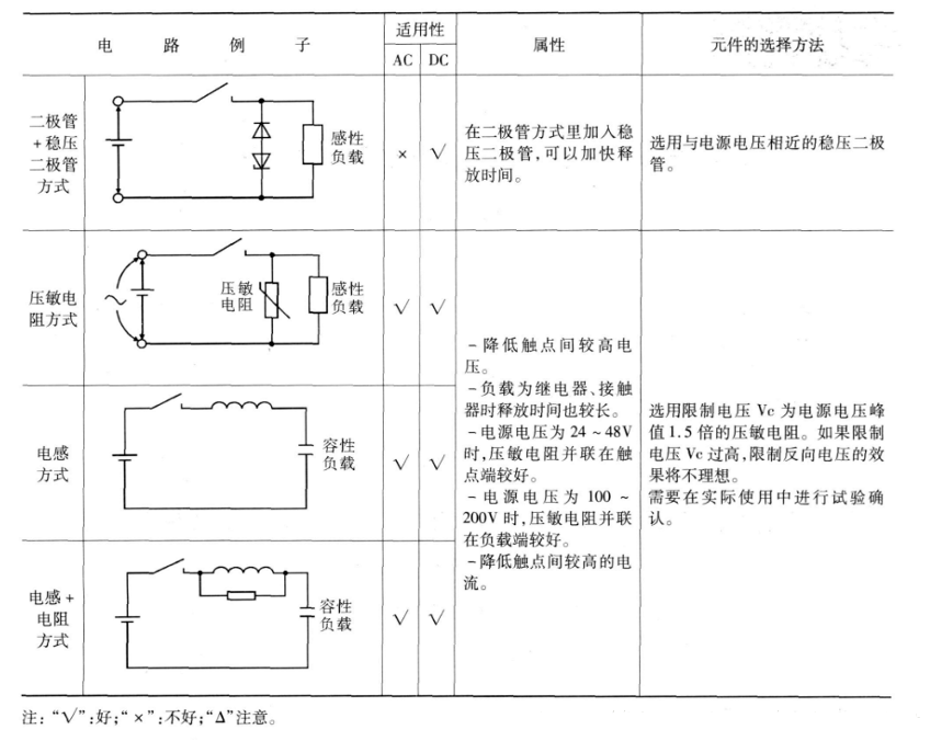
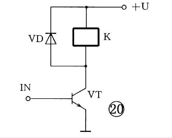
继电器触点保护电路 电子基础知识

继电器触点保护电路

常有的继电器触点保护电路有:  在继电器驱动端并接反向二极管,用...
2020年02月16日  继电器触点保护电路已关闭评论
阅读全文
继电器的工作原理和具体应用 电子基础知识

继电器的工作原理和具体应用

继电器在电路中应用的还是挺多的,用它可以用低压控制高压,所以使用...
2020年02月16日  继电器的工作原理和具体应用已关闭评论
阅读全文
继电器的主要测试参数与方法 电子基础知识

继电器的主要测试参数与方法

继电器的主要测试参数  为保证继电器的性能,需对继电器的参数进行...
2020年02月16日  继电器的主要测试参数与方法已关闭评论
阅读全文

文章导航

第 1 页 … 第 718 页 第 719 页 第 720 页 … 第 915 页

推荐文章

  • 1SCA7606工作原理
  • 2意法半导体公布2020年第三季度初步营收 和2020年第三季度财报公布及电话会议时间
  • 3聚焦“朱日和”:从这里挺进半导体产业的强国之列
  • 4如何将光强度转换为一个电学量
  • 5立创获A轮2.5亿元融资,由红杉资本、钟鼎资本联合完成
  • 67月上市的新能源汽车都在这了!
  • 7Diodes公司推出自适应LED电流纹波抑制器
  • 8日对韩出口限制 京东方或成苹果OLED面板供应商
  • 9国际半导体遭遇寒冬 中国存储方队逆势扩张
  • 10屏幕采购低于承诺,外媒曝苹果向三星赔偿6.83亿美元

近期文章

  • 意法半导体将举办投资者会议探讨低地球轨道(LEO)发展机遇
  • MATLAB 和 Simulink R2026a 推出全新 Agentic AI 驱动的工作流,增强工程化系统的设计与开发
  • 思特威推出首颗搭载LOFIC技术的2亿像素超高动态范围手机应用CMOS图像传感器
  • Cadence 与 NVIDIA 扩大合作,重塑 AI 与加速计算时代的工程设计格局
  • ROHM PLECS Simulator上线!实现电力电子电路的快速验证
  • 大联大世平集团首度亮相北京国际汽车展
  • 桥降压升压电路中的交替控制与带宽优化
  • 效率飞跃:博世发布第三代碳化硅芯片
  • 聚焦具身智能与AI硬件,CES Asia 2026成技术首发与商业化核心平台
  • Microchip重新定义可编程逻辑,实现更简便且更智能的全集成设计

热门标签

Blackfin处理器 测试 自动驾驶 Atmel 树莓派-Raspberry Pi 国产半导体 传感器信号 5G LED驱动方案 裸视三维产品 嵌入式 朱日和 强国之列 ADI 电路图 国产芯片 电气光伏 homekit 电源管理 ZigBee

相关文章

  • 如何使用工业级串行数字输入来设计具有并行接口的数字输入模块
  • 学子专区——文氏电桥振荡器的分析与制作(第一部分):背景与理论
  • 利用对称安全认证保护研发投资
  • ADI公司LDO的电容选择指南
  • 简化设计,降低BOM成本,纳芯微推出NSI1611系列隔离电压采样芯片
Copyright © 2026 电子通  版权所有. 备案号: 京ICP备17050710号-3
  • 文章目录
  • 微信

    在线咨询