电子通

×
  • 新闻动态
    • 今日关注
    • 行业投资
    • 新品推荐
    • 市场分析
  • 电子集市
    • 酷玩
    • 芯片
    • 方案
    • 培训
    • 元器件数据
    • 供应链
    • ERP
  • 展会活动
  • 料号搜索
  • 大学院校
    • 院校名录
  • 电子百科
    • 电路图
    • 技术文库
    • 电子基础知识
    • 标准产品库
  • 应用领域
    • 通信
    • 物联网
    • 消费电子
    • 汽车电子
    • 工业控制
    • 安防电子
    • 医疗电子
    • 人工智能
  • 电子技术
    • 模拟电子
    • 单片机
    • 半导体
    • FPGA
    • DSP
  • 关于我们
首页电子百科电子基础知识文章
RX16、RX19、RX21、RX210、RX710、RX2 电子基础知识

RX16、RX19、RX21、RX210、RX710、RX2

1. RX16 型被和线绕电阻器RX16 型被袖线绕电阻器引线长...
2020年02月10日  RX16、RX19、RX21、RX210、RX710、RX2已关闭评论
阅读全文
RJ711、RII-18、RII-26型高精密合金箔电阻器 电子基础知识

RJ711、RII-18、RII-26型高精密合金箔电阻器

RJ711、RII -18 、RII -26 型高精密合金宿电阻...
2020年02月10日  RJ711、RII-18、RII-26型高精密合金箔电阻器已关闭评论
阅读全文
HM91型厚膜电阻器 电子基础知识

HM91型厚膜电阻器

HM91 型厚膜电阻网络具有体积小、可靠性高、跟踪特性好、价格便...
2020年02月10日  HM91型厚膜电阻器已关闭评论
阅读全文
薄膜式零欧姆电阻器 电子基础知识

薄膜式零欧姆电阻器

薄膜式零欧姆电阻器的主要用途是作为装饰性跨线使用.其外形尺寸及主...
2020年02月10日  薄膜式零欧姆电阻器已关闭评论
阅读全文
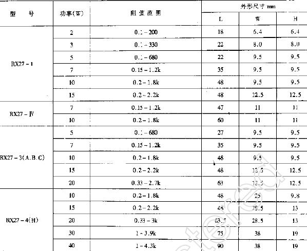
RX20、RX20T、RXG20、RXG20T、RXG2、R 电子基础知识

RX20、RX20T、RXG20、RXG20T、RXG2、R

1. RX20 、RX20T 、RXG20 、RXG2...
2020年02月10日  RX20、RX20T、RXG20、RXG20T、RXG2、R已关闭评论
阅读全文
水泥电阻的阻值范围表 电子基础知识

水泥电阻的阻值范围表

水泥电阻的阻值范围表
2020年02月10日  水泥电阻的阻值范围表已关闭评论
阅读全文
水泥电阻器的外形图 电子基础知识

水泥电阻器的外形图

水泥电阻器的判别方法 陶瓷绝缘功率型线绕电阻,常被人称作水泥电阻...
2020年02月10日  水泥电阻器的外形图已关闭评论
阅读全文
CH21型金属化复合介质膜电容器 电子基础知识

CH21型金属化复合介质膜电容器

CH21型金属化复合介质膜电容器 CH21 型金属化复合膜介质电...
2020年02月10日  CH21型金属化复合介质膜电容器已关闭评论
阅读全文
电阻器的阻值变化规律 电子基础知识

电阻器的阻值变化规律

电阻器的阻值变化规律 电阻器的阻值变化规律反映了电位器输出特性的...
2020年02月10日  电阻器的阻值变化规律已关闭评论
阅读全文
N沟道结型开关场效应管的主要特性参数 电子基础知识

N沟道结型开关场效应管的主要特性参数

N 沟道结型开关场效应管的主要特性参数。
2020年02月10日  N沟道结型开关场效应管的主要特性参数已关闭评论
阅读全文

文章导航

第 1 页 … 第 857 页 第 858 页 第 859 页 … 第 915 页

推荐文章

  • 1SCA7606工作原理
  • 2意法半导体公布2020年第三季度初步营收 和2020年第三季度财报公布及电话会议时间
  • 3聚焦“朱日和”:从这里挺进半导体产业的强国之列
  • 4如何将光强度转换为一个电学量
  • 5立创获A轮2.5亿元融资,由红杉资本、钟鼎资本联合完成
  • 67月上市的新能源汽车都在这了!
  • 7Diodes公司推出自适应LED电流纹波抑制器
  • 8日对韩出口限制 京东方或成苹果OLED面板供应商
  • 9国际半导体遭遇寒冬 中国存储方队逆势扩张
  • 10屏幕采购低于承诺,外媒曝苹果向三星赔偿6.83亿美元

近期文章

  • 意法半导体高速GaN驱动器为运动控制与功率转换应用增加智能保护功能
  • 大联大世平集团携手NXP举办线上研讨会,揭秘主动式悬架控制板及S32K3选型
  • 从皮肤到芯片:医用贴片和植入式设备中的传感器如何重新定义医疗
  • 赋能电子、汽车电子、半导体、数据中心、PCB产业,Fac Tec China电子工厂设施展6月2-4日上海世博展览馆,一次看全新技术、新方案、新趋势
  • CIEI将与全球数据周与第五届长三角国际应急博览会两大顶级行业盛会联动,与全球精英共赴智能未来!
  • 派克汉尼汾发布2025可持续发展报告
  • 思特威推出全新2MP及4MP高性能智能安防应用CMOS图像传感器
  • 2026 年第一季度 DigiKey 新增近 31,000 种零件及 97 家供应商,进一步扩充了现货产品供应
  • AI+FTTR破局在即,CIOE信息通信展成产业风向观察窗口
  • 34 万㎡超大规模,5000+展商集结,一同解码半导体行业新发展

热门标签

裸视三维产品 树莓派-Raspberry Pi 嵌入式 ZigBee Blackfin处理器 电气光伏 homekit 朱日和 电路图 ADI 强国之列 传感器信号 自动驾驶 测试 5G 电源管理 LED驱动方案 国产芯片 国产半导体 Atmel

相关文章

  • 意法半导体高速GaN驱动器为运动控制与功率转换应用增加智能保护功能
  • 大联大世平集团携手NXP举办线上研讨会,揭秘主动式悬架控制板及S32K3选型
  • 从皮肤到芯片:医用贴片和植入式设备中的传感器如何重新定义医疗
  • 意法半导体低电阻 MOSFET可节省电能,缩减 PCB面积,适合配电应用
  • 如何使用工业级串行数字输入来设计具有并行接口的数字输入模块
Copyright © 2026 电子通  版权所有. 备案号: 京ICP备17050710号-3
  • 文章目录
  • 微信

    在线咨询