电子通

×
  • 新闻动态
    • 今日关注
    • 行业投资
    • 新品推荐
    • 市场分析
  • 电子集市
    • 酷玩
    • 芯片
    • 方案
    • 培训
    • 元器件数据
    • 供应链
    • ERP
  • 展会活动
  • 料号搜索
  • 大学院校
    • 院校名录
  • 电子百科
    • 电路图
    • 技术文库
    • 电子基础知识
    • 标准产品库
  • 应用领域
    • 通信
    • 物联网
    • 消费电子
    • 汽车电子
    • 工业控制
    • 安防电子
    • 医疗电子
    • 人工智能
  • 电子技术
    • 模拟电子
    • 单片机
    • 半导体
    • FPGA
    • DSP
  • 关于我们
首页电子百科电子基础知识文章
常用电阻器有哪些? 电子基础知识

常用电阻器有哪些?

常用电阻器有哪些? 1、电位器电位器是一种机电元件,他靠电刷在电...
2020年02月10日  常用电阻器有哪些?已关闭评论
阅读全文
电子元器件基础知识之电阻 电子基础知识

电子元器件基础知识之电阻

电子元器件基础知识之电阻 导电体对电流的阻碍作用称为电阻,用符号...
2020年02月10日  电子元器件基础知识之电阻已关闭评论
阅读全文
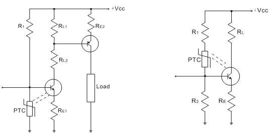
传感器用PTC热敏电阻应用设计 电子基础知识

传感器用PTC热敏电阻应用设计

传感器用PTC热敏电阻应用设计 应用设计 根据PTC热敏电阻对温...
2020年02月10日  传感器用PTC热敏电阻应用设计已关闭评论
阅读全文
色环电阻读法
电子基础知识

色环电阻读法

色环电阻读法 电子类   2008-10-1...
2020年02月10日  色环电阻读法已关闭评论
阅读全文
常用电阻标称值
电子基础知识

常用电阻标称值

常用电阻标称值 设计电路时计算出来的电阻值经常会与电阻的标称值不...
2020年02月10日  常用电阻标称值已关闭评论
阅读全文
阻抗匹配的基本原理及相磁知识 电子基础知识

阻抗匹配的基本原理及相磁知识

阻抗匹配的基本原理及相磁知识 右图中R为负载电阻,r为电源E的内...
2020年02月10日  阻抗匹配的基本原理及相磁知识已关闭评论
阅读全文
电感线圈的主要特性参数
电子基础知识

电感线圈的主要特性参数

电感线圈的主要特性参数 1、电感量L电感量L表示线圈本身固有特性...
2020年02月10日  电感线圈的主要特性参数已关闭评论
阅读全文
0欧姆电阻的用途
电子基础知识

0欧姆电阻的用途

0欧姆电阻的用途 *模拟地和数字地单点接地*  只要是地,最终都...
2020年02月10日  0欧姆电阻的用途已关闭评论
阅读全文
阻容降压原理与电路 电子基础知识

阻容降压原理与电路

阻容降压原理与电路 将交流市电转换为低压直流的常规方法是采用变压...
2020年02月10日  阻容降压原理与电路已关闭评论
阅读全文
快速识别色环电阻技巧
电子基础知识

快速识别色环电阻技巧

快速识别色环电阻技巧    目前,国产或进口...
2020年02月10日  快速识别色环电阻技巧已关闭评论
阅读全文

文章导航

第 1 页 … 第 865 页 第 866 页 第 867 页 … 第 915 页

推荐文章

  • 1SCA7606工作原理
  • 2意法半导体公布2020年第三季度初步营收 和2020年第三季度财报公布及电话会议时间
  • 3聚焦“朱日和”:从这里挺进半导体产业的强国之列
  • 4如何将光强度转换为一个电学量
  • 5立创获A轮2.5亿元融资,由红杉资本、钟鼎资本联合完成
  • 67月上市的新能源汽车都在这了!
  • 7Diodes公司推出自适应LED电流纹波抑制器
  • 8日对韩出口限制 京东方或成苹果OLED面板供应商
  • 9国际半导体遭遇寒冬 中国存储方队逆势扩张
  • 10屏幕采购低于承诺,外媒曝苹果向三星赔偿6.83亿美元

近期文章

  • 超低功耗微控制器模块为工程师带来新的机遇——第2部分:配置Eclipse
  • 恩智浦与航盛深化战略合作,推动汽车智能化创新应用落地
  • 赋能产业数字化:大联大诠鼎集团携手复旦微电子成功举办RFID与传感协同研讨会
  • 纳芯微携汽车电子一站式解决方案亮相2026北京车展
  • 意法半导体低电阻 MOSFET可节省电能,缩减 PCB面积,适合配电应用
  • 全球协作・链通全球・智赋未来 ——2026全球具身智能产业链协作出海对接会
  • 博世半导体亮相北京车展:以技术创新驱动智能出行
  • 安森美与蔚来扩大战略合作,加速向下一代900V电动汽车平台演进
  • 贸泽电子新品推荐:2026年第一季度引入超过9,000个新物料
  • 超低功耗微控制器模块为工程师带来新的机遇——第1部分:Eclipse项目设置

热门标签

ZigBee 裸视三维产品 Blackfin处理器 Atmel 朱日和 嵌入式 自动驾驶 电源管理 电路图 电气光伏 国产半导体 传感器信号 树莓派-Raspberry Pi homekit 5G 测试 ADI 国产芯片 LED驱动方案 强国之列

相关文章

  • 意法半导体低电阻 MOSFET可节省电能,缩减 PCB面积,适合配电应用
  • 如何使用工业级串行数字输入来设计具有并行接口的数字输入模块
  • 学子专区——文氏电桥振荡器的分析与制作(第一部分):背景与理论
  • 利用对称安全认证保护研发投资
  • ADI公司LDO的电容选择指南
Copyright © 2026 电子通  版权所有. 备案号: 京ICP备17050710号-3
  • 文章目录
  • 微信

    在线咨询