电子通

×
  • 新闻动态
    • 今日关注
    • 行业投资
    • 新品推荐
    • 市场分析
  • 电子集市
    • 酷玩
    • 芯片
    • 方案
    • 培训
    • 元器件数据
    • 供应链
    • ERP
  • 展会活动
  • 料号搜索
  • 大学院校
    • 院校名录
  • 电子百科
    • 电路图
    • 技术文库
    • 电子基础知识
    • 标准产品库
  • 应用领域
    • 通信
    • 物联网
    • 消费电子
    • 汽车电子
    • 工业控制
    • 安防电子
    • 医疗电子
    • 人工智能
  • 电子技术
    • 模拟电子
    • 单片机
    • 半导体
    • FPGA
    • DSP
  • 关于我们
首页电子百科电子基础知识文章
浅谈PCB与FPC之间的区别 电子基础知识

浅谈PCB与FPC之间的区别

关于PCB,就是所谓印制电路板,通常都会被称之为硬板。是电子元器...
2020年02月17日  浅谈PCB与FPC之间的区别已关闭评论
阅读全文
好的硬件电路设计思路分享 电子基础知识

好的硬件电路设计思路分享

  我们学习了很多关于元器件的知识但仍不能随心所欲的设计出我们想...
2020年02月17日  好的硬件电路设计思路分享已关闭评论
阅读全文
印刷电路板元件之间的接线安排方式介绍 电子基础知识

印刷电路板元件之间的接线安排方式介绍

  (1)印刷电路中不允许有交叉电路,对于可能交叉的线条,可以用...
2020年02月17日  印刷电路板元件之间的接线安排方式介绍已关闭评论
阅读全文
电路板焊接缺陷的三大因素是什么? 电子基础知识

电路板焊接缺陷的三大因素是什么?

  造成电路板焊接缺陷的因素有以下三个方面的原因:   1、电路...
2020年02月17日  电路板焊接缺陷的三大因素是什么?已关闭评论
阅读全文
废弃印制电路板工业固体垃圾如何处理
电子基础知识

废弃印制电路板工业固体垃圾如何处理

随着电子工业的发展,大量寿命已到的印制线路板已开始报废。那么废印...
2020年02月17日  废弃印制电路板工业固体垃圾如何处理已关闭评论
阅读全文
行业震撼:华秋电路开启高品质四层板打样50元包邮!还有6层8层爆品! 电子基础知识

行业震撼:华秋电路开启高品质四层板打样50元包邮!还有6层8层爆品!

今年,华秋电路PCB多层板业务步入快车道,受到华秋电路制程能力进...
2020年02月17日  行业震撼:华秋电路开启高品质四层板打样50元包邮!还有6层8层爆品!已关闭评论
阅读全文
电子变压器 电子基础知识

电子变压器

电子变压器 本文介绍的电子变压器,输入为AC220V,输出为AC...
2020年02月17日  电子变压器已关闭评论
阅读全文
DK系列电子整流器、节能灯专用开关晶体管(110~130V专
电子基础知识

DK系列电子整流器、节能灯专用开关晶体管(110~130V专

  DK系列电子整流器、节能灯专用开关晶体管(110~...
2020年02月17日  DK系列电子整流器、节能灯专用开关晶体管(110~130V专已关闭评论
阅读全文
节能灯和电子整流器三极管参数的选择指南 电子基础知识

节能灯和电子整流器三极管参数的选择指南

节能灯和电子整流器三极管参数的选择指南 过去,人们对用于节能灯、...
2020年02月17日  节能灯和电子整流器三极管参数的选择指南已关闭评论
阅读全文
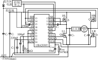
双管电子整流器电路 电子基础知识

双管电子整流器电路

双管电子整流器电路
2020年02月17日  双管电子整流器电路已关闭评论
阅读全文

文章导航

第 1 页 … 第 88 页 第 89 页 第 90 页 … 第 915 页

推荐文章

  • 1SCA7606工作原理
  • 2意法半导体公布2020年第三季度初步营收 和2020年第三季度财报公布及电话会议时间
  • 3聚焦“朱日和”:从这里挺进半导体产业的强国之列
  • 4如何将光强度转换为一个电学量
  • 5立创获A轮2.5亿元融资,由红杉资本、钟鼎资本联合完成
  • 67月上市的新能源汽车都在这了!
  • 7Diodes公司推出自适应LED电流纹波抑制器
  • 8日对韩出口限制 京东方或成苹果OLED面板供应商
  • 9国际半导体遭遇寒冬 中国存储方队逆势扩张
  • 10屏幕采购低于承诺,外媒曝苹果向三星赔偿6.83亿美元

近期文章

  • 安森美公布2026年第一季度业绩
  • 智能移动电源:集成太阳能光伏、直流输入和备用锂离子电池
  • Vishay推出可达600mm检测距离的高灵敏度接近传感器
  • 博世发布全新超声波芯片组,以底层硬件创新重塑AI智能泊车体验
  • 意法半导体高速GaN驱动器为运动控制与功率转换应用增加智能保护功能
  • 大联大世平集团携手NXP举办线上研讨会,揭秘主动式悬架控制板及S32K3选型
  • 从皮肤到芯片:医用贴片和植入式设备中的传感器如何重新定义医疗
  • 赋能电子、汽车电子、半导体、数据中心、PCB产业,Fac Tec China电子工厂设施展6月2-4日上海世博展览馆,一次看全新技术、新方案、新趋势
  • CIEI将与全球数据周与第五届长三角国际应急博览会两大顶级行业盛会联动,与全球精英共赴智能未来!
  • 派克汉尼汾发布2025可持续发展报告

热门标签

测试 homekit Atmel Blackfin处理器 树莓派-Raspberry Pi 国产半导体 电路图 5G 电气光伏 嵌入式 电源管理 国产芯片 强国之列 ADI 朱日和 自动驾驶 裸视三维产品 LED驱动方案 传感器信号 ZigBee

相关文章

  • 意法半导体高速GaN驱动器为运动控制与功率转换应用增加智能保护功能
  • 大联大世平集团携手NXP举办线上研讨会,揭秘主动式悬架控制板及S32K3选型
  • 从皮肤到芯片:医用贴片和植入式设备中的传感器如何重新定义医疗
  • 意法半导体低电阻 MOSFET可节省电能,缩减 PCB面积,适合配电应用
  • 如何使用工业级串行数字输入来设计具有并行接口的数字输入模块
Copyright © 2026 电子通  版权所有. 备案号: 京ICP备17050710号-3
  • 文章目录
  • 微信

    在线咨询