电子通

×
  • 新闻动态
    • 今日关注
    • 行业投资
    • 新品推荐
    • 市场分析
  • 电子集市
    • 酷玩
    • 芯片
    • 方案
    • 培训
    • 元器件数据
    • 供应链
    • ERP
  • 展会活动
  • 料号搜索
  • 大学院校
    • 院校名录
  • 电子百科
    • 电路图
    • 技术文库
    • 电子基础知识
    • 标准产品库
  • 应用领域
    • 通信
    • 物联网
    • 消费电子
    • 汽车电子
    • 工业控制
    • 安防电子
    • 医疗电子
    • 人工智能
  • 电子技术
    • 模拟电子
    • 单片机
    • 半导体
    • FPGA
    • DSP
  • 关于我们
首页电子百科电子基础知识文章
额
广告也精彩
压敏电阻型号的含义 电子基础知识

压敏电阻型号的含义

  压敏电阻型号含义   SJ1152-82部颁标准中压敏电阻器...
2020年02月10日  压敏电阻型号的含义已关闭评论
阅读全文
压敏电阻测试方法 电子基础知识

压敏电阻测试方法

  压敏电阻常用测量方法   压敏电阻的使用一般是并联在电路中,...
2020年02月10日  压敏电阻测试方法已关闭评论
阅读全文
压敏电阻爆裂的原因分析 电子基础知识

压敏电阻爆裂的原因分析

  压敏电阻爆裂的原因   压敏爆裂可能的原因主要如下:   1...
2020年02月10日  压敏电阻爆裂的原因分析已关闭评论
阅读全文
压敏电阻选型与应用 电子基础知识

压敏电阻选型与应用

  压敏电阻选型指南   关于压敏电阻选型,小编为您娓娓道来: ...
2020年02月10日  压敏电阻选型与应用已关闭评论
阅读全文
制动电阻工作原理_制动电阻的作用是什么 电子基础知识

制动电阻工作原理_制动电阻的作用是什么

  制动电阻工作原理   制动电阻,是波纹电阻的一种,主要用于变...
2020年02月10日  制动电阻工作原理_制动电阻的作用是什么已关闭评论
阅读全文
制动电阻如何选择_制动电阻选型 电子基础知识

制动电阻如何选择_制动电阻选型

  如何选择制动电阻   1、制动单元又叫制动斩波器,和制动电阻...
2020年02月10日  制动电阻如何选择_制动电阻选型已关闭评论
阅读全文
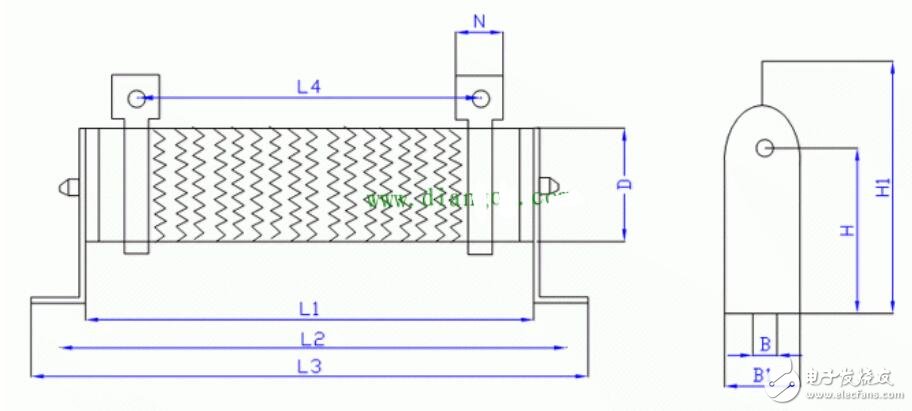
制动电阻的构造_制动电阻接线图 电子基础知识

制动电阻的构造_制动电阻接线图

  制动电阻的构造   陶瓷管   是合金电阻丝的骨架,同时具有...
2020年02月10日  制动电阻的构造_制动电阻接线图已关闭评论
阅读全文
碳膜电阻如何识别_金属膜电阻器和碳膜电阻器的识别方法 电子基础知识

碳膜电阻如何识别_金属膜电阻器和碳膜电阻器的识别方法

  什么是碳膜电阻   碳膜电阻器是膜式电阻器(Film Res...
2020年02月10日  碳膜电阻如何识别_金属膜电阻器和碳膜电阻器的识别方法已关闭评论
阅读全文
接触电阻是什么意思_接触电阻过大的原因 电子基础知识

接触电阻是什么意思_接触电阻过大的原因

  接触电阻是什么意思   对导体间呈现的电阻称为接触电阻。 一...
2020年02月10日  接触电阻是什么意思_接触电阻过大的原因已关闭评论
阅读全文
接触电阻怎么测_接触电阻影响因素 电子基础知识

接触电阻怎么测_接触电阻影响因素

  接触电阻作用原理   在显微镜下观察连接器接触件的表面,尽管...
2020年02月10日  接触电阻怎么测_接触电阻影响因素已关闭评论
阅读全文

文章导航

第 1 页 … 第 905 页 第 906 页 第 907 页 … 第 915 页

推荐文章

  • 1SCA7606工作原理
  • 2意法半导体公布2020年第三季度初步营收 和2020年第三季度财报公布及电话会议时间
  • 3聚焦“朱日和”:从这里挺进半导体产业的强国之列
  • 4如何将光强度转换为一个电学量
  • 5立创获A轮2.5亿元融资,由红杉资本、钟鼎资本联合完成
  • 67月上市的新能源汽车都在这了!
  • 7Diodes公司推出自适应LED电流纹波抑制器
  • 8日对韩出口限制 京东方或成苹果OLED面板供应商
  • 9国际半导体遭遇寒冬 中国存储方队逆势扩张
  • 10屏幕采购低于承诺,外媒曝苹果向三星赔偿6.83亿美元

近期文章

  • 多功能紧凑型读码器——CleverReader,适用于一维、二维、DPM及高速读取
  • 聚势上海 智塑未来 CHINAPLAS 2026 国际橡塑展蓄势待发
  • #98055- Hengst China
  • 多功能紧凑型读码器——CleverReader,适用于一维、二维、DPM及高速读取
  • 驱动橡塑产业智造升级!CHINAPLAS 2026 国际橡塑展同期活动前瞻(下)
  • #98055- Hengst China
  • 多功能紧凑型读码器——CleverReader,适用于一维、二维、DPM及高速读取
  • 纳芯微出席车百会2026年度论坛:解码智能动力系统演进,芯片成为关键“底层能力”
  • Microchip与领先车载摄像头制造商舜宇智领达成战略合作
  • Vishay荣获欧摩威汽车系统(长春)有限公司2025年供应链卓越奖

热门标签

国产半导体 裸视三维产品 电源管理 Blackfin处理器 嵌入式 LED驱动方案 ZigBee 树莓派-Raspberry Pi 自动驾驶 homekit ADI 5G 传感器信号 朱日和 国产芯片 测试 电路图 强国之列 电气光伏 Atmel

相关文章

  • 学子专区——文氏电桥振荡器的分析与制作(第一部分):背景与理论
  • 利用对称安全认证保护研发投资
  • ADI公司LDO的电容选择指南
  • 简化设计,降低BOM成本,纳芯微推出NSI1611系列隔离电压采样芯片
  • 简单制胜——第四部分:高效主动均衡背后的算法
Copyright © 2026 电子通  版权所有. 备案号: 京ICP备17050710号-3
  • 文章目录
  • 微信

    在线咨询