电子通

×
  • 新闻动态
    • 今日关注
    • 行业投资
    • 新品推荐
    • 市场分析
  • 电子集市
    • 酷玩
    • 芯片
    • 方案
    • 培训
    • 元器件数据
    • 供应链
    • ERP
  • 展会活动
  • 料号搜索
  • 大学院校
    • 院校名录
  • 电子百科
    • 电路图
    • 技术文库
    • 电子基础知识
    • 标准产品库
  • 应用领域
    • 通信
    • 物联网
    • 消费电子
    • 汽车电子
    • 工业控制
    • 安防电子
    • 医疗电子
    • 人工智能
  • 电子技术
    • 模拟电子
    • 单片机
    • 半导体
    • FPGA
    • DSP
  • 关于我们
首页电子百科电子基础知识文章
使用四比较器的恒温控制器 电子基础知识

使用四比较器的恒温控制器

使用一个负温度系数(NTC)的热敏电阻,用如图1a的电路可以用最...
2020年02月17日  使用四比较器的恒温控制器已关闭评论
阅读全文
可控硅交流调压器 电子基础知识

可控硅交流调压器

可控硅交流调压器   可控硅是一种新型的半导体器件,它具有体积小...
2020年02月17日  可控硅交流调压器已关闭评论
阅读全文
固态继电器及在应用中一些问题的探讨
电子基础知识

固态继电器及在应用中一些问题的探讨

固态继电器及在应用中一些问题的探讨   摘 ...
2020年02月17日  固态继电器及在应用中一些问题的探讨已关闭评论
阅读全文
可控硅串联逆变器与并联逆变器相比 电子基础知识

可控硅串联逆变器与并联逆变器相比

可控硅串联逆变器与并联逆变器相比,具有更多的优点: 1、串联逆变...
2020年02月17日  可控硅串联逆变器与并联逆变器相比已关闭评论
阅读全文
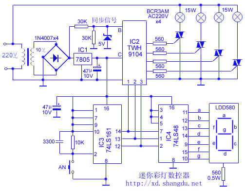
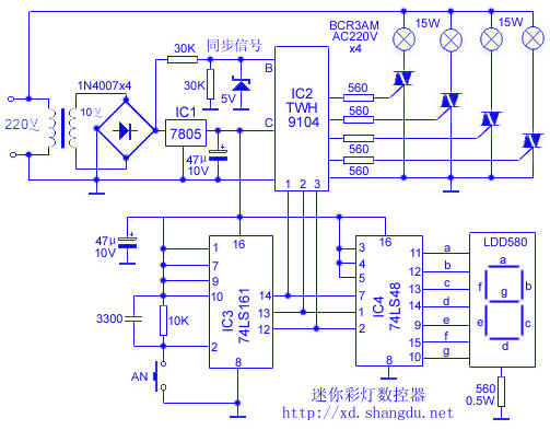
各种不同封装形式的单双向可控硅引脚图 电子基础知识

各种不同封装形式的单双向可控硅引脚图

各种不同封装形式的单双向可控硅引脚图 单向可控硅 双向可控硅 &...
2020年02月17日  各种不同封装形式的单双向可控硅引脚图已关闭评论
阅读全文
用可控硅控制的功放动态电源 电子基础知识

用可控硅控制的功放动态电源

--------------------------------...
2020年02月17日  用可控硅控制的功放动态电源已关闭评论
阅读全文
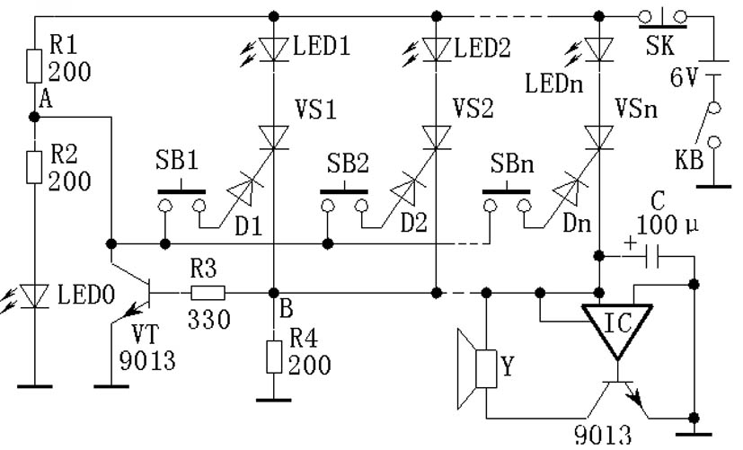
一款抢答器的质疑 电子基础知识

一款抢答器的质疑

某刊不久前刊出《两款电路更简洁的可控硅智力抢答器》一文,文中介绍...
2020年02月17日  一款抢答器的质疑已关闭评论
阅读全文
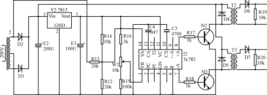
单相相位触发器TC782A的设计及应用 电子基础知识

单相相位触发器TC782A的设计及应用

单相相位触发器TC782A的设计及应用 1引言   目前使用的单...
2020年02月17日  单相相位触发器TC782A的设计及应用已关闭评论
阅读全文
KD、KF系列控制器成品与阻焊机上的主可控硅应如何连接
电子基础知识

KD、KF系列控制器成品与阻焊机上的主可控硅应如何连接

连接方式因选用的主可控硅类型而有所不同。 1、 与双向可控硅的连...
2020年02月17日  KD、KF系列控制器成品与阻焊机上的主可控硅应如何连接已关闭评论
阅读全文
可调速吸尘器 电子基础知识

可调速吸尘器

这种吸尘器使用可控硅元件构成调速电路,能根据需要控制电机转速,以...
2020年02月17日  可调速吸尘器已关闭评论
阅读全文

文章导航

第 1 页 … 第 102 页 第 103 页 第 104 页 … 第 916 页

推荐文章

  • 12026 全球芯片核心品牌 TOP50 及官方授权代理商(通过官网整理)
  • 2SCA7606工作原理
  • 3意法半导体公布2020年第三季度初步营收 和2020年第三季度财报公布及电话会议时间
  • 4聚焦“朱日和”:从这里挺进半导体产业的强国之列
  • 5如何将光强度转换为一个电学量
  • 6立创获A轮2.5亿元融资,由红杉资本、钟鼎资本联合完成
  • 77月上市的新能源汽车都在这了!
  • 8Diodes公司推出自适应LED电流纹波抑制器
  • 9日对韩出口限制 京东方或成苹果OLED面板供应商
  • 10国际半导体遭遇寒冬 中国存储方队逆势扩张

近期文章

  • 2026国民车链展,直达优质供应链企业核心决策层
  • 2026 全球芯片核心品牌 TOP50 及官方授权代理商(通过官网整理)
  • 东芝发布支持PCIe®6.0与USB4®2.0版等高速差分信号的2:1多路复用器/1:2解复用器开关
  • 大联大世平北京车展首秀,携手安森美(onsemi)等伙伴展现车载电子系统整合实力
  • 2026第二届雷达无线电产业展览会
  • 安森美公布2026年第一季度业绩
  • 智能移动电源:集成太阳能光伏、直流输入和备用锂离子电池
  • Vishay推出可达600mm检测距离的高灵敏度接近传感器
  • 博世发布全新超声波芯片组,以底层硬件创新重塑AI智能泊车体验
  • 意法半导体高速GaN驱动器为运动控制与功率转换应用增加智能保护功能

热门标签

朱日和 电源管理 Atmel 裸视三维产品 5G 国产半导体 强国之列 国产芯片 ZigBee homekit 自动驾驶 嵌入式 LED驱动方案 Blackfin处理器 测试 传感器信号 树莓派-Raspberry Pi 电气光伏 ADI 电路图

相关文章

  • 2026 全球芯片核心品牌 TOP50 及官方授权代理商(通过官网整理)
  • 意法半导体高速GaN驱动器为运动控制与功率转换应用增加智能保护功能
  • 大联大世平集团携手NXP举办线上研讨会,揭秘主动式悬架控制板及S32K3选型
  • 从皮肤到芯片:医用贴片和植入式设备中的传感器如何重新定义医疗
  • 意法半导体低电阻 MOSFET可节省电能,缩减 PCB面积,适合配电应用
Copyright © 2026 电子通  版权所有. 备案号: 京ICP备17050710号-3
  • 文章目录
  • 微信

    在线咨询