电子通

×
  • 新闻动态
    • 今日关注
    • 行业投资
    • 新品推荐
    • 市场分析
  • 电子集市
    • 酷玩
    • 芯片
    • 方案
    • 培训
    • 元器件数据
    • 供应链
    • ERP
  • 展会活动
  • 料号搜索
  • 大学院校
    • 院校名录
  • 电子百科
    • 电路图
    • 技术文库
    • 电子基础知识
    • 标准产品库
  • 应用领域
    • 通信
    • 物联网
    • 消费电子
    • 汽车电子
    • 工业控制
    • 安防电子
    • 医疗电子
    • 人工智能
  • 电子技术
    • 模拟电子
    • 单片机
    • 半导体
    • FPGA
    • DSP
  • 关于我们
首页电子百科电子基础知识文章
固态继电器的技术参数及选用 电子基础知识

固态继电器的技术参数及选用

  一、固态继电器的技术参数 1、输入电压范围:在环境温度25'...
2020年02月17日  固态继电器的技术参数及选用已关闭评论
阅读全文
晶闸管并联逆变电路原理1 电子基础知识

晶闸管并联逆变电路原理1

--------------------------------...
2020年02月17日  晶闸管并联逆变电路原理1已关闭评论
阅读全文
晶闸管中频电路的结构 电子基础知识

晶闸管中频电路的结构

中频电源是将三相工频(50hz)交流电转变为单相中频交流电的装置...
2020年02月17日  晶闸管中频电路的结构已关闭评论
阅读全文
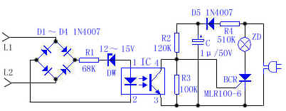
使用霍耳元件的可控硅过流保护电路 电子基础知识

使用霍耳元件的可控硅过流保护电路

使用霍耳元件的可控硅过流保护电路 这里介绍一种采用霍耳元件作为传...
2020年02月17日  使用霍耳元件的可控硅过流保护电路已关闭评论
阅读全文
电视演播室的可控硅调光 电子基础知识

电视演播室的可控硅调光

电视演播室的可控硅调光   电视照明是完成电视制作技术...
2020年02月17日  电视演播室的可控硅调光已关闭评论
阅读全文
三相可控硅触发器 电子基础知识

三相可控硅触发器

三相可控硅触发器 XMA5000系列调节器发出的三相可控硅触发脉...
2020年02月17日  三相可控硅触发器已关闭评论
阅读全文
省电实用的电话灯 电子基础知识

省电实用的电话灯

省电实用的电话灯     家里新装了电话机,可是由于光线不好,拨...
2020年02月17日  省电实用的电话灯已关闭评论
阅读全文
交流电源接地故障保护的单片集成电路LM1851 电子基础知识

交流电源接地故障保护的单片集成电路LM1851

交流电源接地故障保护的单片集成电路LM1851 LM1851是用...
2020年02月17日  交流电源接地故障保护的单片集成电路LM1851已关闭评论
阅读全文
卫生安全的电子自来水龙头 电子基础知识

卫生安全的电子自来水龙头

卫生安全的电子自来水龙头 工矿企业的医务室,多采用机械脚踏式自来...
2020年02月17日  卫生安全的电子自来水龙头已关闭评论
阅读全文
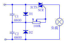
可控硅控制的变色吊灯电路 电子基础知识

可控硅控制的变色吊灯电路

可控硅控制的变色吊灯电路 市售的这种变色吊灯造型新颖别致,使用方...
2020年02月17日  可控硅控制的变色吊灯电路已关闭评论
阅读全文

文章导航

第 1 页 … 第 104 页 第 105 页 第 106 页 … 第 916 页

推荐文章

  • 12026 全球芯片核心品牌 TOP50 及官方授权代理商(通过官网整理)
  • 2SCA7606工作原理
  • 3意法半导体公布2020年第三季度初步营收 和2020年第三季度财报公布及电话会议时间
  • 4聚焦“朱日和”:从这里挺进半导体产业的强国之列
  • 5如何将光强度转换为一个电学量
  • 6立创获A轮2.5亿元融资,由红杉资本、钟鼎资本联合完成
  • 77月上市的新能源汽车都在这了!
  • 8Diodes公司推出自适应LED电流纹波抑制器
  • 9日对韩出口限制 京东方或成苹果OLED面板供应商
  • 10国际半导体遭遇寒冬 中国存储方队逆势扩张

近期文章

  • 2026国民车链展,直达优质供应链企业核心决策层
  • 2026 全球芯片核心品牌 TOP50 及官方授权代理商(通过官网整理)
  • 东芝发布支持PCIe®6.0与USB4®2.0版等高速差分信号的2:1多路复用器/1:2解复用器开关
  • 大联大世平北京车展首秀,携手安森美(onsemi)等伙伴展现车载电子系统整合实力
  • 2026第二届雷达无线电产业展览会
  • 安森美公布2026年第一季度业绩
  • 智能移动电源:集成太阳能光伏、直流输入和备用锂离子电池
  • Vishay推出可达600mm检测距离的高灵敏度接近传感器
  • 博世发布全新超声波芯片组,以底层硬件创新重塑AI智能泊车体验
  • 意法半导体高速GaN驱动器为运动控制与功率转换应用增加智能保护功能

热门标签

国产芯片 测试 传感器信号 强国之列 嵌入式 树莓派-Raspberry Pi 裸视三维产品 ADI LED驱动方案 国产半导体 电路图 Atmel 电源管理 Blackfin处理器 电气光伏 ZigBee 自动驾驶 5G homekit 朱日和

相关文章

  • 2026 全球芯片核心品牌 TOP50 及官方授权代理商(通过官网整理)
  • 意法半导体高速GaN驱动器为运动控制与功率转换应用增加智能保护功能
  • 大联大世平集团携手NXP举办线上研讨会,揭秘主动式悬架控制板及S32K3选型
  • 从皮肤到芯片:医用贴片和植入式设备中的传感器如何重新定义医疗
  • 意法半导体低电阻 MOSFET可节省电能,缩减 PCB面积,适合配电应用
Copyright © 2026 电子通  版权所有. 备案号: 京ICP备17050710号-3
  • 文章目录
  • 微信

    在线咨询