电子通

×
  • 新闻动态
    • 今日关注
    • 行业投资
    • 新品推荐
    • 市场分析
  • 电子集市
    • 酷玩
    • 芯片
    • 方案
    • 培训
    • 元器件数据
    • 供应链
    • ERP
  • 展会活动
  • 料号搜索
  • 大学院校
    • 院校名录
  • 电子百科
    • 电路图
    • 技术文库
    • 电子基础知识
    • 标准产品库
  • 应用领域
    • 通信
    • 物联网
    • 消费电子
    • 汽车电子
    • 工业控制
    • 安防电子
    • 医疗电子
    • 人工智能
  • 电子技术
    • 模拟电子
    • 单片机
    • 半导体
    • FPGA
    • DSP
  • 关于我们
首页电子百科电子基础知识文章
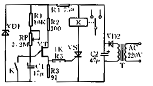
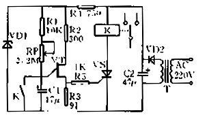
节能型摩托车整流稳压器 电子基础知识

节能型摩托车整流稳压器

节能型摩托车整流稳压器 摩托车上的电能均由车上的磁电机供给。磁电...
2020年02月17日  节能型摩托车整流稳压器已关闭评论
阅读全文
调功集成电路Y992 电子基础知识

调功集成电路Y992

调功集成电路Y992   在工业生产和日常生活中,常常需要对电功...
2020年02月17日  调功集成电路Y992已关闭评论
阅读全文
新一代的触摸无级调光调速电路NB7232 电子基础知识

新一代的触摸无级调光调速电路NB7232

新一代的触摸无级调光调速电路NB7232 一、 电路概述: NB...
2020年02月17日  新一代的触摸无级调光调速电路NB7232已关闭评论
阅读全文
触摸式报警器 电子基础知识

触摸式报警器

触摸式报警器 此触摸报警器,具有电路简单、制作容易,性能稳定、可...
2020年02月17日  触摸式报警器已关闭评论
阅读全文
新颖的电子灭鼠器 电子基础知识

新颖的电子灭鼠器

新颖的电子灭鼠器 据说老鼠对电磁场较为敏感,这是一般的高压电网灭...
2020年02月17日  新颖的电子灭鼠器已关闭评论
阅读全文
双向可控硅液位控制电路 电子基础知识

双向可控硅液位控制电路

双向可控硅液位控制电路 如图所示的电路,控制器由水位控测器、触发...
2020年02月17日  双向可控硅液位控制电路已关闭评论
阅读全文
简单实用的恒温控制器 电子基础知识

简单实用的恒温控制器

简单实用的恒温控制器 该电路虽简单,确可以达到控制效果。电路见图...
2020年02月17日  简单实用的恒温控制器已关闭评论
阅读全文
可控硅电子时间继电器 电子基础知识

可控硅电子时间继电器

可控硅电子时间继电器 如图是由单向可控硅组成的时间继电器电路,主...
2020年02月17日  可控硅电子时间继电器已关闭评论
阅读全文
可控硅电子时间继电器 电子基础知识

可控硅电子时间继电器

可控硅电子时间继电器 如图是由单向可控硅组成的时间继电器电路,主...
2020年02月17日  可控硅电子时间继电器已关闭评论
阅读全文
JFZ调速触发模块原理及调整维修 电子基础知识

JFZ调速触发模块原理及调整维修

JFZ调速触发模块原理及调整维修 各种应用常常需要电动机调速运行...
2020年02月17日  JFZ调速触发模块原理及调整维修已关闭评论
阅读全文

文章导航

第 1 页 … 第 110 页 第 111 页 第 112 页 … 第 916 页

推荐文章

  • 12026 全球芯片核心品牌 TOP50 及官方授权代理商(通过官网整理)
  • 2SCA7606工作原理
  • 3意法半导体公布2020年第三季度初步营收 和2020年第三季度财报公布及电话会议时间
  • 4聚焦“朱日和”:从这里挺进半导体产业的强国之列
  • 5如何将光强度转换为一个电学量
  • 6立创获A轮2.5亿元融资,由红杉资本、钟鼎资本联合完成
  • 77月上市的新能源汽车都在这了!
  • 8Diodes公司推出自适应LED电流纹波抑制器
  • 9日对韩出口限制 京东方或成苹果OLED面板供应商
  • 10国际半导体遭遇寒冬 中国存储方队逆势扩张

近期文章

  • 2026国民车链展,直达优质供应链企业核心决策层
  • 2026 全球芯片核心品牌 TOP50 及官方授权代理商(通过官网整理)
  • 东芝发布支持PCIe®6.0与USB4®2.0版等高速差分信号的2:1多路复用器/1:2解复用器开关
  • 大联大世平北京车展首秀,携手安森美(onsemi)等伙伴展现车载电子系统整合实力
  • 2026第二届雷达无线电产业展览会
  • 安森美公布2026年第一季度业绩
  • 智能移动电源:集成太阳能光伏、直流输入和备用锂离子电池
  • Vishay推出可达600mm检测距离的高灵敏度接近传感器
  • 博世发布全新超声波芯片组,以底层硬件创新重塑AI智能泊车体验
  • 意法半导体高速GaN驱动器为运动控制与功率转换应用增加智能保护功能

热门标签

电气光伏 测试 树莓派-Raspberry Pi 裸视三维产品 国产芯片 电路图 朱日和 国产半导体 5G 自动驾驶 homekit 嵌入式 ZigBee 传感器信号 电源管理 Atmel ADI Blackfin处理器 LED驱动方案 强国之列

相关文章

  • 2026 全球芯片核心品牌 TOP50 及官方授权代理商(通过官网整理)
  • 意法半导体高速GaN驱动器为运动控制与功率转换应用增加智能保护功能
  • 大联大世平集团携手NXP举办线上研讨会,揭秘主动式悬架控制板及S32K3选型
  • 从皮肤到芯片:医用贴片和植入式设备中的传感器如何重新定义医疗
  • 意法半导体低电阻 MOSFET可节省电能,缩减 PCB面积,适合配电应用
Copyright © 2026 电子通  版权所有. 备案号: 京ICP备17050710号-3
  • 文章目录
  • 微信

    在线咨询