电子通

×
  • 新闻动态
    • 今日关注
    • 行业投资
    • 新品推荐
    • 市场分析
  • 电子集市
    • 酷玩
    • 芯片
    • 方案
    • 培训
    • 元器件数据
    • 供应链
    • ERP
  • 展会活动
  • 料号搜索
  • 大学院校
    • 院校名录
  • 电子百科
    • 电路图
    • 技术文库
    • 电子基础知识
    • 标准产品库
  • 应用领域
    • 通信
    • 物联网
    • 消费电子
    • 汽车电子
    • 工业控制
    • 安防电子
    • 医疗电子
    • 人工智能
  • 电子技术
    • 模拟电子
    • 单片机
    • 半导体
    • FPGA
    • DSP
  • 关于我们
首页电子百科电子基础知识文章
恒流二极管的检测方法 电子基础知识

恒流二极管的检测方法

检测恒流二极管的电路如图所示。E是可调直流电源,向恒流二极管提供...
2020年02月16日  恒流二极管的检测方法已关闭评论
阅读全文
光敏二极管的工作原理_光敏二极管的应用 电子基础知识

光敏二极管的工作原理_光敏二极管的应用

  光敏二极管工作原理   光敏二极管是将光信号变成电信号的半导...
2020年02月16日  光敏二极管的工作原理_光敏二极管的应用已关闭评论
阅读全文
光敏二极管和光敏电阻的区别 电子基础知识

光敏二极管和光敏电阻的区别

  光敏二极管概述   光敏二极管,又叫光电二极管是一种能够将光...
2020年02月16日  光敏二极管和光敏电阻的区别已关闭评论
阅读全文
整流二极管正负极判断 电子基础知识

整流二极管正负极判断

  整流二极管正负极判断   用数字式万用表去测整流二极管时,用...
2020年02月16日  整流二极管正负极判断已关闭评论
阅读全文
整流二极管参数_整流二极管有什么用 电子基础知识

整流二极管参数_整流二极管有什么用

  整流二极管参数   (1)最大平均整流电流IF:指二极管长期...
2020年02月16日  整流二极管参数_整流二极管有什么用已关闭评论
阅读全文
贴片二极管正负极区分 电子基础知识

贴片二极管正负极区分

  贴片二极管在使用的过程中需要注意二极管的正负极,一旦放正负极...
2020年02月16日  贴片二极管正负极区分已关闭评论
阅读全文
贴片二极管怎么看型号 电子基础知识

贴片二极管怎么看型号

  贴片二极管怎么看型号   国产贴片二极管的型号命名由5部分组...
2020年02月16日  贴片二极管怎么看型号已关闭评论
阅读全文
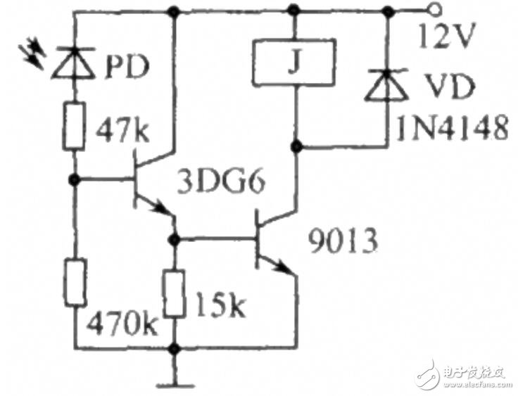
光敏二极管的应用举例 电子基础知识

光敏二极管的应用举例

  光敏二极管是常用的光敏元件之一。它与普通的半导体二极管相比,...
2020年02月16日  光敏二极管的应用举例已关闭评论
阅读全文
光敏二极管特点用途 电子基础知识

光敏二极管特点用途

  光敏二极管的特点   光敏二极管的特点是具有将光信号转换为电...
2020年02月16日  光敏二极管特点用途已关闭评论
阅读全文
光电池和光电二极管的区别 电子基础知识

光电池和光电二极管的区别

  光电池概述   光电池(photovoltaic cell,...
2020年02月16日  光电池和光电二极管的区别已关闭评论
阅读全文

文章导航

第 1 页 … 第 685 页 第 686 页 第 687 页 … 第 915 页

推荐文章

  • 1SCA7606工作原理
  • 2意法半导体公布2020年第三季度初步营收 和2020年第三季度财报公布及电话会议时间
  • 3聚焦“朱日和”:从这里挺进半导体产业的强国之列
  • 4如何将光强度转换为一个电学量
  • 5立创获A轮2.5亿元融资,由红杉资本、钟鼎资本联合完成
  • 67月上市的新能源汽车都在这了!
  • 7Diodes公司推出自适应LED电流纹波抑制器
  • 8日对韩出口限制 京东方或成苹果OLED面板供应商
  • 9国际半导体遭遇寒冬 中国存储方队逆势扩张
  • 10屏幕采购低于承诺,外媒曝苹果向三星赔偿6.83亿美元

近期文章

  • 超低功耗微控制器模块为工程师带来新的机遇——第2部分:配置Eclipse
  • 恩智浦与航盛深化战略合作,推动汽车智能化创新应用落地
  • 赋能产业数字化:大联大诠鼎集团携手复旦微电子成功举办RFID与传感协同研讨会
  • 纳芯微携汽车电子一站式解决方案亮相2026北京车展
  • 意法半导体低电阻 MOSFET可节省电能,缩减 PCB面积,适合配电应用
  • 全球协作・链通全球・智赋未来 ——2026全球具身智能产业链协作出海对接会
  • 博世半导体亮相北京车展:以技术创新驱动智能出行
  • 安森美与蔚来扩大战略合作,加速向下一代900V电动汽车平台演进
  • 贸泽电子新品推荐:2026年第一季度引入超过9,000个新物料
  • 超低功耗微控制器模块为工程师带来新的机遇——第1部分:Eclipse项目设置

热门标签

ZigBee 国产半导体 homekit Blackfin处理器 裸视三维产品 电源管理 嵌入式 ADI 朱日和 强国之列 电路图 测试 自动驾驶 传感器信号 5G LED驱动方案 Atmel 电气光伏 树莓派-Raspberry Pi 国产芯片

相关文章

  • 意法半导体低电阻 MOSFET可节省电能,缩减 PCB面积,适合配电应用
  • 如何使用工业级串行数字输入来设计具有并行接口的数字输入模块
  • 学子专区——文氏电桥振荡器的分析与制作(第一部分):背景与理论
  • 利用对称安全认证保护研发投资
  • ADI公司LDO的电容选择指南
Copyright © 2026 电子通  版权所有. 备案号: 京ICP备17050710号-3
  • 文章目录
  • 微信

    在线咨询