电子通

×
  • 新闻动态
    • 今日关注
    • 行业投资
    • 新品推荐
    • 市场分析
  • 电子集市
    • 酷玩
    • 芯片
    • 方案
    • 培训
    • 元器件数据
    • 供应链
    • ERP
  • 展会活动
  • 料号搜索
  • 大学院校
    • 院校名录
  • 电子百科
    • 电路图
    • 技术文库
    • 电子基础知识
    • 标准产品库
  • 应用领域
    • 通信
    • 物联网
    • 消费电子
    • 汽车电子
    • 工业控制
    • 安防电子
    • 医疗电子
    • 人工智能
  • 电子技术
    • 模拟电子
    • 单片机
    • 半导体
    • FPGA
    • DSP
  • 关于我们
首页电子百科电子基础知识文章
固态继电器工作原理详细介绍 电子基础知识

固态继电器工作原理详细介绍

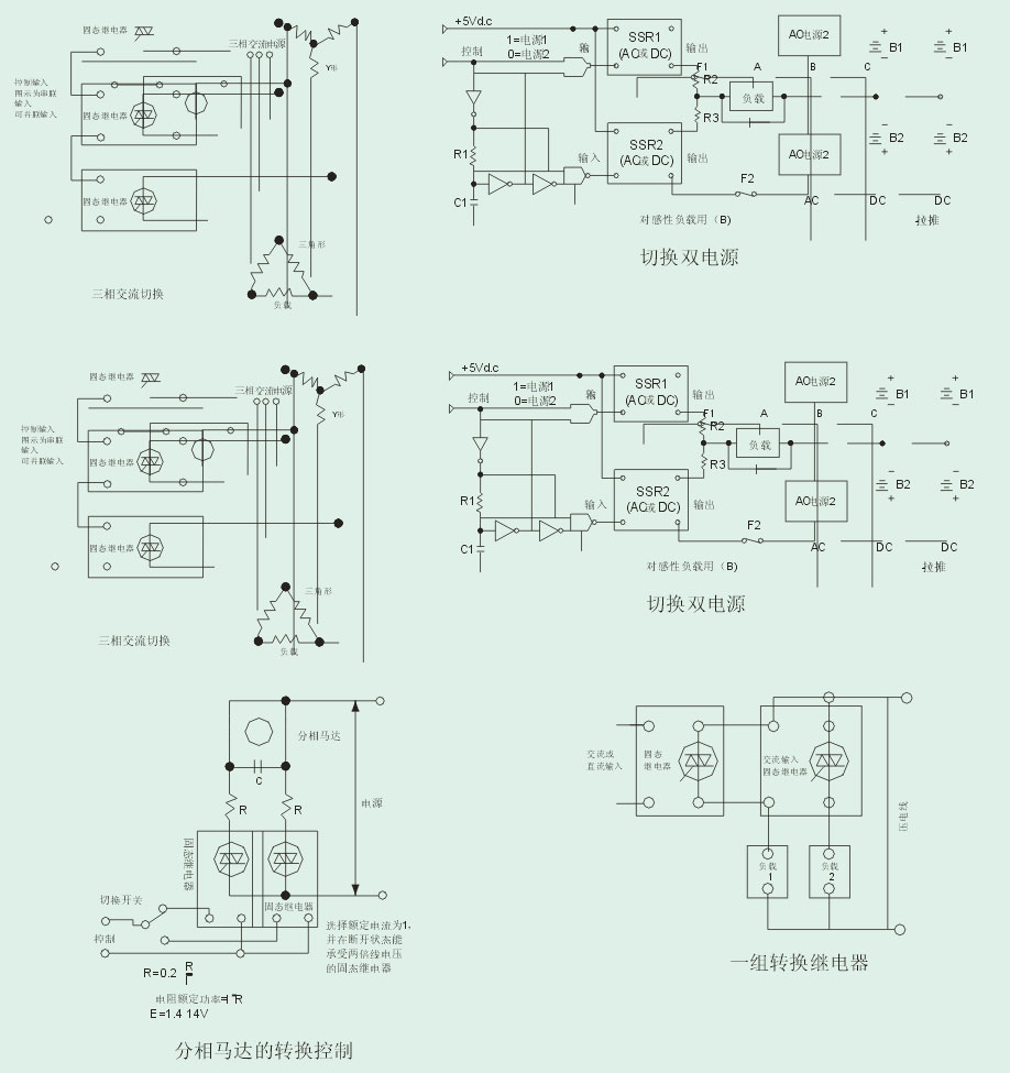
固态继电器工作原理详细介绍 SSR固态继电器以触发形式,可分为零...
2020年02月16日  固态继电器工作原理详细介绍已关闭评论
阅读全文
固态继电器工作原理电路 电子基础知识

固态继电器工作原理电路

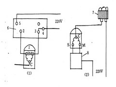
固态继电器工作原理电路 固态继电器是半导体器件的组合装置。它具有...
2020年02月16日  固态继电器工作原理电路已关闭评论
阅读全文
固态继电器及在应用中一些问题的探讨 电子基础知识

固态继电器及在应用中一些问题的探讨

固态继电器及在应用中一些问题的探讨 固态继电器(SOLIDSTA...
2020年02月16日  固态继电器及在应用中一些问题的探讨已关闭评论
阅读全文
FCS6 单相固态继电器详细介绍 电子基础知识

FCS6 单相固态继电器详细介绍

FCS6 单相固态继电器详细介绍    产品说明 固态继电器的工...
2020年02月16日  FCS6 单相固态继电器详细介绍已关闭评论
阅读全文
使用剩余电流动作保护装置需走出七大误区
电子基础知识

使用剩余电流动作保护装置需走出七大误区

使用剩余电流动作保护装置需走出七大误区  剩余电流动作保护装置(...
2020年02月16日  使用剩余电流动作保护装置需走出七大误区已关闭评论
阅读全文
SYJ-50速动油压继电器 电子基础知识

SYJ-50速动油压继电器

速动油压继电器-(TYJ1-25突发压力继电器) 一、产品说明&...
2020年02月16日  SYJ-50速动油压继电器已关闭评论
阅读全文
继电器常识
电子基础知识

继电器常识

继电器常识 一、继电器的工作原理和特性     &nb...
2020年02月16日  继电器常识已关闭评论
阅读全文
继电器技术和工艺的发展动向
电子基础知识

继电器技术和工艺的发展动向

    ●高频继电器是通信继电器主...
2020年02月16日  继电器技术和工艺的发展动向已关闭评论
阅读全文
启动继电器的好坏判断方法 电子基础知识

启动继电器的好坏判断方法

    如果你认为冰箱继电器出现了故障,那怎么来判断启动继电器的...
2020年02月16日  启动继电器的好坏判断方法已关闭评论
阅读全文
磁保持湿簧继电器的检测 电子基础知识

磁保持湿簧继电器的检测

  1)检测触点的电阻值:用万用表R&TImes;1 Ω...
2020年02月16日  磁保持湿簧继电器的检测已关闭评论
阅读全文

文章导航

第 1 页 … 第 700 页 第 701 页 第 702 页 … 第 915 页

推荐文章

  • 1SCA7606工作原理
  • 2意法半导体公布2020年第三季度初步营收 和2020年第三季度财报公布及电话会议时间
  • 3聚焦“朱日和”:从这里挺进半导体产业的强国之列
  • 4如何将光强度转换为一个电学量
  • 5立创获A轮2.5亿元融资,由红杉资本、钟鼎资本联合完成
  • 67月上市的新能源汽车都在这了!
  • 7Diodes公司推出自适应LED电流纹波抑制器
  • 8日对韩出口限制 京东方或成苹果OLED面板供应商
  • 9国际半导体遭遇寒冬 中国存储方队逆势扩张
  • 10屏幕采购低于承诺,外媒曝苹果向三星赔偿6.83亿美元

近期文章

  • 博世半导体亮相北京车展:以技术创新驱动智能出行
  • 安森美与蔚来扩大战略合作,加速向下一代900V电动汽车平台演进
  • 贸泽电子新品推荐:2026年第一季度引入超过9,000个新物料
  • 超低功耗微控制器模块为工程师带来新的机遇——第1部分:Eclipse项目设置
  • 地平线征程 6 系列集成 Cadence Tensilica Vision DSP,实现规模化量产,合作加速智能驾驶解决方案部署
  • 安森美与吉利汽车深化战略合作、共同提升驾驶体验
  • 星宸科技登陆2026北京车展
  • 罗克韦尔自动化携手上海气候周共筑2026气候灯塔新范式
  • 意法半导体公布2026年第一季度财报
  • Microchip推出全新插件式时钟模块

热门标签

电气光伏 电源管理 国产半导体 树莓派-Raspberry Pi Atmel 自动驾驶 传感器信号 测试 ADI Blackfin处理器 ZigBee LED驱动方案 强国之列 朱日和 5G 电路图 国产芯片 裸视三维产品 homekit 嵌入式

相关文章

  • 如何使用工业级串行数字输入来设计具有并行接口的数字输入模块
  • 学子专区——文氏电桥振荡器的分析与制作(第一部分):背景与理论
  • 利用对称安全认证保护研发投资
  • ADI公司LDO的电容选择指南
  • 简化设计,降低BOM成本,纳芯微推出NSI1611系列隔离电压采样芯片
Copyright © 2026 电子通  版权所有. 备案号: 京ICP备17050710号-3
  • 文章目录
  • 微信

    在线咨询