电子通

×
  • 新闻动态
    • 今日关注
    • 行业投资
    • 新品推荐
    • 市场分析
  • 电子集市
    • 酷玩
    • 芯片
    • 方案
    • 培训
    • 元器件数据
    • 供应链
    • ERP
  • 展会活动
  • 料号搜索
  • 大学院校
    • 院校名录
  • 电子百科
    • 电路图
    • 技术文库
    • 电子基础知识
    • 标准产品库
  • 应用领域
    • 通信
    • 物联网
    • 消费电子
    • 汽车电子
    • 工业控制
    • 安防电子
    • 医疗电子
    • 人工智能
  • 电子技术
    • 模拟电子
    • 单片机
    • 半导体
    • FPGA
    • DSP
  • 关于我们
首页电子百科电子基础知识文章
额
广告也精彩
电磁继电器与固态继电器 电子基础知识

电磁继电器与固态继电器

继电器 继电器在电路设计中使用的很频繁, 对于不同的场合,选择不...
2020年02月16日  电磁继电器与固态继电器已关闭评论
阅读全文
时间继电器的文字符号是什么 电子基础知识

时间继电器的文字符号是什么

  时间继电器在电气控制系统中是一个非常重要的元器件。一般分为通...
2020年02月16日  时间继电器的文字符号是什么已关闭评论
阅读全文
电磁继电器与固态继电器好坏判断与检测 电子基础知识

电磁继电器与固态继电器好坏判断与检测

继电器是一种常用的控制器件,它可以用较小的电流来控制较大的电流,...
2020年02月16日  电磁继电器与固态继电器好坏判断与检测已关闭评论
阅读全文
固态继电器散热 电子基础知识

固态继电器散热

为什么使用固态继电器必须考虑期间散热 通态时损耗是SSR发热的主...
2020年02月16日  固态继电器散热已关闭评论
阅读全文
固态继电器故障分析 电子基础知识

固态继电器故障分析

固态继电器(Solid State Relay,缩写SSR),是...
2020年02月16日  固态继电器故障分析已关闭评论
阅读全文
固态继电器的保护 电子基础知识

固态继电器的保护

固态继电器在众多实际使用过程中,很多情况下,经常是由于负载侧绝缘...
2020年02月16日  固态继电器的保护已关闭评论
阅读全文
使用固态继电器的注意事项 电子基础知识

使用固态继电器的注意事项

使用固态继电器的注意事项 用户在使用固态继电器时应注意固态继电器...
2020年02月16日  使用固态继电器的注意事项已关闭评论
阅读全文
固态继电器短路和过流 电子基础知识

固态继电器短路和过流

固态继电器在实际使用的很多情况下,经常由于负载侧的短路而发生固态...
2020年02月16日  固态继电器短路和过流已关闭评论
阅读全文
交流固态继电器的特点 电子基础知识

交流固态继电器的特点

交流固态继电器ssr(solid state releys)是一...
2020年02月16日  交流固态继电器的特点已关闭评论
阅读全文
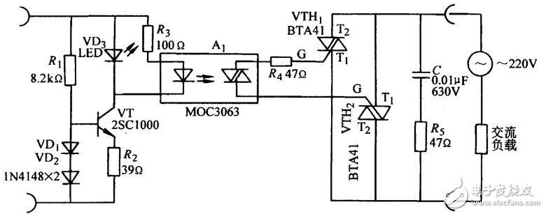
交流固态继电器的电路结构 电子基础知识

交流固态继电器的电路结构

固态继电器有三部分组成:输入电路,隔离(耦合)和输出电路。按输入...
2020年02月16日  交流固态继电器的电路结构已关闭评论
阅读全文

文章导航

第 1 页 … 第 720 页 第 721 页 第 722 页 … 第 915 页

推荐文章

  • 1SCA7606工作原理
  • 2意法半导体公布2020年第三季度初步营收 和2020年第三季度财报公布及电话会议时间
  • 3聚焦“朱日和”:从这里挺进半导体产业的强国之列
  • 4如何将光强度转换为一个电学量
  • 5立创获A轮2.5亿元融资,由红杉资本、钟鼎资本联合完成
  • 67月上市的新能源汽车都在这了!
  • 7Diodes公司推出自适应LED电流纹波抑制器
  • 8日对韩出口限制 京东方或成苹果OLED面板供应商
  • 9国际半导体遭遇寒冬 中国存储方队逆势扩张
  • 10屏幕采购低于承诺,外媒曝苹果向三星赔偿6.83亿美元

近期文章

  • 意法半导体将举办投资者会议探讨低地球轨道(LEO)发展机遇
  • MATLAB 和 Simulink R2026a 推出全新 Agentic AI 驱动的工作流,增强工程化系统的设计与开发
  • 思特威推出首颗搭载LOFIC技术的2亿像素超高动态范围手机应用CMOS图像传感器
  • Cadence 与 NVIDIA 扩大合作,重塑 AI 与加速计算时代的工程设计格局
  • ROHM PLECS Simulator上线!实现电力电子电路的快速验证
  • 大联大世平集团首度亮相北京国际汽车展
  • 桥降压升压电路中的交替控制与带宽优化
  • 效率飞跃:博世发布第三代碳化硅芯片
  • 聚焦具身智能与AI硬件,CES Asia 2026成技术首发与商业化核心平台
  • Microchip重新定义可编程逻辑,实现更简便且更智能的全集成设计

热门标签

ADI 电源管理 电气光伏 传感器信号 测试 嵌入式 5G ZigBee Blackfin处理器 电路图 朱日和 裸视三维产品 树莓派-Raspberry Pi 强国之列 LED驱动方案 国产芯片 国产半导体 Atmel 自动驾驶 homekit

相关文章

  • 如何使用工业级串行数字输入来设计具有并行接口的数字输入模块
  • 学子专区——文氏电桥振荡器的分析与制作(第一部分):背景与理论
  • 利用对称安全认证保护研发投资
  • ADI公司LDO的电容选择指南
  • 简化设计,降低BOM成本,纳芯微推出NSI1611系列隔离电压采样芯片
Copyright © 2026 电子通  版权所有. 备案号: 京ICP备17050710号-3
  • 文章目录
  • 微信

    在线咨询