电子通

×
  • 新闻动态
    • 今日关注
    • 行业投资
    • 新品推荐
    • 市场分析
  • 电子集市
    • 酷玩
    • 芯片
    • 方案
    • 培训
    • 元器件数据
    • 供应链
    • ERP
  • 展会活动
  • 料号搜索
  • 大学院校
    • 院校名录
  • 电子百科
    • 电路图
    • 技术文库
    • 电子基础知识
    • 标准产品库
  • 应用领域
    • 通信
    • 物联网
    • 消费电子
    • 汽车电子
    • 工业控制
    • 安防电子
    • 医疗电子
    • 人工智能
  • 电子技术
    • 模拟电子
    • 单片机
    • 半导体
    • FPGA
    • DSP
  • 关于我们
首页电子百科电子基础知识文章
额
广告也精彩
交流固态继电器的工作原理 电子基础知识

交流固态继电器的工作原理

交流固态继电器是继电器中的一种,很多人对这个产品可能不是特别熟悉...
2020年02月16日  交流固态继电器的工作原理已关闭评论
阅读全文
过零型SSR与随机型SSR区别 电子基础知识

过零型SSR与随机型SSR区别

过零型SSR与随机型SSR在用途上有什么区别? 过零型SSR用作...
2020年02月16日  过零型SSR与随机型SSR区别已关闭评论
阅读全文
固态继电器与交流接触器区别 电子基础知识

固态继电器与交流接触器区别

交流接触器是指用于“强电”系统中提供大容量触电的继电器,一般继电...
2020年02月16日  固态继电器与交流接触器区别已关闭评论
阅读全文
交流固态继电器的保护措施 电子基础知识

交流固态继电器的保护措施

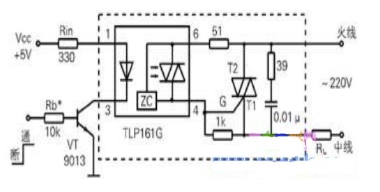
交流固态继电器原理、方案选择 交流固态继电 器由三部分组成:输入...
2020年02月16日  交流固态继电器的保护措施已关闭评论
阅读全文
固态继电器过零触发功能 电子基础知识

固态继电器过零触发功能

由于固态继电器是由固体元件组成的无触点开关元件,所以与电磁继电器...
2020年02月16日  固态继电器过零触发功能已关闭评论
阅读全文
单相交流固态继电器 电子基础知识

单相交流固态继电器

单相交流固态继电器 固态继电器目前已广泛应用于计算机外围接口装置...
2020年02月16日  单相交流固态继电器已关闭评论
阅读全文
热继电器的作用和结构 电子基础知识

热继电器的作用和结构

  热继电器的作用   热继电器主要用来对异步电动机进行过载保护...
2020年02月16日  热继电器的作用和结构已关闭评论
阅读全文
单相交流固态继电器使用注意事项  电子基础知识

单相交流固态继电器使用注意事项 

单相固态继电器是由输入电路,隔离和输出电路三个部分组成。根据输入...
2020年02月16日  单相交流固态继电器使用注意事项 已关闭评论
阅读全文
电路中热继电器的作用 电子基础知识

电路中热继电器的作用

  热继电器的技术参数   额定电压:热继电器能够正常工作的最高...
2020年02月16日  电路中热继电器的作用已关闭评论
阅读全文
星三角热继电器的选择 电子基础知识

星三角热继电器的选择

  22KW三相异步鼠笼电机三角运行时,电机工作电流大约:I=2...
2020年02月16日  星三角热继电器的选择已关闭评论
阅读全文

文章导航

第 1 页 … 第 721 页 第 722 页 第 723 页 … 第 915 页

推荐文章

  • 1SCA7606工作原理
  • 2意法半导体公布2020年第三季度初步营收 和2020年第三季度财报公布及电话会议时间
  • 3聚焦“朱日和”:从这里挺进半导体产业的强国之列
  • 4如何将光强度转换为一个电学量
  • 5立创获A轮2.5亿元融资,由红杉资本、钟鼎资本联合完成
  • 67月上市的新能源汽车都在这了!
  • 7Diodes公司推出自适应LED电流纹波抑制器
  • 8日对韩出口限制 京东方或成苹果OLED面板供应商
  • 9国际半导体遭遇寒冬 中国存储方队逆势扩张
  • 10屏幕采购低于承诺,外媒曝苹果向三星赔偿6.83亿美元

近期文章

  • 意法半导体将举办投资者会议探讨低地球轨道(LEO)发展机遇
  • MATLAB 和 Simulink R2026a 推出全新 Agentic AI 驱动的工作流,增强工程化系统的设计与开发
  • 思特威推出首颗搭载LOFIC技术的2亿像素超高动态范围手机应用CMOS图像传感器
  • Cadence 与 NVIDIA 扩大合作,重塑 AI 与加速计算时代的工程设计格局
  • ROHM PLECS Simulator上线!实现电力电子电路的快速验证
  • 大联大世平集团首度亮相北京国际汽车展
  • 桥降压升压电路中的交替控制与带宽优化
  • 效率飞跃:博世发布第三代碳化硅芯片
  • 聚焦具身智能与AI硬件,CES Asia 2026成技术首发与商业化核心平台
  • Microchip重新定义可编程逻辑,实现更简便且更智能的全集成设计

热门标签

自动驾驶 测试 ADI 电源管理 Blackfin处理器 传感器信号 电路图 国产半导体 电气光伏 裸视三维产品 朱日和 LED驱动方案 强国之列 ZigBee 国产芯片 嵌入式 homekit 5G Atmel 树莓派-Raspberry Pi

相关文章

  • 如何使用工业级串行数字输入来设计具有并行接口的数字输入模块
  • 学子专区——文氏电桥振荡器的分析与制作(第一部分):背景与理论
  • 利用对称安全认证保护研发投资
  • ADI公司LDO的电容选择指南
  • 简化设计,降低BOM成本,纳芯微推出NSI1611系列隔离电压采样芯片
Copyright © 2026 电子通  版权所有. 备案号: 京ICP备17050710号-3
  • 文章目录
  • 微信

    在线咨询