电子通

×
  • 新闻动态
    • 今日关注
    • 行业投资
    • 新品推荐
    • 市场分析
  • 电子集市
    • 酷玩
    • 芯片
    • 方案
    • 培训
    • 元器件数据
    • 供应链
    • ERP
  • 展会活动
  • 料号搜索
  • 大学院校
    • 院校名录
  • 电子百科
    • 电路图
    • 技术文库
    • 电子基础知识
    • 标准产品库
  • 应用领域
    • 通信
    • 物联网
    • 消费电子
    • 汽车电子
    • 工业控制
    • 安防电子
    • 医疗电子
    • 人工智能
  • 电子技术
    • 模拟电子
    • 单片机
    • 半导体
    • FPGA
    • DSP
  • 关于我们
首页电子百科电子基础知识文章
额
广告也精彩
直滑式电位器的结构与参数详细介绍 电子基础知识

直滑式电位器的结构与参数详细介绍

  骨架和基体通常用绝缘性能良好的材料制成,要求耐热、耐潮、电绝...
2020年02月16日  直滑式电位器的结构与参数详细介绍已关闭评论
阅读全文
3296电位器阻值怎么看? 电子基础知识

3296电位器阻值怎么看?

  随着3296电位器使用量和需求量不断在增加,越来越多的人都在...
2020年02月16日  3296电位器阻值怎么看?已关闭评论
阅读全文
电位器的接法?电位器的接法图 电子基础知识

电位器的接法?电位器的接法图

  电位器简介   电位器是具有三个引出端、阻值可按某种变化规律...
2020年02月16日  电位器的接法?电位器的接法图已关闭评论
阅读全文
六脚电位器怎么接线?接法知识详解 电子基础知识

六脚电位器怎么接线?接法知识详解

  对于电位器的认识:   电位器的主要参数除标称阻值和额定功率...
2020年02月16日  六脚电位器怎么接线?接法知识详解已关闭评论
阅读全文
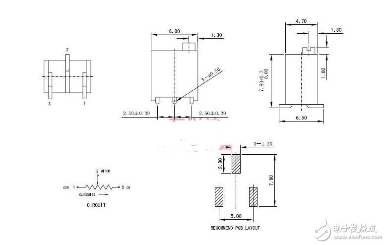
3296电位器引脚接法及规格书说明 电子基础知识

3296电位器引脚接法及规格书说明

  3296电位器术参数简介:   电位器性能:   阻值范围(...
2020年02月16日  3296电位器引脚接法及规格书说明已关闭评论
阅读全文
3296电位器常见故障判断与维修分析(调节方法分析) 电子基础知识

3296电位器常见故障判断与维修分析(调节方法分析)

  电位器各行业或者其它领域的设备上都需要使用到的,但随着科学技...
2020年02月16日  3296电位器常见故障判断与维修分析(调节方法分析)已关闭评论
阅读全文
数字电位器怎么选型_数字电位器选型指南 电子基础知识

数字电位器怎么选型_数字电位器选型指南

  数字电位器(DigitalPotenTIometer)亦称数...
2020年02月16日  数字电位器怎么选型_数字电位器选型指南已关闭评论
阅读全文
数字电位器应用实例_数字电位器四大应用电路 电子基础知识

数字电位器应用实例_数字电位器四大应用电路

  应用一:X9313数字电位器的应用   数字电位器的应用广泛...
2020年02月16日  数字电位器应用实例_数字电位器四大应用电路已关闭评论
阅读全文
数字电位器控制原理图 电子基础知识

数字电位器控制原理图

  数字电位器简介:   数字电位器是采用CMOS工艺制成的数模...
2020年02月16日  数字电位器控制原理图已关闭评论
阅读全文
数字电位器工作原理详解_数字电位器应用_数字电位器选型指南 电子基础知识

数字电位器工作原理详解_数字电位器应用_数字电位器选型指南

  什么是数字电位器   数字电位器(DigitalPotenT...
2020年02月16日  数字电位器工作原理详解_数字电位器应用_数字电位器选型指南已关闭评论
阅读全文

文章导航

第 1 页 … 第 741 页 第 742 页 第 743 页 … 第 915 页

推荐文章

  • 1SCA7606工作原理
  • 2意法半导体公布2020年第三季度初步营收 和2020年第三季度财报公布及电话会议时间
  • 3聚焦“朱日和”:从这里挺进半导体产业的强国之列
  • 4如何将光强度转换为一个电学量
  • 5立创获A轮2.5亿元融资,由红杉资本、钟鼎资本联合完成
  • 67月上市的新能源汽车都在这了!
  • 7Diodes公司推出自适应LED电流纹波抑制器
  • 8日对韩出口限制 京东方或成苹果OLED面板供应商
  • 9国际半导体遭遇寒冬 中国存储方队逆势扩张
  • 10屏幕采购低于承诺,外媒曝苹果向三星赔偿6.83亿美元

近期文章

  • 多功能紧凑型读码器——CleverReader,适用于一维、二维、DPM及高速读取
  • TheDNA of tech.®
  • 兆易创新与吉利汽车共建联合创新实验室,携手迈进汽车发展新时代
  • 【三重进化】功率模块的破局之道:可靠、集成与协同创新
  • 东芝开始提供集成微控制器与电机驱动电路的新一代“SmartMCD™”系列产品的工程样品
  • 了解电源环路稳定性和环路补偿
  • 思特威全新推出搭载Lofic HDR 3.0技术的50MP 1.0μm像素尺寸超高动态范围手机应用CMOS图像传感器
  • 共拓光互联未来——奇异摩尔与图灵量子达成战略合作,共研下一代基于xPU-CPO的关键技术
  • 纳芯微推出新一代隔离式CAN收发器NSI1150,支持±70V总线保护耐压和更高的通信速率
  • 从单灯到区域动态氛围灯,纳芯微推出多RGB氛围灯驱动芯片NSUC1527,助力汽车氛围灯智能化

热门标签

测试 电路图 朱日和 ZigBee Atmel 自动驾驶 LED驱动方案 裸视三维产品 Blackfin处理器 树莓派-Raspberry Pi 电源管理 嵌入式 传感器信号 电气光伏 5G 国产半导体 国产芯片 强国之列 ADI homekit

相关文章

  • 学子专区——文氏电桥振荡器的分析与制作(第一部分):背景与理论
  • 利用对称安全认证保护研发投资
  • ADI公司LDO的电容选择指南
  • 简化设计,降低BOM成本,纳芯微推出NSI1611系列隔离电压采样芯片
  • 简单制胜——第四部分:高效主动均衡背后的算法
Copyright © 2026 电子通  版权所有. 备案号: 京ICP备17050710号-3
  • 文章目录
  • 微信

    在线咨询