电子通

×
  • 新闻动态
    • 今日关注
    • 行业投资
    • 新品推荐
    • 市场分析
  • 电子集市
    • 酷玩
    • 芯片
    • 方案
    • 培训
    • 元器件数据
    • 供应链
    • ERP
  • 展会活动
  • 料号搜索
  • 大学院校
    • 院校名录
  • 电子百科
    • 电路图
    • 技术文库
    • 电子基础知识
    • 标准产品库
  • 应用领域
    • 通信
    • 物联网
    • 消费电子
    • 汽车电子
    • 工业控制
    • 安防电子
    • 医疗电子
    • 人工智能
  • 电子技术
    • 模拟电子
    • 单片机
    • 半导体
    • FPGA
    • DSP
  • 关于我们
首页电子百科电子基础知识文章
额
广告也精彩
数字电位器x9c103应用电路 电子基础知识

数字电位器x9c103应用电路

数字电位器x9c103应用电路(一) 基础部分 数字电位器X9c...
2020年02月16日  数字电位器x9c103应用电路已关闭评论
阅读全文
一个实验教你搞定数字电位器的控制与调试 电子基础知识

一个实验教你搞定数字电位器的控制与调试

  数字电位器简介   数字电位器是采用CMOS工艺制成的数模混...
2020年02月16日  一个实验教你搞定数字电位器的控制与调试已关闭评论
阅读全文
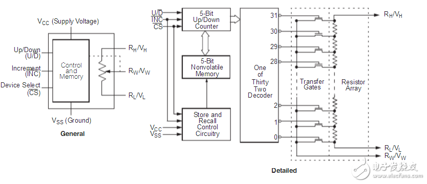
常用数字电位器芯片有哪些 电子基础知识

常用数字电位器芯片有哪些

数字电位器(DigitalPotenTIometer)亦称数控可...
2020年02月16日  常用数字电位器芯片有哪些已关闭评论
阅读全文
如何制作数字电位器_数字电位器制作方法 电子基础知识

如何制作数字电位器_数字电位器制作方法

  数字电位器简介   数字电位器(DCP)是专为替代传统机械电...
2020年02月16日  如何制作数字电位器_数字电位器制作方法已关闭评论
阅读全文
如何理解数字电位器 电子基础知识

如何理解数字电位器

  数字电位器简介   数字电位器也称为数控电位器,是一种用数字...
2020年02月16日  如何理解数字电位器已关闭评论
阅读全文
碳膜电位器的制作材料 电子基础知识

碳膜电位器的制作材料

碳膜电位器,对干电子元器件这一行的来说,应该是无人不知,无人不晓...
2020年02月16日  碳膜电位器的制作材料已关闭评论
阅读全文
碳膜电位器的使用注意事项 电子基础知识

碳膜电位器的使用注意事项

碳膜电位器是在马蹄形的纸胶板上涂上一层碳膜制成。其阻值变化和中间...
2020年02月16日  碳膜电位器的使用注意事项已关闭评论
阅读全文
碳膜电位器故障检测及解决 电子基础知识

碳膜电位器故障检测及解决

碳膜电位器为人们常用的电子元器件之一,然而任何电位器使用时间久了...
2020年02月16日  碳膜电位器故障检测及解决已关闭评论
阅读全文
电阻器的功率是什么意思_电阻2w是什么意思 电子基础知识

电阻器的功率是什么意思_电阻2w是什么意思

  电阻器介绍   电阻器(Resistor)在日常生活中一般直...
2020年02月16日  电阻器的功率是什么意思_电阻2w是什么意思已关闭评论
阅读全文
bourns电位器接线图 电子基础知识

bourns电位器接线图

  bourns电位器简介   bourns电位器也叫邦士电位器...
2020年02月16日  bourns电位器接线图已关闭评论
阅读全文

文章导航

第 1 页 … 第 742 页 第 743 页 第 744 页 … 第 915 页

推荐文章

  • 1SCA7606工作原理
  • 2意法半导体公布2020年第三季度初步营收 和2020年第三季度财报公布及电话会议时间
  • 3聚焦“朱日和”:从这里挺进半导体产业的强国之列
  • 4如何将光强度转换为一个电学量
  • 5立创获A轮2.5亿元融资,由红杉资本、钟鼎资本联合完成
  • 67月上市的新能源汽车都在这了!
  • 7Diodes公司推出自适应LED电流纹波抑制器
  • 8日对韩出口限制 京东方或成苹果OLED面板供应商
  • 9国际半导体遭遇寒冬 中国存储方队逆势扩张
  • 10屏幕采购低于承诺,外媒曝苹果向三星赔偿6.83亿美元

近期文章

  • 多功能紧凑型读码器——CleverReader,适用于一维、二维、DPM及高速读取
  • TheDNA of tech.®
  • 兆易创新与吉利汽车共建联合创新实验室,携手迈进汽车发展新时代
  • 【三重进化】功率模块的破局之道:可靠、集成与协同创新
  • 东芝开始提供集成微控制器与电机驱动电路的新一代“SmartMCD™”系列产品的工程样品
  • 了解电源环路稳定性和环路补偿
  • 思特威全新推出搭载Lofic HDR 3.0技术的50MP 1.0μm像素尺寸超高动态范围手机应用CMOS图像传感器
  • 共拓光互联未来——奇异摩尔与图灵量子达成战略合作,共研下一代基于xPU-CPO的关键技术
  • 纳芯微推出新一代隔离式CAN收发器NSI1150,支持±70V总线保护耐压和更高的通信速率
  • 从单灯到区域动态氛围灯,纳芯微推出多RGB氛围灯驱动芯片NSUC1527,助力汽车氛围灯智能化

热门标签

朱日和 树莓派-Raspberry Pi 国产芯片 强国之列 Atmel 传感器信号 电气光伏 5G 嵌入式 Blackfin处理器 ADI 自动驾驶 电路图 裸视三维产品 测试 国产半导体 电源管理 LED驱动方案 ZigBee homekit

相关文章

  • 学子专区——文氏电桥振荡器的分析与制作(第一部分):背景与理论
  • 利用对称安全认证保护研发投资
  • ADI公司LDO的电容选择指南
  • 简化设计,降低BOM成本,纳芯微推出NSI1611系列隔离电压采样芯片
  • 简单制胜——第四部分:高效主动均衡背后的算法
Copyright © 2026 电子通  版权所有. 备案号: 京ICP备17050710号-3
  • 文章目录
  • 微信

    在线咨询