滤波电容是并联在整流电源电路输出端,用以降低交流脉动波纹系数...
电子基础知识
什么是滤波电容,滤波电容详解
安装在整流电路两端用以降低交流脉动波纹系数提升高效平滑直流输...
电子基础知识
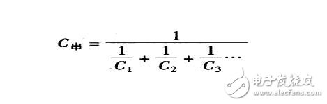
整流滤波电容计算公式
整流滤波电路是直流稳压电源设备原理电路的重要组成部分,具有把...
电子基础知识
高频低阻电解电容作用分析
一、高频低阻电解电容介绍 高频低阻电解电容通俗的讲:电容...
电子基础知识
硬件基础之电解电容知识
因为电容的充电需要一定的时间,所以可以利用电容来实现硬件的延...
电子基础知识
电解电容器的漏电阻测量方法
电解电容器是指在铝、钽、铌、钛等金属的表面采用阳极氧化法生成...
电子基础知识
滤波电容的选择:大电容滤低频_小电容滤高频
什么是滤波电容 安装在整流电路两端用以降低交流脉动波纹系...
电子基础知识
高频滤波电容的选择方式和技巧
高频滤波电容的容量选择? 简单的说,容量越大滤波效果越好...
电子基础知识
可变电容器与半可变电容器的区别与联系
电容器,顾名思义,是‘装电的容器’,是一种容纳电荷的器件。英...




