电子通

×
  • 新闻动态
    • 今日关注
    • 行业投资
    • 新品推荐
    • 市场分析
  • 电子集市
    • 酷玩
    • 芯片
    • 方案
    • 培训
    • 元器件数据
    • 供应链
    • ERP
  • 展会活动
  • 料号搜索
  • 大学院校
    • 院校名录
  • 电子百科
    • 电路图
    • 技术文库
    • 电子基础知识
    • 标准产品库
  • 应用领域
    • 通信
    • 物联网
    • 消费电子
    • 汽车电子
    • 工业控制
    • 安防电子
    • 医疗电子
    • 人工智能
  • 电子技术
    • 模拟电子
    • 单片机
    • 半导体
    • FPGA
    • DSP
  • 关于我们
首页电子百科电子基础知识文章
保险丝管 电子基础知识

保险丝管

保险丝管       保险丝管也叫...
2020年02月10日  保险丝管已关闭评论
阅读全文
金属膜电阻器
电子基础知识

金属膜电阻器

金属膜电阻器  metal film resistor...
2020年02月10日  金属膜电阻器已关闭评论
阅读全文
电子技术基础:电阻 电子基础知识

电子技术基础:电阻

电子技术基础:电阻 电阻是表示导体对电流阻碍作用的大小,符号是“...
2020年02月10日  电子技术基础:电阻已关闭评论
阅读全文
电子技术基础:电容 电子基础知识

电子技术基础:电容

电子技术基础:电容    电容是一种我们经常...
2020年02月10日  电子技术基础:电容已关闭评论
阅读全文
电子元器件基础知识大全:IC测试原理解析
电子基础知识

电子元器件基础知识大全:IC测试原理解析

电子元器件基础知识大全:IC测试原理解析   ...
2020年02月10日  电子元器件基础知识大全:IC测试原理解析已关闭评论
阅读全文
电子元器件基础知识(3)——电阻 电子基础知识

电子元器件基础知识(3)——电阻

电子元器件基础知识(3)——电阻   导电体对电流的阻碍作用称为...
2020年02月10日  电子元器件基础知识(3)——电阻已关闭评论
阅读全文
电子元器件基础知识(2)——电容
电子基础知识

电子元器件基础知识(2)——电容

电子元器件基础知识(2)——电容   电容是电子设备中大量使用的...
2020年02月10日  电子元器件基础知识(2)——电容已关闭评论
阅读全文
电子元器件基础知识(1)——半导体器件
电子基础知识

电子元器件基础知识(1)——半导体器件

电子元器件基础知识(1)——半导体器件   一、 中国半导体器件...
2020年02月10日  电子元器件基础知识(1)——半导体器件已关闭评论
阅读全文
人体电池 电子基础知识

人体电池

人体电池      最近...
2020年02月10日  人体电池已关闭评论
阅读全文
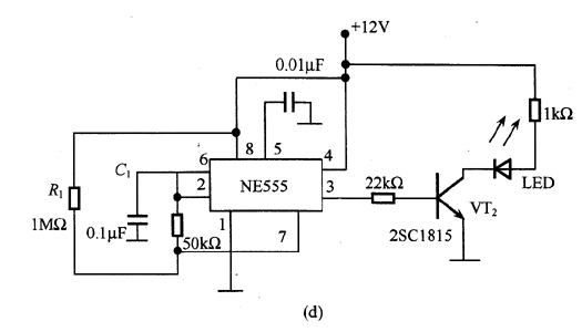
LED闪光电路图LED闪光电路结构工作原理 电子基础知识

LED闪光电路图LED闪光电路结构工作原理

LED闪光电路图LED闪光电路结构工作原理 今天我们主要介绍下L...
2020年02月10日  LED闪光电路图LED闪光电路结构工作原理已关闭评论
阅读全文

文章导航

第 1 页 … 第 860 页 第 861 页 第 862 页 … 第 915 页

推荐文章

  • 1SCA7606工作原理
  • 2意法半导体公布2020年第三季度初步营收 和2020年第三季度财报公布及电话会议时间
  • 3聚焦“朱日和”:从这里挺进半导体产业的强国之列
  • 4如何将光强度转换为一个电学量
  • 5立创获A轮2.5亿元融资,由红杉资本、钟鼎资本联合完成
  • 67月上市的新能源汽车都在这了!
  • 7Diodes公司推出自适应LED电流纹波抑制器
  • 8日对韩出口限制 京东方或成苹果OLED面板供应商
  • 9国际半导体遭遇寒冬 中国存储方队逆势扩张
  • 10屏幕采购低于承诺,外媒曝苹果向三星赔偿6.83亿美元

近期文章

  • 意法半导体高速GaN驱动器为运动控制与功率转换应用增加智能保护功能
  • 大联大世平集团携手NXP举办线上研讨会,揭秘主动式悬架控制板及S32K3选型
  • 从皮肤到芯片:医用贴片和植入式设备中的传感器如何重新定义医疗
  • 赋能电子、汽车电子、半导体、数据中心、PCB产业,Fac Tec China电子工厂设施展6月2-4日上海世博展览馆,一次看全新技术、新方案、新趋势
  • CIEI将与全球数据周与第五届长三角国际应急博览会两大顶级行业盛会联动,与全球精英共赴智能未来!
  • 派克汉尼汾发布2025可持续发展报告
  • 思特威推出全新2MP及4MP高性能智能安防应用CMOS图像传感器
  • 2026 年第一季度 DigiKey 新增近 31,000 种零件及 97 家供应商,进一步扩充了现货产品供应
  • AI+FTTR破局在即,CIOE信息通信展成产业风向观察窗口
  • 34 万㎡超大规模,5000+展商集结,一同解码半导体行业新发展

热门标签

朱日和 裸视三维产品 电气光伏 国产半导体 Atmel 电路图 自动驾驶 ZigBee 电源管理 5G 国产芯片 Blackfin处理器 传感器信号 ADI homekit 嵌入式 LED驱动方案 测试 强国之列 树莓派-Raspberry Pi

相关文章

  • 意法半导体高速GaN驱动器为运动控制与功率转换应用增加智能保护功能
  • 大联大世平集团携手NXP举办线上研讨会,揭秘主动式悬架控制板及S32K3选型
  • 从皮肤到芯片:医用贴片和植入式设备中的传感器如何重新定义医疗
  • 意法半导体低电阻 MOSFET可节省电能,缩减 PCB面积,适合配电应用
  • 如何使用工业级串行数字输入来设计具有并行接口的数字输入模块
Copyright © 2026 电子通  版权所有. 备案号: 京ICP备17050710号-3
  • 文章目录
  • 微信

    在线咨询