日本主要包装材料比分析表 日本主要包装材...
电子基础知识
平板式太阳能电池集热器
平板式太阳能电池集热器 &nb...
电路板复合材料微小孔加工技术
电路板复合材料微小孔加工技术 1 引言 随着电子技术的飞...
电子基础知识
电路板的自动检测技术
电路板的自动检测技术 随着表面贴装技术的引人,电路板的封装密...
电子基础知识
如何应对电路板寄生组件对电路性能的干扰
如何应对电路板寄生组件对电路性能的干扰 电路板布线所产生主要...
电镀不合格品的处理方法
电镀不合格品的处理方法 1 前言各种电...
电子基础知识
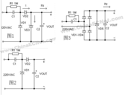
阻容降压原理和计算公式
阻容降压原理和计算公式 这一类的电路通常用于低成本取得非隔离的小...




