电子通

×
  • 新闻动态
    • 今日关注
    • 行业投资
    • 新品推荐
    • 市场分析
  • 电子集市
    • 酷玩
    • 芯片
    • 方案
    • 培训
    • 元器件数据
    • 供应链
    • ERP
  • 展会活动
  • 料号搜索
  • 大学院校
    • 院校名录
  • 电子百科
    • 电路图
    • 技术文库
    • 电子基础知识
    • 标准产品库
  • 应用领域
    • 通信
    • 物联网
    • 消费电子
    • 汽车电子
    • 工业控制
    • 安防电子
    • 医疗电子
    • 人工智能
  • 电子技术
    • 模拟电子
    • 单片机
    • 半导体
    • FPGA
    • DSP
  • 关于我们
首页电子百科文章
额
广告也精彩
升压转换器集成Silent Switcher技术和输入断开功能,实现出色性能和可靠保护 电子基础知识

升压转换器集成Silent Switcher技术和输入断开功能,实现出色性能和可靠保护

作者:Michael Wu,资深应用工程师   摘要 ...
2025年09月10日  升压转换器集成Silent Switcher技术和输入断开功能,实现出色性能和可靠保护已关闭评论
阅读全文
适用于噪声敏感型应用的快速瞬态负电压轨 电子基础知识

适用于噪声敏感型应用的快速瞬态负电压轨

作者:Erik Lamp,高级产品应用工程师   摘要...
2025年09月04日  适用于噪声敏感型应用的快速瞬态负电压轨已关闭评论
阅读全文
未来工厂:搭载人工智能的边缘传感器设计——第1部分 电子基础知识

未来工厂:搭载人工智能的边缘传感器设计——第1部分

作者:Richard Anslow,高级经理 Danail Ba...
2025年08月25日  未来工厂:搭载人工智能的边缘传感器设计——第1部分已关闭评论
阅读全文
采用GaN的Cyclo 转换器如何帮助优化微型逆变器和便携式电源设计 电子基础知识

采用GaN的Cyclo 转换器如何帮助优化微型逆变器和便携式电源设计

简介 微型逆变器中的功率转换系统通常采用两级式设计,如图 1-1...
2025年08月20日  采用GaN的Cyclo 转换器如何帮助优化微型逆变器和便携式电源设计已关闭评论
阅读全文
工业充电器拓扑结构选型基础知识:优化拓扑结构与元器件选型 电子基础知识

工业充电器拓扑结构选型基础知识:优化拓扑结构与元器件选型

工业充电器拓扑结构选型基础知识:优化拓扑结构与元器件选型 作者:...
2025年08月19日  工业充电器拓扑结构选型基础知识:优化拓扑结构与元器件选型已关闭评论
阅读全文
优先考虑电源架构的优化 电子基础知识

优先考虑电源架构的优化

优先考虑电源架构的优化 作者:Frederik Dostal,A...
2025年08月18日  优先考虑电源架构的优化已关闭评论
阅读全文
为机器人技术的未来发展筑牢安全防线:网络安全的作用 电子基础知识

为机器人技术的未来发展筑牢安全防线:网络安全的作用

作者:Manoj Rajashekaraiah,首席工程师 摘要...
2025年08月07日  为机器人技术的未来发展筑牢安全防线:网络安全的作用已关闭评论
阅读全文
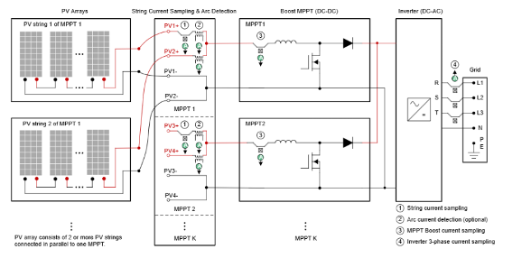
使用封装内霍尔效应电流传感器的太阳能应用场景概要 电子基础知识

使用封装内霍尔效应电流传感器的太阳能应用场景概要

电流测量精度和可靠性对于光伏逆变器系统至关重要,因为这决定了功率...
2025年08月04日  使用封装内霍尔效应电流传感器的太阳能应用场景概要已关闭评论
阅读全文
与EMI滤波器“和谐共舞” 电子基础知识

与EMI滤波器“和谐共舞”

作者:Marc Smith,核心应用部门首席工程师 摘要 本文介...
2025年08月04日  与EMI滤波器“和谐共舞”已关闭评论
阅读全文
图像传感器选择标准多?成像性能必须排第一 电子基础知识

图像传感器选择标准多?成像性能必须排第一

作者:安森美 当涉及到技术创新时,图像传感器的选择是设计和开发各...
2025年07月29日  图像传感器选择标准多?成像性能必须排第一已关闭评论
阅读全文

文章导航

第 1 页 第 2 页 第 3 页 第 4 页 … 第 2,323 页

推荐文章

  • 1SCA7606工作原理
  • 2意法半导体公布2020年第三季度初步营收 和2020年第三季度财报公布及电话会议时间
  • 3聚焦“朱日和”:从这里挺进半导体产业的强国之列
  • 4如何将光强度转换为一个电学量
  • 5立创获A轮2.5亿元融资,由红杉资本、钟鼎资本联合完成
  • 67月上市的新能源汽车都在这了!
  • 7Diodes公司推出自适应LED电流纹波抑制器
  • 8日对韩出口限制 京东方或成苹果OLED面板供应商
  • 9国际半导体遭遇寒冬 中国存储方队逆势扩张
  • 10屏幕采购低于承诺,外媒曝苹果向三星赔偿6.83亿美元

近期文章

  • 多功能紧凑型读码器——CleverReader,适用于一维、二维、DPM及高速读取
  • TheDNA of tech.®
  • 兆易创新与吉利汽车共建联合创新实验室,携手迈进汽车发展新时代
  • 【三重进化】功率模块的破局之道:可靠、集成与协同创新
  • 东芝开始提供集成微控制器与电机驱动电路的新一代“SmartMCD™”系列产品的工程样品
  • 了解电源环路稳定性和环路补偿
  • 思特威全新推出搭载Lofic HDR 3.0技术的50MP 1.0μm像素尺寸超高动态范围手机应用CMOS图像传感器
  • 共拓光互联未来——奇异摩尔与图灵量子达成战略合作,共研下一代基于xPU-CPO的关键技术
  • 纳芯微推出新一代隔离式CAN收发器NSI1150,支持±70V总线保护耐压和更高的通信速率
  • 从单灯到区域动态氛围灯,纳芯微推出多RGB氛围灯驱动芯片NSUC1527,助力汽车氛围灯智能化

热门标签

5G LED驱动方案 强国之列 电源管理 电路图 homekit 国产芯片 Atmel 测试 朱日和 树莓派-Raspberry Pi Blackfin处理器 电气光伏 传感器信号 国产半导体 嵌入式 裸视三维产品 自动驾驶 ADI ZigBee

相关文章

  • 学子专区——文氏电桥振荡器的分析与制作(第一部分):背景与理论
  • 利用对称安全认证保护研发投资
  • ADI公司LDO的电容选择指南
  • 简化设计,降低BOM成本,纳芯微推出NSI1611系列隔离电压采样芯片
  • 简单制胜——第四部分:高效主动均衡背后的算法
Copyright © 2026 电子通  版权所有. 备案号: 京ICP备17050710号-3
  • 文章目录
  • 微信

    在线咨询