电子通

×
  • 新闻动态
    • 今日关注
    • 行业投资
    • 新品推荐
    • 市场分析
  • 电子集市
    • 酷玩
    • 芯片
    • 方案
    • 培训
    • 元器件数据
    • 供应链
    • ERP
  • 展会活动
  • 料号搜索
  • 大学院校
    • 院校名录
  • 电子百科
    • 电路图
    • 技术文库
    • 电子基础知识
    • 标准产品库
  • 应用领域
    • 通信
    • 物联网
    • 消费电子
    • 汽车电子
    • 工业控制
    • 安防电子
    • 医疗电子
    • 人工智能
  • 电子技术
    • 模拟电子
    • 单片机
    • 半导体
    • FPGA
    • DSP
  • 关于我们
首页电子百科电子基础知识文章
额
广告也精彩
辅助继电器作用_辅助继电器的分类 电子基础知识

辅助继电器作用_辅助继电器的分类

  什么是辅助继电器   辅助继电器是用软件实现的,它们不能接收...
2020年02月16日  辅助继电器作用_辅助继电器的分类已关闭评论
阅读全文
断电延时继电器工作原理图解 电子基础知识

断电延时继电器工作原理图解

  断电延时继电器,是当时间继电器线圈通电时,各延时触头瞬时动作...
2020年02月16日  断电延时继电器工作原理图解已关闭评论
阅读全文
断电延时继电器接线图_断电延时继电器接法 电子基础知识

断电延时继电器接线图_断电延时继电器接法

  断电延时继电器接线图   断电延时继电器接线操作如下:将用电...
2020年02月16日  断电延时继电器接线图_断电延时继电器接法已关闭评论
阅读全文
步进继电器如何检测_步进继电器检测方法 电子基础知识

步进继电器如何检测_步进继电器检测方法

  步进继电器原理   步进继电器又称为步进双稳态继电器或步进自...
2020年02月16日  步进继电器如何检测_步进继电器检测方法已关闭评论
阅读全文
步进继电器电子原理图_步进继电器工作原理 电子基础知识

步进继电器电子原理图_步进继电器工作原理

  步进继电器原理   步进继电器也是电磁继电器,但它和一般电磁...
2020年02月16日  步进继电器电子原理图_步进继电器工作原理已关闭评论
阅读全文
plc控制与继电器控制的区别 电子基础知识

plc控制与继电器控制的区别

  PLC控制概述   PLC控制系统是在传统的顺序控制器的基础...
2020年02月16日  plc控制与继电器控制的区别已关闭评论
阅读全文
时间继电器控制电动机能耗制动线路图 电子基础知识

时间继电器控制电动机能耗制动线路图

  时间继电器控制交流电动机能耗制动控制线路   图1是时间继电...
2020年02月16日  时间继电器控制电动机能耗制动线路图已关闭评论
阅读全文
固态继电器原理_固态继电器的特点 电子基础知识

固态继电器原理_固态继电器的特点

  固态继电器是什么   固态继电器(Solid State R...
2020年02月16日  固态继电器原理_固态继电器的特点已关闭评论
阅读全文
固态继电器的结构_固态继电器的安装方法及操作方法 电子基础知识

固态继电器的结构_固态继电器的安装方法及操作方法

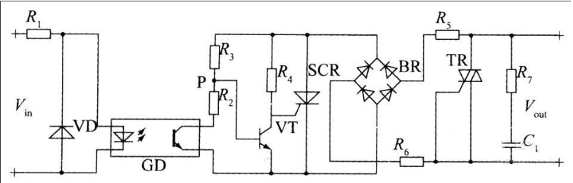
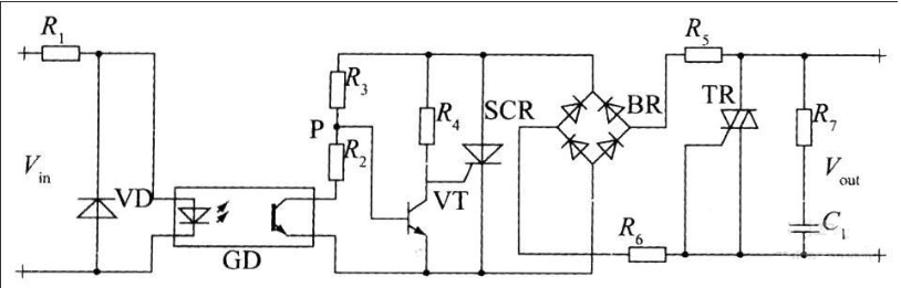
  固态继电器的结构   固态继电器由三部分组成:输入电路,隔离...
2020年02月16日  固态继电器的结构_固态继电器的安装方法及操作方法已关闭评论
阅读全文
固态继电器的用途_固态继电器的应用实例 电子基础知识

固态继电器的用途_固态继电器的应用实例

  固态继电器的用途   专用的固态继电器可以具有短路保护,过载...
2020年02月16日  固态继电器的用途_固态继电器的应用实例已关闭评论
阅读全文

文章导航

第 1 页 … 第 726 页 第 727 页 第 728 页 … 第 915 页

推荐文章

  • 1SCA7606工作原理
  • 2意法半导体公布2020年第三季度初步营收 和2020年第三季度财报公布及电话会议时间
  • 3聚焦“朱日和”:从这里挺进半导体产业的强国之列
  • 4如何将光强度转换为一个电学量
  • 5立创获A轮2.5亿元融资,由红杉资本、钟鼎资本联合完成
  • 67月上市的新能源汽车都在这了!
  • 7Diodes公司推出自适应LED电流纹波抑制器
  • 8日对韩出口限制 京东方或成苹果OLED面板供应商
  • 9国际半导体遭遇寒冬 中国存储方队逆势扩张
  • 10屏幕采购低于承诺,外媒曝苹果向三星赔偿6.83亿美元

近期文章

  • Microchip重新定义可编程逻辑,实现更简便且更智能的全集成设计
  • 如何使用工业级串行数字输入来设计具有并行接口的数字输入模块
  • 边缘AI的发展为更智能、更可持续的技术铺平道路
  • 兆易创新GD32F5HC系列MCU全新发布,面向HMI与物联网实现高性能创新升级
  • Vishay采用最新DFN6546A封装的200 V FRED Pt® 超快恢复整流器支持高达15 A额定电流
  • 贸泽开售Telit Cinterion SL871K2 GNSS模块 支持单频和多星座GNSS定位
  • 安森美:用全光谱“智慧之眼”定义下一代工业机器人
  • 意法半导体推出STM32工业级微处理器专用电源管理芯片
  • ROHM开发出第5代SiC MOSFET,高温下导通电阻可降低约30%!
  • 国内首款,纳芯微推出通过TÜV莱茵认证的ASIL D等级隔离栅极驱动NSI6911F系列

热门标签

国产芯片 Atmel 自动驾驶 传感器信号 电气光伏 电路图 树莓派-Raspberry Pi ZigBee 朱日和 5G 强国之列 裸视三维产品 homekit ADI LED驱动方案 测试 嵌入式 Blackfin处理器 国产半导体 电源管理

相关文章

  • 如何使用工业级串行数字输入来设计具有并行接口的数字输入模块
  • 学子专区——文氏电桥振荡器的分析与制作(第一部分):背景与理论
  • 利用对称安全认证保护研发投资
  • ADI公司LDO的电容选择指南
  • 简化设计,降低BOM成本,纳芯微推出NSI1611系列隔离电压采样芯片
Copyright © 2026 电子通  版权所有. 备案号: 京ICP备17050710号-3
  • 文章目录
  • 微信

    在线咨询