敏感元件 能敏锐地感受某种物...
电子基础知识
(MOV)层叠金属氧化物压敏电阻
(MOV)层叠金属氧化物压敏电阻 Metal Oxide Var...
电子基础知识
什么是压敏电阻器及其分类与参数?
什么是压敏电阻器及其分类与参数? 压敏电阻器简称VSR,是一种对...
电子基础知识
05D型系列压敏电阻知识介绍
05D型系列压敏电阻知识介绍 1.应用范围: ·晶体管、二极管、...
电子基础知识
压敏电阻选用的基本知识
压敏电阻选用的基本知识 什么是压敏电阻器及其分类与参数? 压敏电...
电子基础知识
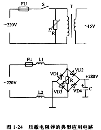
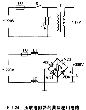
压敏电阻器的结构特性与作用
压敏电阻器的结构特性与作用 1.压敏电阻器的结构特性 ...
电子基础知识
压敏电阻器的主要参数有哪些?
压敏电阻器的主要参数有哪些? 压敏电阻器的主要参数压敏电阻器的主...







