压敏电阻器的选择原则 压敏电压值的选择 首先是标称电...
电子基础知识
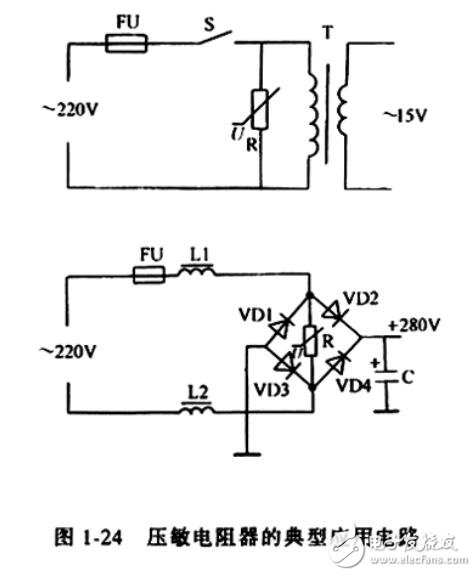
压敏电阻的作用,型号及其参数
压敏电阻: “压敏电阻"是指在一定电流电压范围内电阻值随电压而变...
电子基础知识
温度感知型NTCNTC温度测量工作原理
温度感知型NTC温度测量工作原理:将NTC热敏电阻置于测量温度处...
电子基础知识
功率型NTC抑制浪涌电流的原理
功率型NTC抑制浪涌电流的原理: 在电子电路电源部分(LED驱动...
电子基础知识
静电容量小于1PF的玻璃放电管选型指南
静电容量小于1PF的玻璃反应灵敏,吸收速度在纳秒级,残余电压...
电子基础知识
Littelfuse扩展备受欢迎的LV UltraMOV压敏电阻系列
中国,北京,2015年7月10日讯 - Littelfuse...
电子基础知识
压敏电阻符号怎么表示 压敏电阻选型参数及作用
压敏电阻符号电路表示: 压敏电阻器简称VSR,是一种对电...
电子基础知识
压敏电阻连接线问题详解
压敏电阻一般并联在电路中使用,当电阻两端的电压发生急剧变化时...
电子基础知识
压敏电阻的主要参数与应用类型
“压敏电阻“是一种具有非线性伏安特性的电阻器件,主要用于在电...
电子基础知识
压敏电阻的原理及电流、电压计算分析
压敏电阻一般并联在电路中使用,当电阻两端的电压发生急剧变化时,电...





