电子通

×
  • 新闻动态
    • 今日关注
    • 行业投资
    • 新品推荐
    • 市场分析
  • 电子集市
    • 酷玩
    • 芯片
    • 方案
    • 培训
    • 元器件数据
    • 供应链
    • ERP
  • 展会活动
  • 料号搜索
  • 大学院校
    • 院校名录
  • 电子百科
    • 电路图
    • 技术文库
    • 电子基础知识
    • 标准产品库
  • 应用领域
    • 通信
    • 物联网
    • 消费电子
    • 汽车电子
    • 工业控制
    • 安防电子
    • 医疗电子
    • 人工智能
  • 电子技术
    • 模拟电子
    • 单片机
    • 半导体
    • FPGA
    • DSP
  • 关于我们
首页电子百科文章
额
广告也精彩
什么是湿敏电阻器及其分类与参数? 电子基础知识

什么是湿敏电阻器及其分类与参数?

什么是湿敏电阻器及其分类与参数?   &nb...
2020年02月17日  什么是湿敏电阻器及其分类与参数?已关闭评论
阅读全文
什么是光敏电阻器及其分类与参数? 电子基础知识

什么是光敏电阻器及其分类与参数?

什么是光敏电阻器及其分类与参数? 光敏电阻器是一种对光敏感的元件...
2020年02月17日  什么是光敏电阻器及其分类与参数?已关闭评论
阅读全文
常用电路元器件及集成电路简介 电子基础知识

常用电路元器件及集成电路简介

常用电路元器件及集成电路简介6.1电阻、电容元件简介 6.1.1...
2020年02月17日  常用电路元器件及集成电路简介已关闭评论
阅读全文
湿敏电阻器分类和参数知识 电子基础知识

湿敏电阻器分类和参数知识

湿敏电阻器分类和参数知识   湿敏电阻器是一种对环境温...
2020年02月17日  湿敏电阻器分类和参数知识已关闭评论
阅读全文
大气的湿度
电子基础知识

大气的湿度

大气的湿度 由于地面上水和动植物会发生水分蒸发现象,因而地面上不...
2020年02月17日  大气的湿度已关闭评论
阅读全文
湿敏元件的分类简介 电子基础知识

湿敏元件的分类简介

湿敏元件的分类简介 水是一种强极性电介质。水分子有较大的电偶极矩...
2020年02月17日  湿敏元件的分类简介已关闭评论
阅读全文
湿敏元件的主要特性参数
电子基础知识

湿敏元件的主要特性参数

湿敏元件的主要特性参数 本文章介绍湿敏元件的12种主要特性参数。...
2020年02月17日  湿敏元件的主要特性参数已关闭评论
阅读全文
湿敏元件的应用领域简介
电子基础知识

湿敏元件的应用领域简介

湿敏元件的应用领域简介 随着现代工业和科学技术的发展以及人们对环...
2020年02月17日  湿敏元件的应用领域简介已关闭评论
阅读全文
碳膜湿敏电阻器的结构及特性简介 电子基础知识

碳膜湿敏电阻器的结构及特性简介

碳膜湿敏电阻器的结构及特性简介 碳膜湿敏电阻器是在绝缘的基体上先...
2020年02月17日  碳膜湿敏电阻器的结构及特性简介已关闭评论
阅读全文
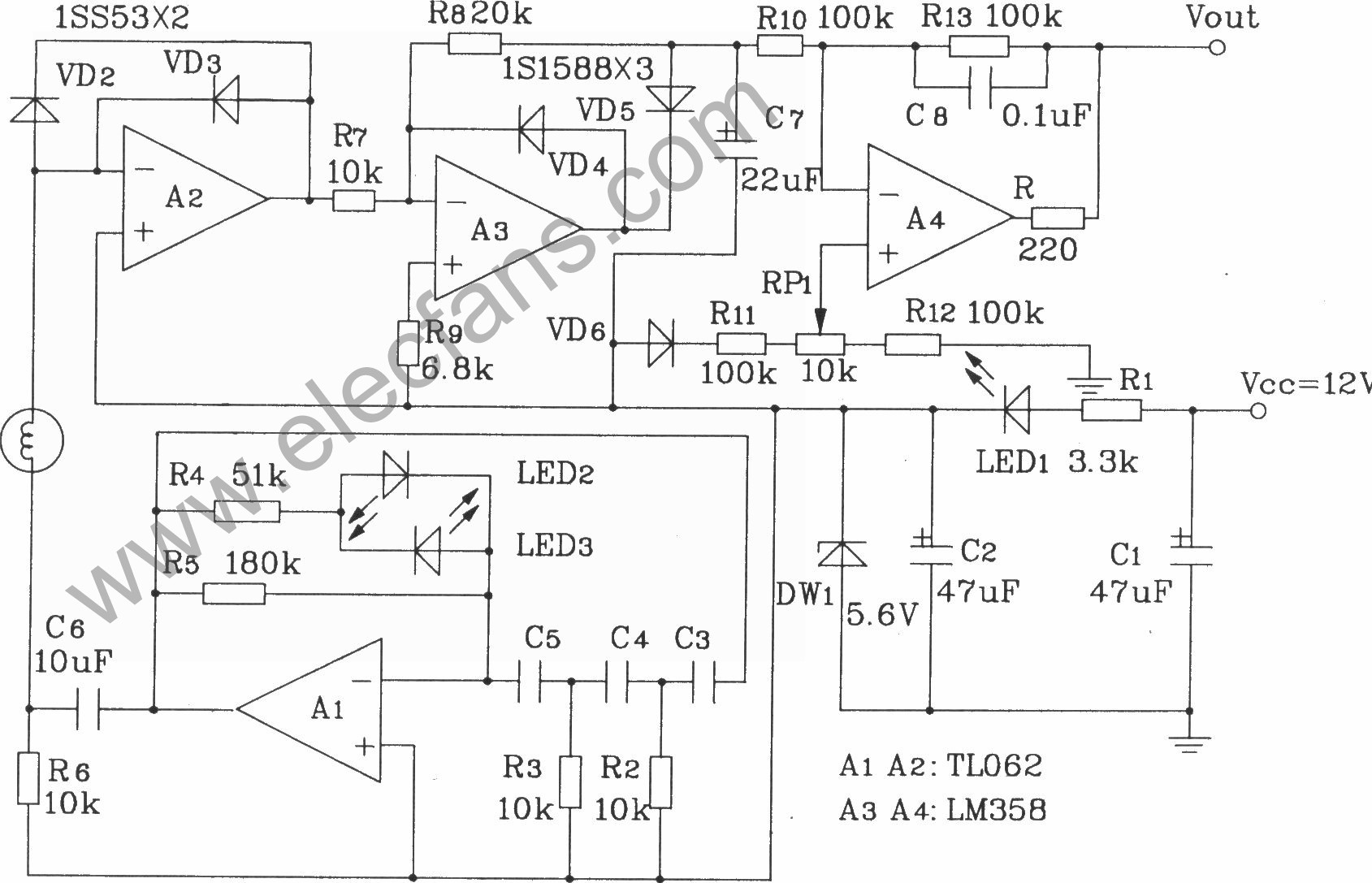
阻抗式湿敏元件简单应用电路 电子基础知识

阻抗式湿敏元件简单应用电路

阻抗式湿敏元件简单应用电路
2020年02月17日  阻抗式湿敏元件简单应用电路已关闭评论
阅读全文

文章导航

第 1 页 … 第 302 页 第 303 页 第 304 页 … 第 2,323 页

推荐文章

  • 1SCA7606工作原理
  • 2意法半导体公布2020年第三季度初步营收 和2020年第三季度财报公布及电话会议时间
  • 3聚焦“朱日和”:从这里挺进半导体产业的强国之列
  • 4如何将光强度转换为一个电学量
  • 5立创获A轮2.5亿元融资,由红杉资本、钟鼎资本联合完成
  • 67月上市的新能源汽车都在这了!
  • 7Diodes公司推出自适应LED电流纹波抑制器
  • 8日对韩出口限制 京东方或成苹果OLED面板供应商
  • 9国际半导体遭遇寒冬 中国存储方队逆势扩张
  • 10屏幕采购低于承诺,外媒曝苹果向三星赔偿6.83亿美元

近期文章

  • #98055- Hengst China
  • 多功能紧凑型读码器——CleverReader,适用于一维、二维、DPM及高速读取
  • 驱动橡塑产业智造升级!CHINAPLAS 2026 国际橡塑展同期活动前瞻(下)
  • #98055- Hengst China
  • 多功能紧凑型读码器——CleverReader,适用于一维、二维、DPM及高速读取
  • 纳芯微出席车百会2026年度论坛:解码智能动力系统演进,芯片成为关键“底层能力”
  • Microchip与领先车载摄像头制造商舜宇智领达成战略合作
  • Vishay荣获欧摩威汽车系统(长春)有限公司2025年供应链卓越奖
  • eFuse如何助力汽车电气化
  • eFuse如何助力汽车电气化

热门标签

电路图 电气光伏 5G Blackfin处理器 Atmel 嵌入式 树莓派-Raspberry Pi 自动驾驶 ZigBee 传感器信号 ADI homekit LED驱动方案 强国之列 裸视三维产品 朱日和 测试 电源管理 国产芯片 国产半导体

相关文章

  • 学子专区——文氏电桥振荡器的分析与制作(第一部分):背景与理论
  • 利用对称安全认证保护研发投资
  • ADI公司LDO的电容选择指南
  • 简化设计,降低BOM成本,纳芯微推出NSI1611系列隔离电压采样芯片
  • 简单制胜——第四部分:高效主动均衡背后的算法
Copyright © 2026 电子通  版权所有. 备案号: 京ICP备17050710号-3
  • 文章目录
  • 微信

    在线咨询